Вернуться на главную
Поиск
Каталоги запчастей к технике
Спецтехника
ДЭЗ
ФД-500
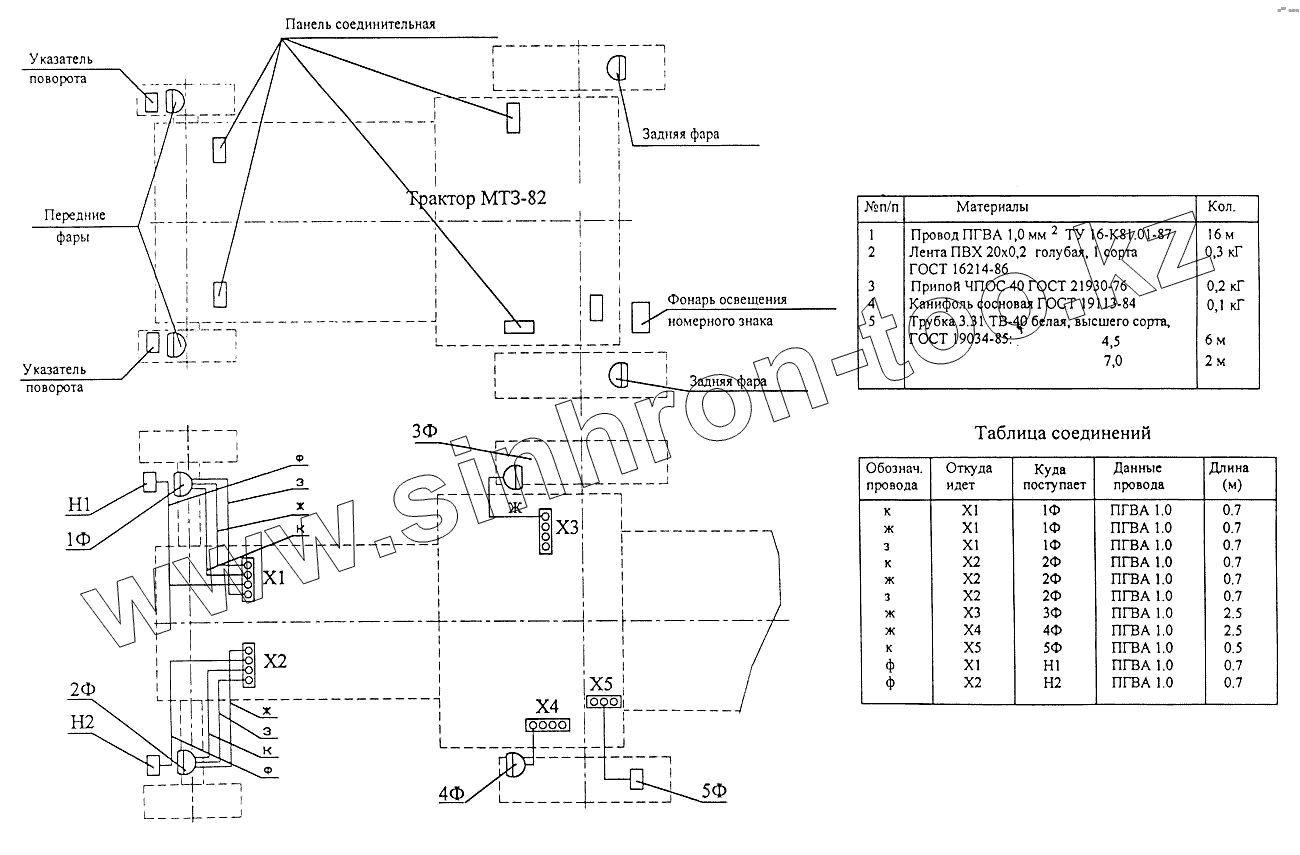
Схема электрическая
Каталог запасных частей к технике: ДЭЗ ФД-500. Схема электрическая
zoom-in
zoom-out
enlarge
shrink
circle-right
circle-left
file-text2
info
cart
Тип техники
Не выбрано
Легковые автомобили
Грузовые автомобили и прицепы
Автобусы
Сельхозтехника
Спецтехника
Двигатели
Мототехника
Марка
Не выбрано
Ammann
BOMAG
CARMIX
CASE IH
Changlin
ChengGong
Dimex
Doosan
DYNAPAC
Foton
HAMM
Hidromek
Hitachi
Hyundai
JCB
JLG
John Deere
Komatsu
LIEBHERR
LiuGong
Lonking (LongGong)
Luneng
MANITOU
Mitsuber
New Holland
PENGPU
RM-Terex
SANY
SDLG
SEM
Shantui
Shehwa HBXG
Soosan
TIGARBO
VOGELE
Volvo
WAY
WIRTGEN
XCMG
XGMA
Xiamen
YTO
Yuchai
Zoomlion
Автокран
АЗСМ
Алтайлесмаш
Амкодор
АОМЗ
Атек
АТЗ
Балканкар Рекорд
БелАЗ
Беловеж
Борекс
Брянский Арсенал
Булат
ВЭКС
ГАЗ
Геомаш
Гидромаш
Донекс
Дормаш
Дормашина
Дорэлектромаш
ДЭЗ
ЕлАЗ
ЗЗГТ
Ижнефтемаш
Канаш-электрокар
КЗКТ
ККЗ
Клевер
Клинцовский автокрановый завод
КМЗ
КМЗ 1 Мая
Ковровец
Коммаш
Кранэкс
КЭЗ
КЭМЗ
ЛЗА
МАЗ
МЗИК
МЗКМ
МЗКТ
Михневский РМЗ
МоАЗ
Мозырский МЗ
МТЗ
ОЗП
Онежец
ПАО "ТЗА"
ППС Детва
Промтрактор
ПТЗ
Раскат
СпецАгрегат
ТВЭКС
ТТМ
УВЗ
Угличмаш
УЗТМ
ХТЗ
ЧЗКМ
ЧСДМ
ЧТЗ
ЭКСКО
ЭКСМАШ
ЮрМаш
Модель
Не выбрано
ФД-500
ФД-500 (каталог 2006 г)
ЭТЦ-1609
ЭТЦ-1609 (каталог 2006 г)
ЭТЦ-201
Схема
>
Не выбрано
Рама
Ходоуменьшитель
Ходоуменьшитель
Бульдозер
Доработка трактора
Схема электрическая
Схема кинематическая
Редуктор угловой
Трансмиссия
Вал карданный
Редуктор угловой
Редуктор угловой
Редуктор бортовой
Редуктор бортовой
Редуктор бортовой
Установка рабочего органа
Система водоснабжения
Установка катков опорных
Установка фиксатора
Общий вид ФД
Корпус фрезы
Рама ФДН
Установка гидроцилиндров
Цилиндр
Установка дросселя
Гидробак
Фильтр линейный
Гидросистема
Гидросистема
Позиция на иллюстрации
Заводской номер детали
Название детали
ЭТЦ-1609.00.00.000 Э4
ЭТЦ-1609.00.00.000 Э4
Схема электрическая
Содержащиеся в справочниках-каталогах запасные части и детали не предлагаются к продаже, а носят исключительно информационный характер
Дополнительная информация
×
Название:
Номер:
Примечание: