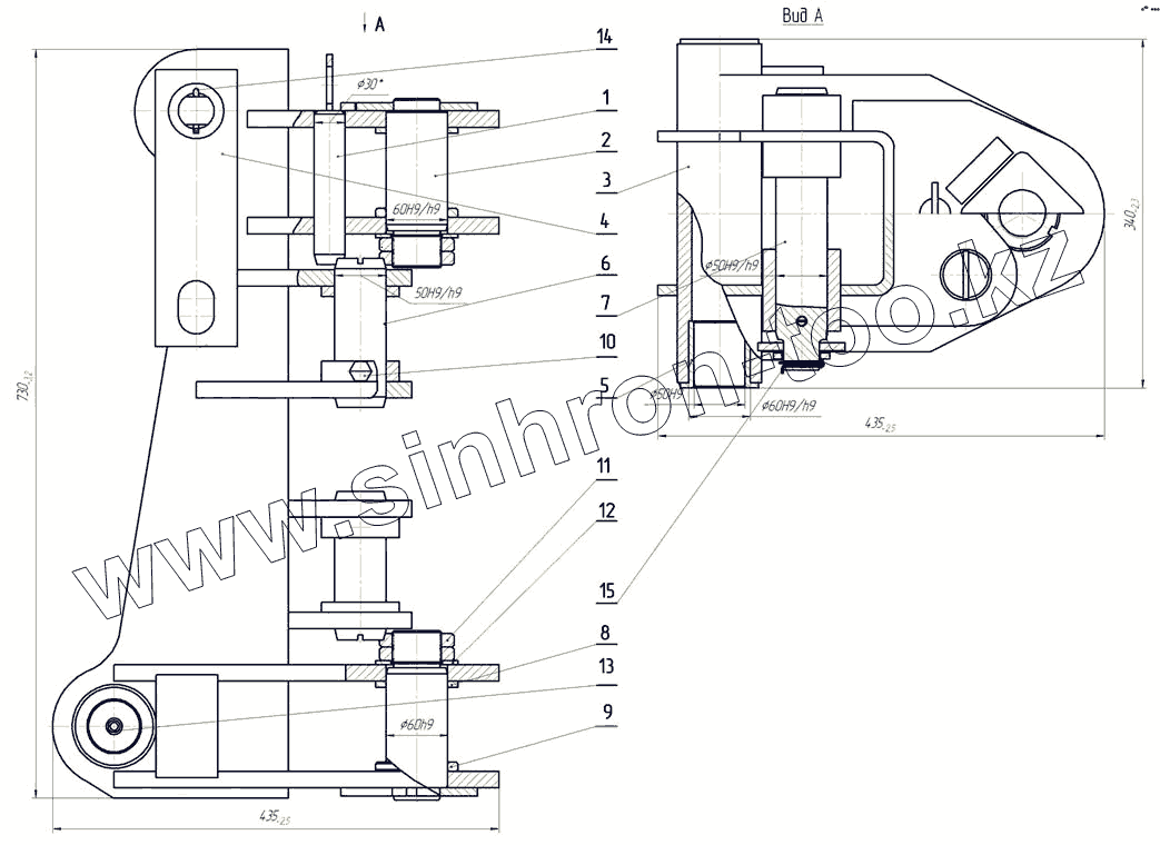
Каталог запасных частей к технике: ЧЗКМ ЭО-2621. Колонка
1
2
3
4
5
6
7
8
9
10
11
12
13
14
15
| Позиция на иллюстрации | Заводской номер детали | Название детали | |
|---|---|---|---|
| 1 | 0102-020 | Палец | |
| 2 | 0102-030 | Палец | |
| 3 | 0102-100 | Мет. конструкция колонки | |
| 4 | 0102-001 | Тяга | |
| 5 | 0102-002 | Втулка | |
| 6 | 0102-003 | Палец | |
| 7 | 0102-004 | Палец | |
| 8 | 0102-005 | Кольцо | |
| 9 | 0102-006 | Шайба установочная | |
| 10 | 0102-007 | Болт с доработкой | |
| 11 | 0102-008 | Гайка кругл. спец. | |
| 12 | 0102-009 | Шайба | |
| 13 | ГОСТ 19853-74 | Масленка 1.2.Ц6 | |
| 14 | ГОСТ 397-79 | Шплинт 4x32.019 | |
| 15 | ГОСТ 397-79 | Шплинт 4x32.019 |
Содержащиеся в справочниках-каталогах запасные части и детали не предлагаются к продаже, а носят исключительно информационный характер