Каталог запасных частей к технике: ЧТЗ Т-170М-01. Стартер пускового двигателя
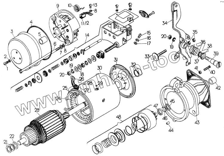
1
2
3
4
5
6
7
8
8
9
10
11
12
13
14
15
16
17
18
19
19
20
20
21
22
23
24
25
26
27
28
29
30
31
32
33
34
35
36
37
38
39
40
41
42
43
44
45
46
47
48
| Позиция на иллюстрации | Заводской номер детали | Название детали | |
|---|---|---|---|
| СТ230Е-3708 000-Э | СТ230Е-3708 000-Э | Стартер | |
| СТ230Е-3708400 | СТ230Е-3708400 | Крышка | |
| СТ230Е-3708 00-Т | СТ230Е-3708 00-Т | Стартер | |
| 1 | Винт В.2М4х8.58.016 | Винт В.2М4х8.58.016 | |
| 2 | Шайба 4Н 65Г 016 | Шайба 4Н 65Г 016 | |
| 3 | СТ230-3708 041 | Кожух | |
| 4 | СТ230-3708042 | Кольцо уплотнительное | |
| 5 | СТ230-3708302 | Вкладыш | |
| 6 | СТ230-3708003 | Шпилька | |
| 7 | СТ230-3708001 | Шайба | |
| 8 | Шайба 6Т 65Г 09 | Шайба 6Т 65Г 09 | |
| 9 | СТ230-3708300 | Крышка | |
| 10 | СТ230-3708304 | Пружина | |
| 11 | ФЭ-3.599.164-02 | Щетка в сборе | |
| 12 | ФЭ-3.599.164-02 | Щетка в сборе | |
| 13 | Винт В.2М5х12.58.016 | Винт В.2М5х12.58.016 | |
| 14 | ВК14-3708000 | Выключатель | |
| 15 | Винт В.2М5х22.58.016 | Винт В.2М5х22.58.016 | |
| 16 | Шайба 5Т 65Г 016 | Шайба 5Т 65Г 016 | |
| 17 | Шайба 5.01.016 | Шайба 5.01.016 | |
| 18 | Шайба 8х1.016 | Шайба 8х1.016 | |
| 19 | Шайба 8 65Г 016 | Шайба 8 65Г 016 | |
| 20 | 45 9553 1055 | Гайка М8-6Н.6.016 | |
| 21 | СТ230-3708009 | Шайба | |
| 22 | СТ230-3708245 | Шайба | |
| 23 | СТ230-3708200 | Якорь | |
| 24 | СТ230-3708110 | Катушки полюсов | |
| 25 | СТ230-3708102 | Полюс | |
| 26 | СТ230Е-3708 180 | Вывод | |
| 27 | СТ230-3708106 | Втулка | |
| 28 | СТ230-3708316 | Шпилька 1-ГБФ-95 | |
| 29 | СТ230-3708105 | Винт полюса Х1-9449 | |
| 30 | СТ230Е-3708100 | Корпус | |
| 31 | СТ230-3708051 | Держатель подшипника | |
| 32 | СТ230-3708052 | Вкладыш | |
| 33 | СТ8-3708080 | Штифт | |
| 34 | СТ230Е-3708020 | Рычаг | |
| 35 | Гайка М6.6Н.5.016 | Гайка М6.6Н.5.016 | |
| 36 | СТ8-3708 016 | Пружина | |
| 37 | МХ-0467 | Шайба | |
| 38 | СТ8-3708015 | Втулка | |
| 39 | СТ8-3708014 | Ось | |
| 40 | Винт В.М5х30.56 | Винт В.М5х30.56 | |
| 41 | Гайка М5.6Н.5.016 | Гайка М5.6Н.5.016 | |
| 42 | СТ230-3708402 | Вкладыш СХ-138-58 | |
| 43 | СТ230Е-3708401 | Крышка | |
| 44 | СТ230-3708406 | Штифт | |
| 45 | СТ230-3708005 | Шайба | |
| 46 | СТ230-3708007 | Кольцо | |
| 47 | СТ230-3708004 | Кольцо | |
| 48 | СТ230-3708600-01 | Привод |
Содержащиеся в справочниках-каталогах запасные части и детали не предлагаются к продаже, а носят исключительно информационный характер