Каталог запасных частей к технике: ЧТЗ Т-170М-01. Регуляторы дизеля
1
2
3
4
4
4
5
5
5
5
5
5
5
6
7
8
9
10
11
12
12
13
14
15
16
16
16
16
17
18
19
20
21
22
23
24
25
26
26
27
27
28
29
30
31
32
33
34
35
36
36
36
36
36
36
37
38
39
40
41
42
43
44
44
45
46
47
48
48
48
49
49
50
51
52
53
54
55
55
56
57
57
58
58
59
60
61
62
63
63
64
65
66
66
67
68
69
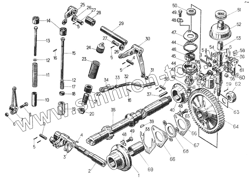
| Позиция на иллюстрации | Заводской номер детали | Название детали | |
|---|---|---|---|
| 29-06-102СП | 29-06-102СП | Валик | |
| 29-06-101СП | 29-06-101СП | Вал привода | |
| 51-06-101СП | 51-06-101СП | Тяга | |
| 06336СП | 06336СП | Рычаг двуплечий | |
| 51-06-3-01СП | 51-06-3-01СП | Регулятор дизеля для тракторов Т-170.01 | |
| 51-06-1СП | 51-06-1СП | Регулятор дизеля для тракторов Т-170.01 | |
| 16-06-5-01СП | 16-06-5-01СП | Регулятор дизеля | |
| 16-06-3СП | 16-06-3СП | Регулятор дизеля | |
| 16-06-106СП | 16-06-106СП | Пружина | |
| 06328СП | 06328СП | Муфта | |
| 06367СП | 06367СП | Подшипник | |
| 06581СП | 06581СП | Валик | |
| 06581СП | 06581СП | Валик | |
| 06582СП | 06582СП | Валик | |
| 29-06-103СП | 29-06-103СП | Груз регулятора | |
| 06584СП | 06584СП | Груз регулятора | |
| 1 | 6368 | Корпус | |
| 2 | 6339 | Валик | |
| 3 | 6340 | Рычаг трехплечий | |
| 4 | 341 | Шпонка | |
| 4 | 341 | Шпонка | |
| 5 | Шплинт 2х12.019 | Шплинт 2х12.019 | |
| 6 | Гайка М8.6.019 | Гайка М8.6.019 | |
| 7 | 16-06-13-1 | Рычаг | |
| 8 | 2848 | Болт | |
| 9 | 6347 | Палец | |
| 10 | 6353 | Упор минимальной подачи | |
| 11 | 38349 | Пружина | |
| 12 | 31365 | Шайба | |
| 13 | 6352 | Болт минимальной подачи | |
| 14 | 6348 | Муфта | |
| 15 | 06375СП | Болт максимальной подачи | |
| 16 | 700-32-2183 | Штифт | |
| 16 | 700-32-2182 | Штифт | |
| 16 | 700-32-2181 | Штифт | |
| 17 | 38348 | Пружина | |
| 18 | 6350 | Колпачок | |
| 19 | 6351 | Упор максимальной подачи | |
| 20 | 3031-2 | Гайка | |
| 21 | 6346 | Наконечник | |
| 22 | 6345 | Наконечник | |
| 23 | 700-38-2181 | Пружина | |
| 24 | 6592 | Наконечник | |
| 25 | 51-06-2 | Рычаг | |
| 26 | 6334 | Ролик | |
| 27 | 6335 | Валик | |
| 28 | 6332 | Втулка | |
| 29 | 06331-1 | Валик регулятора | |
| 30 | 51-06-1 | Рычаг | |
| 31 | 6338 | Втулка | |
| 32 | 51-06-4 | Тяга | |
| 33 | Гайка М6.6.019 | Гайка М6.6.019 | |
| 34 | 51-06-5 | Вилка | |
| 35 | 06361-1 | Валик привода | |
| 36 | 6322 | Ось | |
| 36 | 6322 | Ось | |
| 36 | 6322 | Ось | |
| 37 | 34116 | Шпонка | |
| 38 | 14-06-3 | Прокладка | |
| 39 | 3432 | Шпонка | |
| 40 | 06370-1 | Шестерня | |
| 41 | 30225 | Гайка | |
| 42 | 31363 | Шайба | |
| 43 | 6324 | Шестерня | |
| 44 | 6327 | Прокладка | |
| 45 | 6593 | Корпус | |
| 46 | Подшипник 203 | Подшипник 203 | |
| 47 | 6576 | Фланец | |
| 48 | 31366 | Шайба | |
| 49 | Болт М8х20.58.019 | Болт М8х20.58.019 | |
| 50 | Подшипник 8104 | Подшипник 8104 | |
| 51 | Подшипник 8205 | Подшипник 8205 | |
| 52 | 06534-1 | Муфта | |
| 53 | 6330 | Втулка | |
| 54 | 6583 | Валик регулятора | |
| 55 | 6318 | Втулка | |
| 56 | 6323 | Ось | |
| 57 | 29-06-2 | Груз регулятора | |
| 57 | 6585 | Груз регулятора | |
| 58 | 6321 | Сухарь | |
| 59 | Шплинт 2х16.019 | Шплинт 2х16.019 | |
| 60 | 31386 | Шайба | |
| 61 | 32251 | Штифт | |
| 62 | 30227 | Гайка | |
| 63 | 31364 | Пластина | |
| 63 | 31364 | Пластина | |
| 64 | 29-06-1 | Шестерня | |
| 65 | Болт М8х25.88.35.019 | Болт М8х25.88.35.019 | |
| 66 | 6363 | Плита | |
| 67 | 6364 | Втулка | |
| 68 | 6615 | Шайба | |
| 69 | 67205 | Втулка |
Содержащиеся в справочниках-каталогах запасные части и детали не предлагаются к продаже, а носят исключительно информационный характер