Каталог запасных частей к технике: ЧТЗ Т-170М-01. Механизм управления поворотом
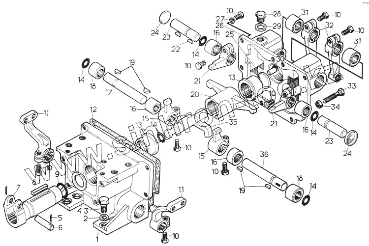
1
2
3
4
5
6
7
8
9
10
10
10
10
10
10
10
10
10
10
11
11
12
13
13
14
14
14
14
14
15
15
16
16
16
16
17
18
18
19
19
20
21
21
22
23
23
24
24
25
26
27
28
29
30
31
31
32
33
34
35
36
| Позиция на иллюстрации | Заводской номер детали | Название детали | |
|---|---|---|---|
| 24-13-102-СП | 24-13-102-СП | Корпус | |
| 24-13-103-СП | 24-13-103-СП | Корпус | |
| 50-13-5СП | 50-13-5СП | Механизм управления поворотом | |
| 24-13-104-СП | 24-13-104-СП | Крышка | |
| 1 | 24-13-3 | Корпус | |
| 2 | Шайба 16 ОТ 65Г 09 | Шайба 16 ОТ 65Г 09 | |
| 3 | 28431 | Болт | |
| 4 | 18-17-87 | Кольцо | |
| 5 | Шплинт 2,5х25 | Шплинт 2,5х25 | |
| 6 | 35-13-30 | Палец | |
| 7 | 24-13-105-СП | Валик | |
| 8 | 700-34-2048 | Шпонка | |
| 9 | Кольцо 038-046-46-2-2 | Кольцо 038-046-46-2-2 | |
| 10 | Болт М10х25.58.019 | Болт М10х25.58.019 | |
| 10 | Болт М10х25.58.019 | Болт М10х25.58.019 | |
| 11 | 50-13-29 | Рычаг | |
| 12 | 700-40-3114 | Прокладка | |
| 13 | 35-13-16-1 | Втулка | |
| 14 | Кольцо 020-025-30-2-2 | Кольцо 020-025-30-2-2 | |
| 15 | 50-13-2 | Рычаг | |
| 16 | 50-15-22 | Втулка | |
| 17 | 24-13-21 | Валик | |
| 18 | 50-13-56 | Втулка | |
| 19 | 34128 | Шпонка | |
| 20 | 35-13-9 | Рычаг | |
| 21 | 35-13-11-1 | Рычаг | |
| 22 | 700-34-2040 | Шпонка | |
| 23 | 24-13-18 | Валик | |
| 24 | 13410 | Заглушка | |
| 25 | 18-17-9 | Заглушка | |
| 26 | 24-13-4 | Крышка | |
| 27 | Шайба 10 ОТ 65Г 09 | Шайба 10 ОТ 65Г 09 | |
| 28 | 2621 | Пробка | |
| 29 | 700-40-7114 | Прокладка | |
| 30 | 700-32-2198 | Штифт | |
| 31 | 50-13-25 | Втулка | |
| 32 | 18-17-29-1 | Рычаг | |
| 33 | 700-28-2381 | Болт | |
| 34 | Гайка М10.6.019 | Гайка М10.6.019 | |
| 35 | 50-13-101-СП | Рычаг | |
| 36 | 24-13-20 | Валик |
Содержащиеся в справочниках-каталогах запасные части и детали не предлагаются к продаже, а носят исключительно информационный характер