Вернуться на главную
Поиск
Каталоги запчастей к технике
Спецтехника
ЧТЗ
Т-170М-01
Механизм ручного вращения коленчатого вала пускового двигателя
Каталог запасных частей к технике: ЧТЗ Т-170М-01. Механизм ручного вращения коленчатого вала пускового двигателя
zoom-in
zoom-out
enlarge
shrink
circle-right
circle-left
file-text2
info
cart
Тип техники
Не выбрано
Легковые автомобили
Грузовые автомобили и прицепы
Автобусы
Сельхозтехника
Спецтехника
Двигатели
Мототехника
Марка
Не выбрано
Ammann
BOMAG
CARMIX
CASE IH
Changlin
ChengGong
Dimex
Doosan
DYNAPAC
Foton
HAMM
Hidromek
Hitachi
Hyundai
JCB
JLG
John Deere
Komatsu
LIEBHERR
LiuGong
Lonking (LongGong)
Luneng
MANITOU
Mitsuber
New Holland
PENGPU
RM-Terex
SANY
SDLG
SEM
Shantui
Shehwa HBXG
Soosan
TIGARBO
VOGELE
Volvo
WAY
WIRTGEN
XCMG
XGMA
Xiamen
YTO
Yuchai
Zoomlion
Автокран
АЗСМ
Алтайлесмаш
Амкодор
АОМЗ
Атек
АТЗ
Балканкар Рекорд
БелАЗ
Беловеж
Борекс
Брянский Арсенал
Булат
ВЭКС
ГАЗ
Геомаш
Гидромаш
Донекс
Дормаш
Дормашина
Дорэлектромаш
ДЭЗ
ЕлАЗ
ЗЗГТ
Ижнефтемаш
Канаш-электрокар
КЗКТ
ККЗ
Клевер
Клинцовский автокрановый завод
КМЗ
КМЗ 1 Мая
Ковровец
Коммаш
Кранэкс
КЭЗ
КЭМЗ
ЛЗА
МАЗ
МЗИК
МЗКМ
МЗКТ
Михневский РМЗ
МоАЗ
Мозырский МЗ
МТЗ
ОЗП
Онежец
ПАО "ТЗА"
ППС Детва
Промтрактор
ПТЗ
Раскат
СпецАгрегат
ТВЭКС
ТТМ
УВЗ
Угличмаш
УЗТМ
ХТЗ
ЧЗКМ
ЧСДМ
ЧТЗ
ЭКСКО
ЭКСМАШ
ЮрМаш
Модель
Не выбрано
Бульдозер Б11 (2010)
Бульдозер Б12 (2010)
Бульдозер Б14 (2010)
ДЭТ-250М2 (2000)
Кран ТР-20, ТР-12 (2006)
Рабочее оборудование Б10М (2006)
Т-10.02 (1995)
Т-10М (2012)
Т-130 (1990)
Т-170
Т-170М-01
Схема
>
Не выбрано
Платформа
Площадка
Площадка (продолжение)
Установка кабины
Кабина. Детали кабины
Кабина. Детали кабины
Кабина. Детали кабины
Кабина. Дверь люка
Установка кожухов
Установка утеплительных чехлов
Щитки
Коврики
Установка сиденья
Сиденье
Четырехзвенник
Детали сиденья
Фиксаторы
Установка отопителя кабины
Установка вентилятора кабины
Вентилятор-пылеотделитель
Капот
Блок дизеля
Картер двигателя
Сапун
Кожух шестерен распределения
Кожух маховика дизеля
Блок-картер пускового двигателя
Блок пускового двигателя
Головка цилиндров
Кривошипно-шатунный механизм дизеля
Коленчатый вал дизеля. Комплект для поставки в запчасти
Шатун. Комплект для поставки в запчасти
Кривошипно-шатунный механизм пускового двигателя
Механизм газораспределения дизеля
Механизм газораспределения пускового двигателя
Установка агрегатов систем впуска и выпуска
Установка коллекторов
Установка коллекторов на дизеле с ЭССП
Воздухоочиститель дизеля
Установка воздухоочистителя пускового двигателя
Регуляторы дизеля
Корпус регулятора дизеля
Регулятор пускового двигателя
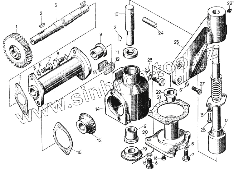
Механизм ручного вращения коленчатого вала пускового двигателя
Управление топливным насосом дизеля. Механизм пуска пускового двигателя электростартером
Блок управления дизелем с пусковым двигателем
Управление дизелем (с пусковым двигателем)
Управление декомпрессором дизеля с ЭССП
Установка топливного бака пускового двигателя
Установка топливного бака трактора
Блок топливного насоса
Механизм привода плунжеров
Секция топливного насоса
Форсунки с трубками высокого давления
Установка топливного фильтра грубой очистки
Установка топливного фильтра тонкой очистки
Установка топливоподкачивающего насоса
Топливоподкачивающий насос. Детали
Акселератор
Корпус акселератора
Корпус акселератора
Редуктор пускового двигателя
Турбокомпрессор
Корпус средний
Корпус турбины
Ротор
Корпус компрессора
Вентилятор
Насос
Системы охлаждения
Установка шторки
Радиатор
Установка масляных радиаторов
Системы смазки дизеля
Системы смазки
Валики привода масляного насоса
Насос масляный
Центрифуга масляная
Установка маслозакачивающего насоса
Корпус бортовых фрикционов с лонжеронами
Главная передача с бортовыми фрикционами
Бортовые фрикционы
Сервомеханизм
Детали управления трансмиссией
Фланец ведущий с деталями
Шестерня двойная с деталями крепления
Детали бортовых редукторов (кожух, полуось, подшипники, ступица, шестерни)
Детали бортовых редукторов (концевой подшипник, крышки. уплотнения)
Детали бортовых редукторов (ведущее колесо, лабиритное уплотнение, проставка, крепежные детали)
Система смазки трансмиссии
Система смазки трансмиссии
Насос НМШ-25 с деталями системы смазки
Насос шестеренный НМШ-25
Установка щитков
Уравновешивающий механизм
Редукторы бортовые для тракторов Т-170.00
Редукторы бортовые (продолжение)
Редукторы бортовые для тракторов Т-170.01
Муфта сцепления
Муфта включения
Диск ведомый
Детали муфты сцепления болотоходных тракторов
Механизмы управления муфтой и стояночным тормозом
Сервомеханизм муфты сцепления
Муфта сцепления
Вал верхний
Вал первый промежуточный
Вал второй промежуточный
Вал нижний
Детали крепления вала 50-12-246СП
Детали крепления вала 50-12-230СП
Детали крепления валов 50-12-247СП и 50-12-298СП
Детали крепления валов 50-12-224СП и 50-12-297СП
Валики, вилки переключения передач, детали крепления
Корпус коробки передач с механизмами переключения, крышками и деталями крепления
Механизм переключения передач
Механизм переключения передач тракторов болотоходных модификаций
Установка рессоры
Тележки гусениц
Тележки гусениц
Колеса натяжные
Катки однобортные и двубортные
Гусеницы
Механизм натяжения и сдавания
Механизм управления поворотом
Механизм управления поворотом (продолжение)
Гидравлическая система управления трактором
Насос шестеренный
Тормоза
Электрооборудование пускового двигателя
Магнето
Пластина прерывателя
Стартер пускового двигателя
Электрооборудование трактора с пусковым двигателем
Электрооборудование трактора с пусковым двигателем
Установка аккумуляторных батарей на тракторе с пусковым двигателем
Установка генератора, сигнала и фар
Генератор
Детали, применяемые в электрооборудовании
Электрооборудование трактора с электростартерной системой пуска (ЭССП) дизеля
Электрооборудование трактора с электростартерной системой пуска (ЭССП) дизеля
Установка аккумуляторных батарей на тракторе с электростартерной системой пуска (ЭССП) дизеля
Стартер для пуска дизеля
Стартер для пуска дизеля
Установка стартера
Подсоединение проводов и жгутов к щитку приборов 50-10-694СП
Подсоединение проводов и жгутов к щитку приборов 50-10-693СП (ЭСПП)
Щиток приборов для трактора с пусковым двигателем
Щиток приборов тракторов с электростартерной системой пуска
Прицепное устройство жесткого типа
Прицепное устройство маятникового типа
Механизм навески
Тяга центральная
Установка механизма задней навески
Установка гидравлической системы
Установка передних трубопроводов и гидроцилиндров
Установка рукавов управления задним механизмом навески
Установка трубопроводов управления задним механизмом навески болотоходных тракторов
Баки гидросистемы
Фильтр гидросистемы
Установка привода насоса
Гидрораспределитель. Крышка верхняя с деталями
Корпус гидрораспределителя
Крышка нижняя с деталями и золотник
Установка рычагов гидрораспределителя
Насос шестеренный НШ 100А-3Л (3ЛТ)
Детали насоса НШ 100А-3Л (3ЛТ)
Гидроцилиндр (устанавливаемый спереди трактора)
Гидроцилиндр задней навески
1
2
2
2
3
4
5
6
6
6
6
6
6
6
7
7
7
7
8
8
9
9
10
11
12
13
14
15
16
17
18
19
20
21
22
23
24
25
26
27
28
Позиция на иллюстрации
Заводской номер детали
Название детали
17-74-199СП
17-74-199СП
Корпус
17-74-197СП
17-74-197СП
Корпус
16-74-1СП
16-74-1СП
Устройство ручного запуска
16-74-8СП
16-74-8СП
Механизм ручного вращения коленчатого вала пускового двигателя
17-74-198СП
17-74-198СП
Кронштейн
1
17-01-22
Шестерня
2
34126
Шпонка
2
34126
Шпонка
3
17-74-257
Валик
4
700-40-6763
Прокладка
5
17-74-284
Кронштейн
6
Шайба 10 ОТ 65Г 09
Шайба 10 ОТ 65Г 09
6
Шайба 10 ОТ 65Г 09
Шайба 10 ОТ 65Г 09
6
Шайба 10 ОТ 65Г 09
Шайба 10 ОТ 65Г 09
7
Болт М10х25.58.019
Болт М10х25.58.019
7
Болт М10х25.58.019
Болт М10х25.58.019
8
Болт М10х20.58.019
Болт М10х20.58.019
9
17-74-283
Втулка
10
17-74-282
Валик
11
40251СП
Сальник
12
700-40-3110
Прокладка
13
700-40-3109
Прокладка
14
17-74-280
Корпус
15
74116
Шестерня
16
40957
Прокладка
17
16-74-101СП
Валик
18
371-1
Пробка
19
74123
Шестерня
20
74120
Опора
21
40956
Прокладка
22
74121-1
Втулка
23
371-1
Пробка
24
74124
Палец
25
51-74-1
Кронштейн
26
Масленка 1.3. Ц6
Масленка 1.3. Ц6
27
Болт М10х30.58.019
Болт М10х30.58.019
28
Болт М10х22.58.019
Болт М10х22.58.019
Содержащиеся в справочниках-каталогах запасные части и детали не предлагаются к продаже, а носят исключительно информационный характер
Дополнительная информация
×
Название:
Номер:
Примечание: