Каталог запасных частей к технике: ЧТЗ Т-170М-01. Магнето
1
2
2
3
3
4
4
5
5
6
6
7
7
8
8
9
9
9
9
9
9
10
10
11
11
12
12
13
13
14
14
15
16
17
17
18
18
18
19
19
20
20
21
21
22
22
23
23
24
24
25
26
26
27
28
28
28
28
28
29
30
30
31
32
32
33
34
34
35
35
36
36
37
37
38
38
39
39
40
40
41
41
42
42
43
43
44
44
45
45
46
46
47
47
48
48
49
50
50
51
51
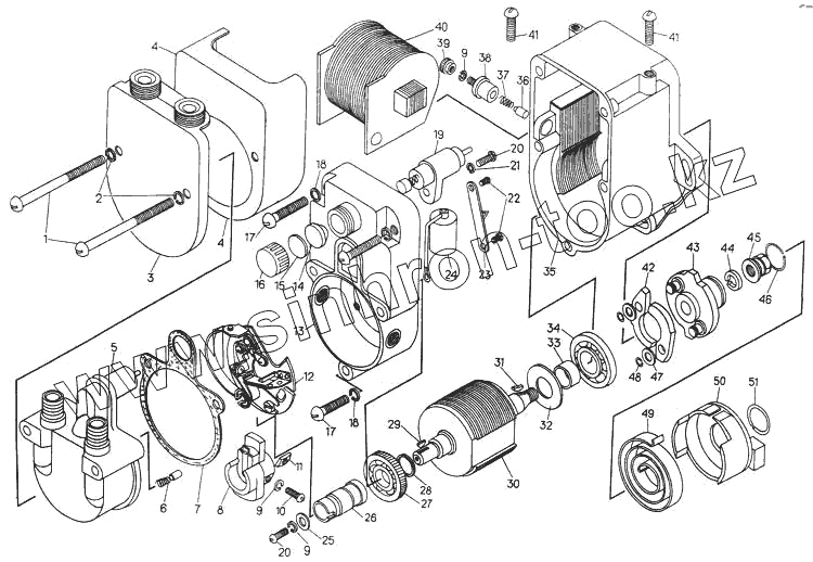
| Позиция на иллюстрации | Заводской номер детали | Название детали | |
|---|---|---|---|
| М149А-3728000-01 | М149А-3728000-01 | Магнето М149А | |
| М149А-3728000-02 | М149А-3728000-02 | Магнето М149А | |
| М149-3728200 | М149-3728200 | Ротор в сборе | |
| М149-3728200-01 | М149-3728200-01 | Ротор в сборе | |
| М149-3728000-01 | М149-3728000-01 | Пусковой ускоритель | |
| М149-3728000 | М149-3728000 | Пусковой ускоритель | |
| 1 | НО-0426 | Винт | |
| 2 | Б21-3705 009 | Шайба пружинная | |
| 2 | Б21-3705 009-01 | Шайба пружинная | |
| 3 | М68-3728 850-02 | Крышка экрана в сборе | |
| 3 | М68-3728850-01 | Крышка экрана в сборе | |
| 4 | М68-3728 002 | Корпус экрана | |
| 5 | М68Б-3728600 | Крышка распределителя в сборе | |
| 5 | М68Б-3728600-01 | Крышка распределителя в сборе | |
| 6 | М11-5194 | Контакт с пружиной | |
| 6 | М11-5194 | Контакт с пружиной | |
| 7 | М46Б-3728 604-01 | Прокладка | |
| 7 | М46Б-3728 604 | Прокладка | |
| 8 | М47Б1-3728700 | Бегунок | |
| 8 | М47Б1-3728700-01 | Бегунок | |
| 9 | Х-1012 | Шайба | |
| 9 | Х-1012 | Шайба | |
| 9 | Х-1012-01 | Шайба | |
| 9 | Х-1012-01 | Шайба | |
| 10 | НО-0604 | Винт | |
| 10 | НО-0604 | Винт | |
| 11 | М48Б1-3728 703 | Гайка специальная | |
| 11 | М48Б1-3728 703 | Гайка специальная | |
| 12 | М149-3728 500-01 | Пластина прерывателя магнето | |
| 12 | М149-3728 500-02 | Пластина прерывателя магнето | |
| 13 | М149-3728300-02 | Крышка в сборе | |
| 13 | М149-3728300-01 | Крышка в сборе | |
| 14 | ЕСЭ-10-2774 | Шайба резиновая | |
| 14 | ЕСЭ-10-2774-01 | Шайба резиновая | |
| 15 | М149-3728 014 | Заглушка | |
| 16 | М42-3728 042-01 | Гайка зажимная | |
| 17 | М42-3728 009 | Винт | |
| 18 | Х-4001 | Шайба пружинная | |
| 18 | Х-4001-01 | Шайба пружинная | |
| 19 | М149-3728 310 | Вывод в сборе | |
| 19 | М149-3728 310-01 | Вывод в сборе | |
| 20 | ДС1-3701 107 | Винт | |
| 21 | М11-41079 | Шайба пружинная | |
| 21 | М11-41079 | Шайба пружинная | |
| 22 | 7Х-1554 | Винт | |
| 22 | 7Х-1554 | Винт | |
| 23 | М149-3728 303-12 | Держатель конденсатора | |
| 23 | М149-3728 303-12 | Держатель конденсатора | |
| 24 | Конденсатор К-42-18-8-0,2uF | Конденсатор К-42-18-8-0,2uF | |
| 24 | Конденсатор К-42-18-8-0,2uF | Конденсатор К-42-18-8-0,2uF | |
| 25 | М48Б1-3728 003-11 | Шайба | |
| 26 | М47Б1-3728 005 | Кулачок | |
| 26 | М47Б1-3728 005-01 | Кулачок | |
| 27 | Подшипник 6012 | Подшипник 6012 | |
| 28 | Х3-108-59 | Шайба регулировочная толщиной 0,1 | |
| 28 | Х3-108-58 | Шайба регулировочная толщиной 0,15 | |
| 28 | Х3-108-57 | Шайба регулировочная толщиной 0,2 | |
| 28 | Х3-108-56 | Шайба регулировочная толщиной 0,3 | |
| 28 | Х3-108-55 | Шайба регулировочная толщиной 0,5 | |
| 29 | М11-40063 | Шпонка | |
| 30 | М149-3728 210 | Ротор | |
| 30 | М149-3728 210-01 | Ротор | |
| 31 | М11-41114 | Шпонка | |
| 32 | М42-3728 203-01 | Шайба маслоотражательная | |
| 32 | М42-3728 203 | Шайба маслоотражательная | |
| 33 | М42-3728 206 | Втулка | |
| 34 | Подшипник 6015 | Подшипник 6015 | |
| 34 | Подшипник 6016 | Подшипник 6016 | |
| 35 | М149-3728100-01 | Корпус в сборе | |
| 35 | М149-3728100-02 | Корпус в сборе | |
| 36 | М42-3728 016 | Контакт | |
| 36 | М42-3728 016-01 | Контакт | |
| 37 | М11-1575 | Пружина | |
| 37 | М11-1575-01 | Пружина | |
| 38 | М12-3728 130-01 | Клемма выключения | |
| 38 | М21-3728 130 | Клемма выключения | |
| 39 | М8Т-3707 012 | Гайка | |
| 39 | М8Т-3707 012 | Гайка | |
| 40 | М149-3728 400-01 | Трансформатор в сборе | |
| 40 | М149-3728 400 | Трансформатор в сборе | |
| 41 | М42-3728 002 | Винт специальный | |
| 42 | МС9А-3728 001 | Защелка | |
| 42 | МС9А-3728 001-01 | Защелка | |
| 43 | МС149А-3728110 | Втулка | |
| 43 | МС149А-3728110 | Втулка | |
| 44 | Х-4069 | Шайба | |
| 44 | Х-4069-01 | Шайба | |
| 45 | МС22-3728 005 | Гайка | |
| 45 | МС22-3728 005 | Гайка | |
| 46 | МС22-3728 006-01 | Замок | |
| 46 | МС22-3728 006 | Замок | |
| 47 | ПУ-9353-12 | Шайба регулировочная | |
| 47 | ПУ-9353-12 | Шайба регулировочная | |
| 48 | ПУ-10-3214-01 | Замок | |
| 48 | ПУ-10-3214 | Замок | |
| 49 | МС9-3728 002 | Пружина | |
| 50 | МС149-3728 101-01 | Корпус | |
| 50 | МС149-3728 101-01 | Корпус | |
| 51 | МС22-3728 007 | Замок | |
| 51 | МС22-3728 007-01 | Замок |
Содержащиеся в справочниках-каталогах запасные части и детали не предлагаются к продаже, а носят исключительно информационный характер