Вернуться на главную
Поиск
Каталоги запчастей к технике
Спецтехника
ЧТЗ
Т-170
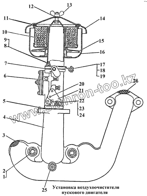
Установка воздухоочистителя пускового двигателя
Каталог запасных частей к технике: ЧТЗ Т-170. Установка воздухоочистителя пускового двигателя
zoom-in
zoom-out
enlarge
shrink
circle-right
circle-left
file-text2
info
cart
Тип техники
Не выбрано
Легковые автомобили
Грузовые автомобили и прицепы
Автобусы
Сельхозтехника
Спецтехника
Двигатели
Мототехника
Марка
Не выбрано
Ammann
BOMAG
CARMIX
CASE IH
Changlin
ChengGong
Dimex
Doosan
DYNAPAC
Foton
HAMM
Hidromek
Hitachi
Hyundai
JCB
JLG
John Deere
Komatsu
LIEBHERR
LiuGong
Lonking (LongGong)
Luneng
MANITOU
Mitsuber
New Holland
PENGPU
RM-Terex
SANY
SDLG
SEM
Shantui
Shehwa HBXG
Soosan
TIGARBO
VOGELE
Volvo
WAY
WIRTGEN
XCMG
XGMA
Xiamen
YTO
Yuchai
Zoomlion
Автокран
АЗСМ
Алтайлесмаш
Амкодор
АОМЗ
Атек
АТЗ
Балканкар Рекорд
БелАЗ
Беловеж
Борекс
Брянский Арсенал
Булат
ВЭКС
ГАЗ
Геомаш
Гидромаш
Донекс
Дормаш
Дормашина
Дорэлектромаш
ДЭЗ
ЕлАЗ
ЗЗГТ
Ижнефтемаш
Канаш-электрокар
КЗКТ
ККЗ
Клевер
Клинцовский автокрановый завод
КМЗ
КМЗ 1 Мая
Ковровец
Коммаш
Кранэкс
КЭЗ
КЭМЗ
ЛЗА
МАЗ
МЗИК
МЗКМ
МЗКТ
Михневский РМЗ
МоАЗ
Мозырский МЗ
МТЗ
ОЗП
Онежец
ПАО "ТЗА"
ППС Детва
Промтрактор
ПТЗ
Раскат
СпецАгрегат
ТВЭКС
ТТМ
УВЗ
Угличмаш
УЗТМ
ХТЗ
ЧЗКМ
ЧСДМ
ЧТЗ
ЭКСКО
ЭКСМАШ
ЮрМаш
Модель
Не выбрано
Бульдозер Б11 (2010)
Бульдозер Б12 (2010)
Бульдозер Б14 (2010)
ДЭТ-250М2 (2000)
Кран ТР-20, ТР-12 (2006)
Рабочее оборудование Б10М (2006)
Т-10.02 (1995)
Т-10М (2012)
Т-130 (1990)
Т-170
Т-170М-01
Схема
>
Не выбрано
Площадка
Площадка
Площадка
Платформа
Платформа
Кабина
Кабина
Кабина
Установка кабины
Установка кабины
Коврики
Дверь люка
Щитки
Установка утеплительных чехлов
Панели и уплотнения
Двери кабины
Дверь
Форточка
Установка сидений
Сиденье подрессоренное
Четырехзвенник
Сиденье
Замок
Установка отопителя кабины
Установка вентилятора кабины
Установка кожухов
Вентилятор-пылеотделитель
Отопитель-вентилятор
Установка отопителя-вентилятора
Капот
Капот
Капот
Блок с картерами и кожухами
Картер
Сапун
Сапун
Кожух шестерен распределения
Кожух маховика
Блок-картер
Блок с кожухом и головкой
Головка цилиндров
Кривошипно-шатунный механизм дизеля
Кривошипно-шатунный механизм дизеля
Кривошипно-шатунный механизм пускового двигателя
Механизм газораспределения дизеля
Механизм газораспределения пускового двигателя
Впускной и выпускной коллекторы
Всасывающие патрубки
Установка воздухоочистителя пускового двигателя
Регуляторы дизеля
Корпус регулятора
Регулятор пускового двигателя
Коленчатый вал дизеля. Комплект для поставки в запчасти
Шатун. Комплект для поставки в запчасти
Установка агрегатов систем впуска и выпуска
Установка коллекторов
Регуляторы дизеля
Блок топливного насоса
Механизм привода плунжеров
Секция топливного насоса
Форсунки с трубками высокого давления
Установка топливного Фильтра грубой очистки
Установка топливного Фильтра тонкой очистки
Топливоподкачивающий насос
Насос Топливоподкачивающий
Работомер
Муфта сцепления пускового двигателя
Механизм проворачивания вала пускового двигателя
Управление двигателем
Управление двигателем
Акселератор
Редуктор пускового двигателя
Турбокомпрессор
Заливная горловина
Секция топливного насоса
Установка топливного Фильтра грубой очистки
Фильтр топливный грубой очистки
Установка Фильтра тонкой очистки
Фильтр топливный
Топливоподкачивающий насос
У правление топливным насосом
Блок управления дизелем с пусковым двигателем
Управление дизелем с пусковым двигателем
Управление декомпрессором дизеля с электростартерной системой пуска
Акселератор
Блок управления топливным насосом
Установка бензобака пускового двигателя
Установка топливного бака
Установка вентилятора
Насос
Системы охлаждения
Установка радиаторов. Радиаторы масляные
Установка шторки
Установка радиаторов
Радиатор
Радиатор системы охлаждения
Системы смазки
Привод масляного насоса
Насос масляный
Центрифуга масляная
Установка маслозакачивающего насоса
Система смазки дизеля с электростартерным пуском
Установка маслозакачивающего насоса
Фильтр масляный
Валики привода масляного насоса
Установка воздухоочистителя дизеля
Воздухоочиститель дизеля
Установка воздухоочистителя пускового двигателя
Корпус бортовых Фрикционов с деталями трансмиссии
Главная передача с бортовыми Фрикционами
Бортовые Фрикционы
Сервомеханизм
Система рычагов управления трансмиссией
Система смазки трансмиссии
Система смазки трансмиссии
Установка щитков
Уравновешивающий механизм
Установка балки
Муфта сцепления
Муфта сцепления
Механизм управления муфтой сцепления и горным тормозом
Сервомеханизм муфты сцепления
Муфта сцепления
Муфта включения
Диск ведомый
Детали муфты сцепления болотоходных тракторов
Вилки переключения
Корпус коробки передач с крышками и механизмами переключения передач
Механизм переключения передач
Механизм переключения передач
Механизм переключения передач тракторов болотоходных модификаций
Редукторы бортовые для тракторов Т-170.00
Редукторы бортовые
Редукторы бортовые для тракторов Т-170.01
Шестерня двойная и детали крепления
Редукторы бортовые
Редукторы бортовые
Редукторы бортовые
Вал верхний в сборе
Вал первый промежуточный
Вал второй промежуточный
Вал нижний в сборе
Детали крепления валов 50-12-223СП, 50-12-246СП
Детали крепления вала 50-12-224СП
Детали крепления валов 50-12-225СП, 50-12-230СП
Детали крепления валов 50-12-226СП, 50-12-247СП
Детали крепления валов 50-12-247СП, 50-12-298СП
Установка рессоры
Тележки гусениц
Тележки гусениц
Колеса натяжные
Каток поддерживающий (применяются на тракторах Т-170.00)
Катки однобортные и двубортные
Механизм натяжения и механизм сдавания
Гусеницы
Тележки гусениц
Тележки гусениц
Тележки гусениц
Каток поддерживающий
Механизм управления поворотом
Механизм управления поворотом
Установка уплотнений рычагов управлений трактором
Установка гидравлической системы
Установка передних трубопроводов
Установка рукавов управления задним механизмом навески
Гидравлическая система управления трактором
Гидравлическая система управления трактором
Тормоза
Электрооборудование тракторов Т-170.00
Электрооборудование тракторов Т-170.00
Электрооборудование, применяемое на всех моделях тракторов
Электрооборудование тракторов с электростартерной системой пуска
Электрооборудование тракторов с электростартерной системой пуска
Электрооборудование пускового двигателя
Магнето
Пластина прерывателя
Стартер пускового двигателя
Установка аккумуляторных батарей
Генератор
Установка генератора, сигнала и Фар (для тракторов всех моделей)
Установка аккумуляторных батарей на тракторах с электростартерной системой пуска (ЭССП)
Стартер для пуска дизеля
Стартер для пуска дизеля
Установка стартера
Установка аккумуляторных батарей на тракторах с электростартерной системой пуска (ЭССП)
Жгуты электрические
Жгуты электрические
Блок клавишных выключателей
Электрооборудование кабины трактора с пусковым двигателем дизеля
Электрооборудование кабины трактора с электростартерным пуском дизеля
Подсоединение проводов и жгутов к приборам щитка 50-10-426СП
Подсоединение проводов и жгутов к приборам щитка 50-10-427СП
Щиток приборов для тракторов с пусковым двигателем
Щиток приборов для тракторов с электростартерной системой пуска
Щиток управления
Прицепное устройство маятникового типа
Прицепное устройство
Установка механизма навески
Механизм навески
Тяга центральная
Установка гидравлической системы
Установка передних трубопроводов и передних гидроцилиндров
Установка рукавов управления задним механизмом навески
Установка трубопроводов управления задним механизмом навески болотоходных тракторов
Баки гидросистемы
Фильтр гидросистемы
Установка привода насоса
Распределитель. Крышка верхняя с деталями
Корпус распределителя
Крышка нижняя с деталями и золотник
Установка рычагов гидрораспределителя
Насос шестеренный НШ100А-ЗЛ
Насос шестеренный
Насос, комплект
Насос шестеренный НМШ25
Детали насоса
Цилиндр (установленный спереди трактора)
Цилиндр задней навески
Баки гидросистемы
Установка привода насоса
Гидроцилиндр
Установка гидроцилиндров
Установка трубопроводов гидроперекоса отвала
Турбокомпрессор ТКР 8,5 С
1
2
3
4
5
6
7
8
9
10
11
12
13
14
15
16
17
18
19
20
21
22
23
24
25
26
Позиция на иллюстрации
Заводской номер детали
Название детали
17-05-182 СП
17-05-182 СП
Кронштейн
17-05-21 СП
17-05-21 СП
Установка воздухоочистителя
17-05-184 СП
17-05-184 СП
Воздухоочиститель
1
3011-7
Гайка
2
2996
Шпилька
3
700-40-2049
Прокладка
4
17-05-174
Коллектор
5
700-40-8152
Прокладка
6
17-05-185 СП
Карбюратор
7
700-40-8153
Прокладка
8
Гайка М6.6019
Гайка М6.6019
9
Шайба 6Т 65Г 09
Шайба 6Т 65Г 09
10
17-05-176 СП
Кассета
11
40796
Кольцо
12
31386
Шайба
13
05573-1-01
Гайка
14
17-05-149
Крышка
15
17-05-134
Маслоотражатель
16
17-05-186 СП
Поддон
17
17-05-166
Кронштейн
18
17-05-167
Накладка
19
Винт В.М4-6gх12.58.016
Винт В.М4-6gх12.58.016
20
Заклепка 3х10.27
Заклепка 3х10.27
21
17-05-172
Накладка
22
Гайка М8х1.6.019
Гайка М8х1.6.019
23
Шайба 8Т 65Г 09
Шайба 8Т 65Г 09
24
Шпилька 2М8х18.66.016
Шпилька 2М8х18.66.016
25
17-05-180 СП
Фильтр
26
46238
Прокладка
Содержащиеся в справочниках-каталогах запасные части и детали не предлагаются к продаже, а носят исключительно информационный характер
Дополнительная информация
×
Название:
Номер:
Примечание: