Каталог запасных частей к технике: ЧТЗ Т-170. Установка отопителя кабины
1
2
2
2
2
2
2
2
3
3
3
3
3
3
3
4
4
5
6
7
7
8
9
10
11
11
11
11
12
13
13
14
15
16
17
17
18
19
20
20
21
21
21
21
21
21
22
23
24
25
26
27
28
29
30
31
32
33
34
35
36
36
37
38
39
40
41
42
42
44
44
45
46
47
48
49
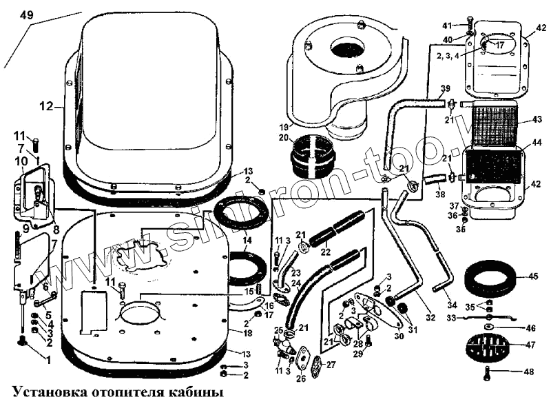
| Позиция на иллюстрации | Заводской номер детали | Название детали | |
|---|---|---|---|
| 50-47-109-СП | 50-47-109-СП | Теплообменник | |
| 50-47-110-СП | 50-47-110-СП | Корпус | |
| 1 | 17-74-207 | Рукоятка | |
| 2 | Гайка М8-6.019 | Гайка М8-6.019 | |
| 3 | Шайба 8Т 65Г 09 | Шайба 8Т 65Г 09 | |
| 4 | 31386-1 | Шайба | |
| 5 | 18-47-64 | Пластина | |
| 6 | 60-47-113-СП | Заслонка | |
| 7 | Шплинт 2,5х14 | Шплинт 2,5х14 | |
| 8 | 18-47-65 | Палец | |
| 9 | 24-47-13 | Ось | |
| 10 | 50-47-48 | Корпус | |
| 11 | Болт М8х20.58.019 | Болт М8х20.58.019 | |
| 12 | 50-47-108-СП | Кожух | |
| 13 | 700-40-7055-01 | Прокладка | |
| 14 | 700-40-7069 | Прокладка | |
| 15 | 18-26-538 | Втулка | |
| 16 | 700-40-2969 | Прокладка | |
| 17 | 60-47-16 | Планка | |
| 18 | 62-47-117-СП | Плита | |
| 19 | 62-47-115-СП | Вентилятор-пылеотделитель | |
| 20 | 700-40-6522 | Патрубок | |
| 20 | 700-40-7068 | Патрубок | |
| 21 | 700-41-2235-06СП | Хомут | |
| 21 | 700-41-2235-07СП | Хомут | |
| 22 | 700-46-2123-03 | Рукав | |
| 23 | 50-47-111-СП | Патрубок | |
| 24 | 700-46-2123-02 | Рукав | |
| 25 | Кран ВС 11 | Кран ВС 11 | |
| 26 | 50-47-31 | Фланец | |
| 27 | 40984 | Прокладка | |
| 28 | 700-41-2943 | Хомут | |
| 29 | Болт М8х25.88.019 | Болт М8х25.88.019 | |
| 30 | 50-47-115СП | Заглушка | |
| 31 | 41879 | Кольцо | |
| 32 | 50-47-42 | Трубка | |
| 33 | 50-47-45 | Зажим | |
| 34 | 50-47-41 | Трубка | |
| 35 | Гайка М6-6.019 | Гайка М6-6.019 | |
| 36 | Шайба 6Т 65Г 09 | Шайба 6Т 65Г 09 | |
| 37 | Шайба 6.02.3КП.019 | Шайба 6.02.3КП.019 | |
| 38 | 700-46-2123-01 | Рукав | |
| 39 | 700-46-2123 | Рукав | |
| 40 | Шайба 6.02.3КП.019 | Шайба 6.02.3КП.019 | |
| 41 | Болт М6х20.58.019 | Болт М6х20.58.019 | |
| 42 | 60-47-8 | Кожух | |
| 44 | 700-40-6115 | Прокладка | |
| 44 | 700-40-7423 | Прокладка | |
| 45 | 700-40-6523 | Уплотнение | |
| 46 | 31453 | Шайба | |
| 47 | 50-47-44 | Воздухораспределитель | |
| 48 | Болт М6х25.58.019 | Болт М6х25.58.019 | |
| 49 | 50-47-3СП | Установка отопителя кабины |
Содержащиеся в справочниках-каталогах запасные части и детали не предлагаются к продаже, а носят исключительно информационный характер