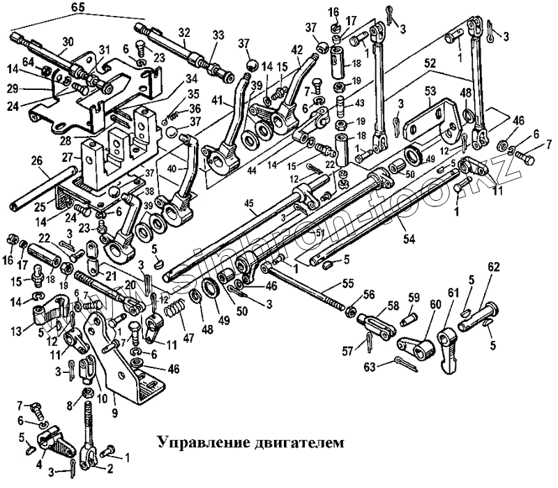
Каталог запасных частей к технике: ЧТЗ Т-170. Управление двигателем
1
1
1
1
1
1
1
2
3
3
3
3
3
3
3
3
3
4
5
5
5
5
5
5
5
6
6
6
6
6
6
6
7
7
7
7
7
8
9
10
11
11
11
12
12
12
12
13
14
14
14
14
14
15
15
15
16
16
17
17
18
18
18
19
19
19
20
21
22
22
23
23
24
24
25
26
27
28
29
30
31
32
33
34
35
36
37
37
37
37
38
39
39
40
41
42
43
44
45
46
46
46
47
48
48
49
49
50
50
51
52
53
54
55
56
57
58
59
60
61
62
63
64
65
65
| Позиция на иллюстрации | Заводской номер детали | Название детали | |
|---|---|---|---|
| 51-74-130СП | 51-74-130СП | Мостик переходной | |
| 51-74-137СП | 51-74-137СП | Валик | |
| 51-74-142СП | 51-74-142СП | Тяга | |
| 51-74-141СП | 51-74-141СП | Тяга | |
| 51-74-133СП | 51-74-133СП | Тяга | |
| 16-74-196СП | 16-74-196СП | Тяга | |
| 24-12-106СП | 24-12-106СП | Тяга | |
| 74107СП | 74107СП | Муфта | |
| 16-74-185СП | 16-74-185СП | Тяга | |
| 1 | 700-47-2045 | Ось | |
| 2 | 51-74-134СП | Тяга | |
| 3 | Шплинт 2,5х25 | Шплинт 2,5х25 | |
| 4 | 17-74-43 | Рычаг | |
| 5 | 700-34-2014 | Шпонка | |
| 6 | Шайба 10 ОТ 65Г 09 | Шайба 10 ОТ 65Г 09 | |
| 7 | Болт М10х0.58.019 | Болт М10х0.58.019 | |
| 8 | Гайка М10-6.019 | Гайка М10-6.019 | |
| 9 | 51-74-50 | Кронштейн | |
| 10 | 24-74-98 | Вилка | |
| 11 | 51-74-7 | Рычаг | |
| 12 | Шплинт 3,2х40 | Шплинт 3,2х40 | |
| 13 | 51-74-74 | Рычаг | |
| 14 | Шайба 12 ОТ 65Г 09 | Шайба 12 ОТ 65Г 09 | |
| 15 | 74109 | Палец | |
| 16 | 74157 | Пробка | |
| 17 | 74111 | Вкладыш | |
| 18 | 74156 | Корпус | |
| 19 | Гайка М12х1,25-6.019 | Гайка М12х1,25-6.019 | |
| 20 | 16-74-189СП | Тяга | |
| 21 | 51-74-46 | Тяга | |
| 22 | 700-47-2075 | Ось | |
| 23 | Болт М10х20.58.019 | Болт М10х20.58.019 | |
| 24 | Болт М12х30.58.019 | Болт М12х30.58.019 | |
| 25 | 51-74-123СП | Кронштейн | |
| 26 | 700-47-2104 | Ось | |
| 27 | 51-74-38 | Кронштейн | |
| 28 | Шплинт 4х50 | Шплинт 4х50 | |
| 29 | 51-74-129СП | Кронштейн | |
| 30 | 51-74-146СП | Оболочка | |
| 31 | 51-74-147СП | Тяга | |
| 32 | 51-74-143СП | Оболочка | |
| 33 | 51-74-144СП | Тяга | |
| 34 | Шплинт 4х50 | Шплинт 4х50 | |
| 35 | Шарик Б 10-200 | Шарик Б 10-200 | |
| 36 | 38506 | Пружина | |
| 37 | Ручка 409.474.001-03Т | Ручка 409.474.001-03Т | |
| 38 | 51-74-163СП | Рычаг | |
| 39 | 18-74-122 | Прокладка | |
| 40 | 51-74-164СП | Рычаг | |
| 41 | 51-74-162СП | Рычаг | |
| 42 | 51-74-161СП | Рычаг | |
| 43 | 700-29-2142 | Шпилька | |
| 44 | 16.04.23 | Рычаг | |
| 45 | 51-74-135СП | Валик | |
| 46 | 31308 | Шайба | |
| 47 | 38356 | Пружина | |
| 48 | 31484 | Шайба | |
| 49 | 700-77-84-01 | Сальник | |
| 50 | 16-74-98 | Втулка | |
| 51 | 51-74-138СП | Валик | |
| 52 | 51-74-131СП | Тяга | |
| 53 | 51-74-136СП | Кронштейн | |
| 54 | 51-74-188СП | Валик | |
| 55 | 24.12.06 | Тяга | |
| 56 | 700-30-2099 | Гайка | |
| 57 | Шплинт 3,2х25 | Шплинт 3,2х25 | |
| 58 | 21.12.21 | Вилка | |
| 59 | 17317 | Палец | |
| 60 | 21-74-1 | Рычаг | |
| 61 | 51-74-2 | Рычаг | |
| 62 | 51-74-10 | Валик | |
| 63 | Шплинт 5х50 | Шплинт 5х50 | |
| 64 | Гайка М12-6.019 | Гайка М12-6.019 | |
| 65 | 51-74-128СП | Блок управления | |
| 65 | 51-74-3СП | Управление двигателем |
Содержащиеся в справочниках-каталогах запасные части и детали не предлагаются к продаже, а носят исключительно информационный характер