Каталог запасных частей к технике: ЧТЗ Т-170. Сервомеханизм
1
2
2
3
3
4
5
5
6
7
8
8
9
10
10
11
11
12
13
14
15
15
15
15
15
16
16
17
18
19
19
20
20
20
20
21
21
21
21
22
22
23
23
24
24
25
25
25
26
27
27
28
28
29
29
30
31
32
33
33
34
35
36
36
37
38
38
39
39
40
41
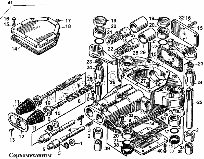
| Позиция на иллюстрации | Заводской номер детали | Название детали | |
|---|---|---|---|
| 21-17-108-СП | 21-17-108-СП | Корпус сервомеханизма | |
| 51-70-2 | 51-70-2 | Втулка | |
| 17309СП | 17309СП | Муфта | |
| 1 | 17329 | Кольцо | |
| 2 | 50-11-37 | Втулка | |
| 3 | 700-38-2319 | Пружина | |
| 4 | 21-17-106-СП | Золотник | |
| 5 | 21-17-44 | Втулка | |
| 6 | Шайба 12 ОТ 65Г 09 | Шайба 12 ОТ 65Г 09 | |
| 7 | 35202 | Винт | |
| 8 | 700-38-2723 | Пружина | |
| 9 | Манжета 3-25х13-6 | Манжета 3-25х13-6 | |
| 10 | 17385 | Толкатель | |
| 11 | 40589 | Чехол | |
| 12 | 17498 | Крышка | |
| 13 | Болт М10х30.58.019 | Болт М10х30.58.019 | |
| 14 | 700-40-5959 | Прокладка | |
| 15 | Шайба 10 ОТ 65Г 09 | Шайба 10 ОТ 65Г 09 | |
| 16 | Болт М6х16.58.019 | Болт М6х16.58.019 | |
| 17 | 40912 | Кольцо | |
| 18 | 21-17-27-1 | Крышка | |
| 19 | 17311 | Заглушка | |
| 20 | 21-17-22 | Втулка | |
| 21 | Кольцо 042-050-46-2-2 | Кольцо 042-050-46-2-2 | |
| 22 | 17482 | Рычаг | |
| 23 | 295 | Заглушка | |
| 24 | 17310 | Муфта | |
| 25 | 17494 | Валик | |
| 25 | 50-17-25 | Валик | |
| 26 | 21-17-37-1 | Корпус | |
| 27 | 32202 | Штифт | |
| 27 | 322221 | Штифт | |
| 28 | 17303-1 | Гильза | |
| 29 | 21-17-21 | Поршень | |
| 30 | 28404 | Болт | |
| 31 | 40714-1 | Прокладка | |
| 32 | 50-17-5 | Крышка | |
| 33 | Болт М10х25.58.019 | Болт М10х25.58.019 | |
| 34 | 40736 | Прокладка | |
| 35 | 371 | Пробка | |
| 36 | 700-34-2029 | Шпонка | |
| 36 | 700-34-2036 | Шпонка | |
| 37 | 40725-1 | Прокладка | |
| 38 | 700-40-4532 | Кольцо-прокладка | |
| 39 | 50-11-36 | Втулка | |
| 40 | 21-17-25-1 | Крышка | |
| 41 | 21-17-4-СП | Сервомеханизм |
Содержащиеся в справочниках-каталогах запасные части и детали не предлагаются к продаже, а носят исключительно информационный характер