Каталог запасных частей к технике: ЧТЗ Т-170. Механизм переключения передач тракторов болотоходных модификаций
1
1
2
2
3
4
5
6
7
7
8
8
9
9
10
11
12
12
13
14
15
16
16
17
18
19
20
21
22
24
25
26
27
28
29
30
31
32
33
34
35
36
36
37
| Позиция на иллюстрации | Заводской номер детали | Название детали | |
|---|---|---|---|
| 700-40-6769 | 700-40-6769 | Прокладка | |
| 50-12-15СП | 50-12-15СП | Коробка передач тракторов Т-170М1.03-51 | |
| 16354 | 16354 | Шестерня коническая | |
| Шайба 10 ОТ 65Г 09 | Шайба 10 ОТ 65Г 09 | Шайба 10 ОТ 65Г 09 | |
| 20-12-129 СП | 20-12-129 СП | Проставка в сборе правая | |
| 20-12-1 30 СП | 20-12-1 30 СП | Проставка в сборе левая | |
| 700-40-3788-1 | 700-40-3788-1 | Прокладка | |
| 50-60-200СП | 50-60-200СП | Насос | |
| 20-12-132 СП | 20-12-132 СП | Механизм переключенияправый | |
| 20-12-131 СП | 20-12-131 СП | Механизм переключения левый | |
| 20-12-9СП | 20-12-9СП | Коробка передач. Коробка передач болотоходных тракторов Т-170МБ.01, Т-170МБ.41 | |
| Болт М10х25.58.019 | Болт М10х25.58.019 | Болт М10х25.58.019 | |
| БолтМ10х30.58.019 | БолтМ10х30.58.019 | БолтМ10х30.58.019 | |
| Кольцо 14-018-25-2-2 | Кольцо 14-018-25-2-2 | Кольцо 14-018-25-2-2 | |
| 50-12-8СП | 50-12-8СП | Коробка передач | |
| 40-12-1 СП | 40-12-1 СП | Коробка передач бо-лотоходных тракторов, комплект для запасных частей | |
| 50-12-8СП | 50-12-8СП | Коробка передач | |
| 50-12-16СП | 50-12-16СП | Коробка передач тракторов Т-170М.03-51 и Т-170М.03-52 , комплект для запасных частей | |
| 50-12-12СП | 50-12-12СП | Коробка передач, комплект | |
| 50-60-218СП | 50-60-218СП | Крышка | |
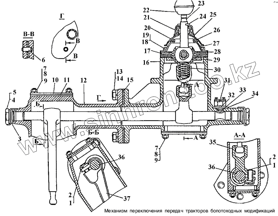
| 1 | 700-31-2542 | Пластина стопорная | |
| 2 | 700-28-2336 | Болт | |
| 3 | 40588 | Прокладка | |
| 4 | 700-37-2154 | Пробка | |
| 5 | 31368 | Шайба | |
| 6 | 32349 | Штифт | |
| 7 | Гайка М8х1.6.019 | Гайка М8х1.6.019 | |
| 8 | Шайба 8Т 65Г 09 | Шайба 8Т 65Г 09 | |
| 9 | Шпилька 2М8х1,25х18.66.016 | Шпилька 2М8х1,25х18.66.016 | |
| 10 | 18-12-246 | Крышка | |
| 11 | 700-40-3072-01 | Прокладка | |
| 12 | 20-12-85 | Проставка задняя правая | |
| 12 | 20-12-86 | Проставка задняя левая | |
| 13 | 28431 | Болт | |
| 14 | Шайба 160Т65Г 09 | Шайба 160Т65Г 09 | |
| 15 | 700-40-3254 | Прокладка | |
| 16 | 20-12-84 | Проставка передняя левая | |
| 16 | 20-12-80 | Проставка передняя правая | |
| 17 | 13317 | Фланец шаровой | |
| 18 | Болт М10х30.58.019 | Болт М10х30.58.019 | |
| 19 | Шайба 10 ОТ 65Г 09 | Шайба 10 ОТ 65Г 09 | |
| 20 | 13319 | Крышка | |
| 21 | 13591 | Крышка | |
| 22 | 13310 СП | Рукоятка в сборе | |
| 23 | 18-12-162 СП | Рычаг левый | |
| 23 | 18-12-161 СП | Рычаг правый | |
| 24 | Шплинт 4х32 | Шплинт 4х32 | |
| 25 | 46612 | Колпачок | |
| 26 | 40820: КО 50х70-2 | Кольцо | |
| 27 | 13318 | Фланец шаровой | |
| 28 | 40819, 40819-1 | Прокладка | |
| 29 | 13360 | Кольцо | |
| 30 | 38325 | Пружина | |
| 31 | Выключатель ВК-418 3716000 | Выключатель ВК-418 3716000 | |
| 32 | 21-12-50 | Прокладка | |
| 33 | Кольцо 014-018-25-2-2 | Кольцо 014-018-25-2-2 | |
| 34 | 18-12-411 | Пластина | |
| 35 | 20-12-91 | Хвостовик | |
| 36 | 20-12-79 | Валик | |
| 36 | 20-12-92 | Валик | |
| 37 | 20-12-90 | Рычаг |
Содержащиеся в справочниках-каталогах запасные части и детали не предлагаются к продаже, а носят исключительно информационный характер