Каталог запасных частей к технике: ЧТЗ Т-170. Механизм переключения передач
1
2
3
3
3
3
4
4
5
6
7
9
10
11
12
13
14
15
16
17
18
19
20
20
21
21
22
22
23
23
24
25
26
27
28
29
30
31
32
33
33
34
35
36
37
37
38
38
38
39
39
39
40
40
40
41
41
42
43
44
45
46
47
48
49
50
50
50
50
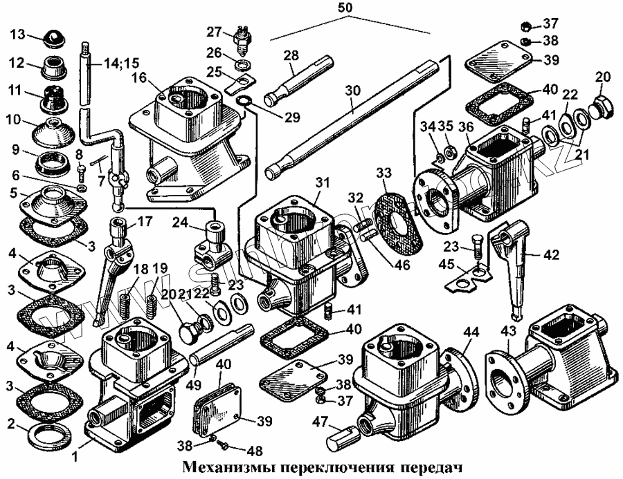
| Позиция на иллюстрации | Заводской номер детали | Название детали | |
|---|---|---|---|
| 20-12-130-СП | 20-12-130-СП | Проставка | |
| 20-12-129-СП | 20-12-129-СП | Проставка | |
| 1 | 18-12-330 | Проставка | |
| 2 | 13360 | Кольцо | |
| 3 | 40819 | Прокладка | |
| 3 | 40819-1 | Прокладка | |
| 4 | 13317 | Фланец шаровой | |
| 5 | 13318 | Фланец шаровой | |
| 6 | Шайба 10 ОТ 65Г 09 | Шайба 10 ОТ 65Г 09 | |
| 7 | Шплинт 4х32 | Шплинт 4х32 | |
| 9 | 40820 | Кольцо | |
| 10 | 13319 | Крышка | |
| 11 | 46612 | Колпачок | |
| 12 | 13591 | Крышка | |
| 13 | 13310-СП | Рукоятка | |
| 14 | 18-12-161-СП | Рычаг | |
| 15 | 18-12-162-СП | Рычаг | |
| 16 | 18-12-391 | Проставка | |
| 17 | 18-12-410 | Рычаг | |
| 18 | 38325 | Пружина | |
| 19 | 38551 | Пружина | |
| 20 | 700-37-2154 | Пробка | |
| 21 | 40588 | Прокладка | |
| 22 | 31368 | Шайба | |
| 23 | 700-28-2336 | Болт | |
| 24 | 20-12-91 | Хвостовик | |
| 25 | 18-12-411 | Пластина | |
| 26 | 21-12-50 | Прокладка | |
| 27 | Выключатель ВК-403 | Выключатель ВК-403 | |
| 28 | 18-12-412 | Валик | |
| 29 | Кольцо 014-018-25-2-2 | Кольцо 014-018-25-2-2 | |
| 30 | 20-12-92 | Валик | |
| 31 | 20-12-80 | Проставка передняя правая | |
| 32 | 29310 | Шпилька | |
| 33 | 700-40-3254 | Прокладка | |
| 33 | 700-40-3254-1 | Прокладка | |
| 34 | Шайба 16 ОТ 65Г 09 | Шайба 16 ОТ 65Г 09 | |
| 35 | 30246 | Гайка | |
| 36 | 20-12-85 | Проставка задняя правая | |
| 37 | Гайка М8х1.6.019 | Гайка М8х1.6.019 | |
| 38 | Шайба 8Т 65Г 09 | Шайба 8Т 65Г 09 | |
| 39 | 18-12-246 | Крышка | |
| 40 | 700-40-3072-1 | Прокладка | |
| 41 | Шпилька М8 | Шпилька М8 | |
| 42 | 20-12-90 | Рычаг | |
| 43 | 20-12-86 | Проставка задняя левая | |
| 44 | 20-12-84 | Проставка передняя левая | |
| 45 | 700-31-2542 | Пластина стопорная | |
| 46 | 32349 | Штифт | |
| 47 | 20-12-79 | Валик | |
| 48 | Болт М8х16.58.019 | Болт М8х16.58.019 | |
| 49 | 18-12-413 | Валик | |
| 50 | 18-12-177-СП | Механизм переключения передач | |
| 50 | 18-12-178-СП | Механизм переключения диапазонов и направления движения | |
| 50 | 20-12-131-СП | Механизм переключения передач | |
| 50 | 20-12-132-СП | Механизм переключения диапазонов и направления |
Содержащиеся в справочниках-каталогах запасные части и детали не предлагаются к продаже, а носят исключительно информационный характер