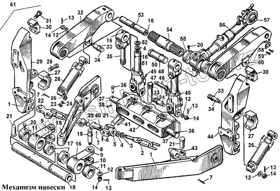
Каталог запасных частей к технике: ЧТЗ Т-170. Механизм навески
1
1
2
3
4
4
5
6
7
7
7
8
9
9
10
11
11
12
12
12
12
12
13
13
13
13
14
14
14
14
15
16
16
16
16
17
18
19
20
20
21
21
21
22
23
24
25
26
26
27
27
28
29
30
30
31
32
33
33
33
34
34
34
35
36
36
37
37
38
39
40
41
42
43
44
45
46
47
48
49
50
51
52
53
54
55
56
57
58
59
60
61
| Позиция на иллюстрации | Заводской номер детали | Название детали | |
|---|---|---|---|
| 40-26-126-СП | 40-26-126-СП | Устройство прицепное | |
| 261406-СП | 261406-СП | Вилка | |
| 261535-СП | 261535-СП | Цепь | |
| 1 | 261402-СП | Тяга продольная левая | |
| 2 | 40-26-130-СП | Цепь | |
| 3 | 261451 | Обойма | |
| 4 | 46838 | Кольцо СП 83-50-10 | |
| 5 | 261524 | Вилка | |
| 6 | Шплинт 3,2х32 | Шплинт 3,2х32 | |
| 7 | Шплинт 8х80 | Шплинт 8х80 | |
| 8 | 50-26-1103 | Палец | |
| 9 | 261466 | Вилка | |
| 10 | 261598 | Втулка | |
| 11 | 261430 | Проставка | |
| 12 | 3177 | Шайба | |
| 12 | 3177-01 | Шайба | |
| 13 | Шплинт 5х70 | Шплинт 5х70 | |
| 14 | 700-30-2323 | Гайка | |
| 15 | 261418 | Ось нижняя | |
| 16 | Масленка 1.3.Ц6 | Масленка 1.3.Ц6 | |
| 17 | 261431 | Проставка | |
| 18 | 700-58-2432 | Кольцо | |
| 19 | 261401-СП | Тяга продольная правая | |
| 20 | 35286 | Винт | |
| 21 | 261533-01 | Палец | |
| 22 | 40-26-129-СП | Цепь | |
| 23 | 40-26-90 | Колпачок | |
| 24 | 700-40-2395 | Прокладка | |
| 25 | Н.036.04.011 | Штуцер | |
| 26 | Ц125.250.160.001-II | Цилиндр | |
| 27 | 261422 | Бугель нижний | |
| 28 | 28622 | Болт | |
| 29 | 40-26-58 | Кронштейн | |
| 30 | 261421 | Бугель верхний | |
| 31 | 28621 | Болт | |
| 32 | 40-26-144-СП | Рычаг | |
| 33 | 700-58-2431 | Кольцо | |
| 34 | 50-26-1102 | Палец | |
| 35 | 40-26-120-СП | Винт | |
| 36 | 261464 | Палец | |
| 37 | 261474 | Палец | |
| 38 | Шплинт 5х40 | Шплинт 5х40 | |
| 39 | 18-17-9 | Заглушка | |
| 40 | 261532 | Гайка | |
| 41 | 261525 | Палец | |
| 42 | 40-26-127-СП | Площадка | |
| 43 | 261449 | Звено соединительное | |
| 44 | 40-26-57 | Кронштейн | |
| 45 | 261403-СП | Раскос | |
| 46 | 261432-СП | Палец | |
| 47 | 20348 | Штырь серьги | |
| 48 | 700-58-2444 | Кольцо | |
| 49 | 700-58-2434 | Кольцо | |
| 50 | 50-26-1101 | Палец | |
| 51 | 40-26-121-СП | Вилка | |
| 52 | 261438 | Обойма | |
| 53 | 40-26-61 | Ось верхняя | |
| 54 | 40-26-145-СП | Вал | |
| 55 | 261415 | Проставка | |
| 56 | 261400-СП | Тяга центральная | |
| 57 | 261409-СП | Палец | |
| 58 | 261426 | Планка | |
| 59 | 28598 | Болт | |
| 60 | 40-26-63 | Рычаг | |
| 61 | 266-СП | Механизм навески |
Содержащиеся в справочниках-каталогах запасные части и детали не предлагаются к продаже, а носят исключительно информационный характер