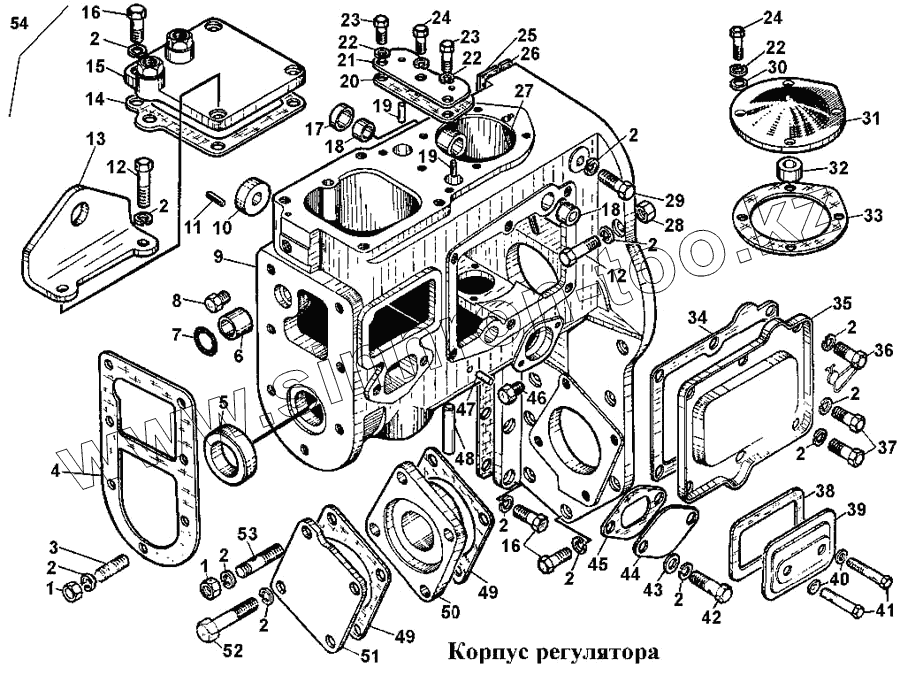
Каталог запасных частей к технике: ЧТЗ Т-170. Корпус регулятора
1
1
2
2
2
2
2
2
2
2
2
2
2
2
2
3
4
5
6
7
8
9
9
10
11
12
12
13
14
15
16
16
17
18
18
19
19
20
21
22
22
22
23
23
24
24
25
26
26
27
28
29
30
31
32
33
34
35
36
37
38
39
40
41
42
43
44
45
46
47
48
49
49
50
51
52
53
54
| Позиция на иллюстрации | Заводской номер детали | Название детали | |
|---|---|---|---|
| 06307СП | 06307СП | Крышка | |
| 51-06-125СП | 51-06-125СП | Корпус регулятора | |
| Шайба 12 ОТ 65Г 09 | Шайба 12 ОТ 65Г 09 | Шайба 12 ОТ 65Г 09 | |
| 06310СП | 06310СП | Крышка | |
| 1 | 3084 | Гайка | |
| 2 | Шайба 10 ОТ 65Г 09 | Шайба 10 ОТ 65Г 09 | |
| 3 | 700-29-2463 | Шпилька | |
| 4 | 40748 | Прокладка | |
| 5 | 40976СП | Сальник | |
| 6 | 6304 | Втулка | |
| 7 | 40747 | Кольцо | |
| 8 | 375-01 | Пробка | |
| 9 | 16-06-4-1 | Корпус регулятора | |
| 9 | 51-06-22 | Корпус регулятора | |
| 10 | 40967СП | Сальник | |
| 11 | 32249 | Штифт | |
| 12 | Болт М10х40.58.019 | Болт М10х40.58.019 | |
| 13 | 51-06-11 | Проушина | |
| 14 | 40987 | Прокладка | |
| 15 | 51-06-104СП | Крышка | |
| 16 | Болт М10х30.58.019 | Болт М10х30.58.019 | |
| 17 | 6305 | Пробка-колпачок | |
| 18 | Подшипник 941/15 | Подшипник 941/15 | |
| 19 | 700-32-2182 | Штифт | |
| 20 | 40962 | Прокладка | |
| 21 | 6311 | Крышка | |
| 22 | Шайба 8Т 65Г 09 | Шайба 8Т 65Г 09 | |
| 23 | 28473 | Болт | |
| 24 | Болт М8х20.58.019 | Болт М8х20.58.019 | |
| 25 | 63577 | Прокладка | |
| 26 | 46170 | Прокладка | |
| 26 | 700-40-20011 | Прокладка | |
| 27 | 6306 | Трубка | |
| 28 | Гайка М10-6.019 | Гайка М10-6.019 | |
| 29 | Болт М10-6gх170.58С.019 | Болт М10-6gх170.58С.019 | |
| 30 | 31386-1 | Шайба | |
| 31 | 06308-2 | Крышка | |
| 32 | 6309 | Втулка | |
| 33 | 40961 | Прокладка | |
| 34 | 40963 | Прокладка | |
| 35 | 06312-2 | Крышка | |
| 36 | 700-28-2455 | Болт | |
| 37 | Болт М10х18.58.019 | Болт М10х18.58.019 | |
| 38 | 40964 | Прокладка | |
| 39 | 06562-2 | Крышка | |
| 40 | 40975 | Кольцо | |
| 41 | 700-28-2190 | Болт | |
| 42 | Болт М10х20.58.019 | Болт М10х20.58.019 | |
| 43 | 31308 | Шайба | |
| 44 | 51-06-16 | Крышка | |
| 45 | 40965 | Прокладка | |
| 46 | 41242 | Штуцер | |
| 47 | 32248 | Штифт | |
| 48 | 32247 | Штифт | |
| 49 | 700-40-2631 | Прокладка | |
| 50 | 50-26-830 | Плита | |
| 51 | 51-06-3 | Крышка | |
| 52 | Болт М10х45.58.019 | Болт М10х45.58.019 | |
| 53 | 700-29-2194 | Шпилька | |
| 54 | 14-06-108СП | Корпус |
Содержащиеся в справочниках-каталогах запасные части и детали не предлагаются к продаже, а носят исключительно информационный характер