Каталог запасных частей к технике: ЧТЗ Т-130. Воздухоочиститель, карбюратор, выхлопной патрубок
700.04.010.20
1
1
2
2
3
3
3
4
4
4
5
6
6
7
8
9
10
11
12
13
14
15
16
17
18
19
20
21
22
23
24
25
26
27
28
29
30
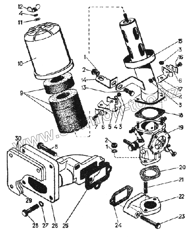
| Позиция на иллюстрации | Заводской номер детали | Название детали | |
|---|---|---|---|
| 700.04.010.20 | 700.04.010.20 | Воздухоочиститель | |
| 700.01.260.10 | 700.01.260.10 | Кронштейн | |
| 700.01.110.20 | 700.01.110.20 | Патрубок карбюратора | |
| 350.01.090.00 | 350.01.090.00 | Кронштейн | |
| 1 | Шайба 8.65Г.05 | Шайба 8.65Г.05 | |
| 2 | Гайка М8-6Н.6.016 | Гайка М8-6Н.6.016 | |
| 3 | Гайка М6-6Н.6.016 | Гайка М6-6Н.6.016 | |
| 4 | Шайба 6.65Г.05 | Шайба 6.65Г.05 | |
| 5 | 700.01.059.20 | Коонштейн | |
| 6 | 350.01.016.00 | Прижим | |
| 7 | BинтM6-6gx16.56.016 | Bинт M6-6gx16.56.016 | |
| 8 | БолтM10-6gx30.56.016 | Болт M10-6gx30.56.016 | |
| 9 | Д24172 | Элемент фильтрующий | |
| 10 | 700.04.003.10 | Колпак | |
| 11 | Шайба 6.05 | Шайба 6.05 | |
| 12 | Гайка М6-7Н.6.016 | Гайка М6-7Н.6.016 | |
| 13 | Болт M8-6gx20.56.016 | Болт M8-6gx20.56.016 | |
| 14 | 700.04.008.10 | Кронштейн | |
| 15 | 700.04.020.30 | Корпус воздухоочистителя | |
| 16 | Винт 2М6х16.56.016 | Винт 2М6х16.56.016 | |
| 17 | 350.01.017.10 | Кронштейн | |
| 18 | 350.01.019.10 | Прокладка | |
| 19 | 113 11.07011 | Карбюратор | |
| 20 | 350.01.018.00 | Прокладка карбюратора | |
| 21 | Шпилька БМ8хTo/6gx20 | Шпилька БМ8хTo/6gx20 10/18 56.016 | |
| 22 | 700.01.049.20 | Патрубок карбюратора | |
| 23 | Болт M8-6gx55.56.016 | Болт M8-6gx55.56.016 | |
| 24 | 700.01.051.00 | Прокладка | |
| 25 | 700.01.054.00 | Прокладка | |
| 26 | 700.01.035.10 | Патрубок выхлопной | |
| 27 | Шайба 10.ОТ.65Г.06 | Шайба 10.ОТ.65Г.06 | |
| 28 | Болт М10x40.46.019 | Болт М10x40.46.019 | |
| 29 | 16-95-15 | Прокладка | |
| 30 | 700-40-2281 | Прокладка |
Содержащиеся в справочниках-каталогах запасные части и детали не предлагаются к продаже, а носят исключительно информационный характер