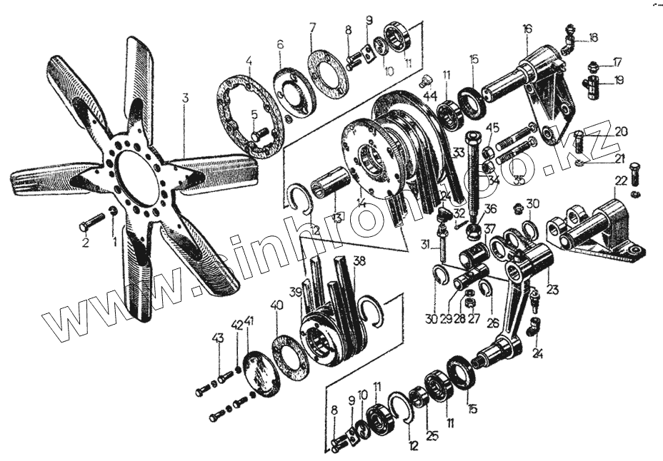
Каталог запасных частей к технике: ЧТЗ Т-130. Установка вентилятора 16-07-5СП
1
1
2
3
4
5
6
7
8
8
8
9
9
10
10
10
11
11
11
11
12
12
12
13
14
15
15
16
17
18
18
19
20
21
22
23
24
24
24
25
26
27
28
29
30
30
31
32
33
34
35
36
37
38
39
40
41
42
43
44
45
| Позиция на иллюстрации | Заводской номер детали | Название детали | |
|---|---|---|---|
| 51-07-106СП | 51-07-106СП | Механизм натяжения | |
| 51-07-104СП | 51-07-104СП | Шкив | |
| 1 | Шайба 10 ОТ.65Г.06 | Шайба 10 ОТ.65Г.06 | |
| 1 | Шайба 10 ОТ.65Г.06 | Шайба 10 ОТ.65Г.06 | |
| 2 | Болт М10х45.46.019 | Болт М10х45.46.019 | |
| 3 | 07146-1СП | Крестовина | |
| 4 | 16-07-13 | Кольцо | |
| 5 | Болт M10x22.46.019 | Болт M10x22.46.019 | |
| 6 | 07108 | Крышка | |
| 7 | 40811 | Прокладка | |
| 8 | Болт М8х25.46,019 | Болт М8х25.46,019 | |
| 8 | Болт М8х25.46.019 | Болт М8х25.46.019 | |
| 9 | 31324 | Пластина | |
| 10 | 07105 | Шайба | |
| 10 | 07105 | Шайба | |
| 11 | Подшипник 206К | Подшипник 206К | |
| 12 | 07107 | Кольцо | |
| 12 | 07107 | Кольцо | |
| 13 | 16-07-23 | Втулка | |
| 14 | 14-07-16 | Шкив | |
| 15 | 40805СП | Сальник | |
| 16 | 51-07-102СП | Кронштейн | |
| 17 | Масленка 1.3.Ц6 | Масленка 1.3.Ц6 | |
| 18 | 411155 | Штуцер | |
| 18 | 411155-1 | Штуцер | |
| 19 | 700-41-2880 | Переходник | |
| 20 | 2821 | Болт | |
| 21 | Шайба 12 ОТ.65Г.06 | Шайба 12 ОТ.65Г.06 | |
| 22 | 16-07-109СП | Кронштейн | |
| 23 | 16-07-111CII | Рычаг | |
| 24 | 41204 | Колено | |
| 24 | 41504-1 | Колено | |
| 25 | 16-07-25 | Втулка | |
| 26 | 700-58-2421 | Кольцо | |
| 27 | 30319 | Гайка | |
| 28 | 31308 | Шайба | |
| 29 | 29-07-13 | Ось | |
| 30 | 700-58-2420 | Кольцо | |
| 31 | 29-07-104СП | Трубка | |
| 32 | Шплинт 2,5x25 | Шплинт 2,5x25 | |
| 33 | Ремень генератора 11-12,5x9x1090 | Ремень генератора 11-12,5x9x1090 | |
| 34 | 16-07-108СП | Винт | |
| 35 | 29311 | Шпилька | |
| 36 | 700-30-2046 | Гайка | |
| 37 | 16-07-18 | Муфта | |
| 38 | Ремень вентилятора 11-16x11x1650 | Ремень вентилятора 11-16x11x1650 | |
| 39 | 16-07-11-1 | Ролик натяжной | |
| 40 | 700-40-3160 | Прокладка | |
| 41 | 16-07-9 | Крышка | |
| 42 | Шайба 8Т.65Г.06 | Шайба 8Т.65Г.06 | |
| 43 | Болт М8х20.46.019 | Болт М8х20.46.019 | |
| 44 | 375 | Пробка | |
| 45 | 3010 | Гайка |
Содержащиеся в справочниках-каталогах запасные части и детали не предлагаются к продаже, а носят исключительно информационный характер