Каталог запасных частей к технике: ЧТЗ Т-130. Установка привода насоса 18-26-485СП
1
2
3
4
4
5
5
6
6
7
7
8
8
9
10
11
12
12
13
14
15
16
17
18
19
20
21
22
23
24
25
26
27
28
29
30
31
32
33
33
34
34
35
36
37
38
39
40
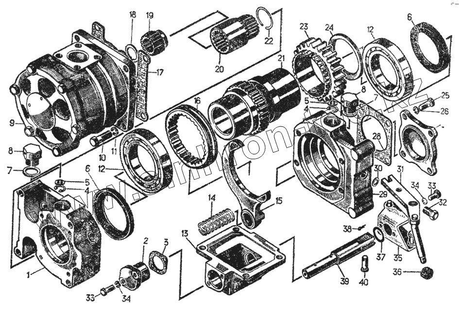
| Позиция на иллюстрации | Заводской номер детали | Название детали | |
|---|---|---|---|
| 18-26-286СП | 18-26-286СП | Сапун | |
| 1 | 18-26-802 | Фланец | |
| 2 | 18-26-810 | Стакан | |
| 3 | 700-40-4861 | Прокладка | |
| 4 | 261046 | Кольцо пружинное | |
| 5 | 18-26-422 | Шайба | |
| 6 | 700-40-5612СП | Манжета | |
| 7 | 700-40-260-17 | Прокладка | |
| 8 | 18-26-421 | Корпус сапуна | |
| 9 | Насос НШ100-Л-2 | Насос НШ100-Л-2 | |
| 10 | 28556 | Болт | |
| 11 | Шайба 12.ОТ.65Г.06 | Шайба 12.ОТ.65Г.06 | |
| 12 | Подшипник 118 | Подшипник 118 | |
| 13 | 18-26-809 | Крышка | |
| 14 | 38435 | Пружина | |
| 15 | 18-26-811 | Вилка | |
| 16 | 18-56-805 | Муфта | |
| 17 | 700-40-3688 | Прокладка | |
| 18 | 700-58-2414 | Кольцо | |
| 19 | 18-26-803 | Муфта | |
| 20 | 18-26-807 | Муфта | |
| 21 | 18-26-486СП | Вал | |
| 22 | 700-58-2416 | Кольцо | |
| 23 | 18-26-804 | Шестерня | |
| 24 | 18-26-806 | Кольцо | |
| 25 | Болт М10x25.46.019 | Болт М10x25.46.019 | |
| 26 | Шайба 10.ОТ.65Г.06 | Шайба 10.ОТ.65Г.06 | |
| 27 | 26291 | Крышка | |
| 28 | 401074-1 | Прокладка | |
| 29 | 18-26-801 | Фланец | |
| 30 | 700-40-260-07 | Прокладка | |
| 31 | 18-26-487СП | Рычаг | |
| 32 | 37121 | Пробка | |
| 33 | Болт М8х20.46.019 | Болт М8х20.46.019 | |
| 34 | Шайба 8Т.65Г.06 | Шайба 8Т.65Г.06 | |
| 35 | 18-26-488СП | Кронштейн | |
| 36 | Ручка 11 П30 | Ручка 11 П30 | |
| 37 | Кольцо У35x30-2 | Кольцо У35x30-2 | |
| 38 | Шплинт 2,5x16 | Шплинт 2,5x16 | |
| 39 | 18-26-812 | Валик | |
| 40 | 700-47-2045 | Ось |
Содержащиеся в справочниках-каталогах запасные части и детали не предлагаются к продаже, а носят исключительно информационный характер