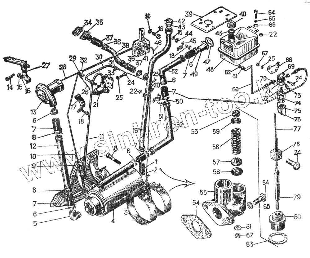
Каталог запасных частей к технике: ЧТЗ Т-130. Установка подогревателя ПЖБ-400,51-43-1СП
1
2
3
4
5
6
6
6
6
6
6
6
7
7
7
7
7
8
9
10
11
12
13
14
15
15
16
16
17
18
18
18
19
20
21
22
22
23
24
24
24
25
25
26
27
28
29
30
31
32
33
34
35
36
36
37
37
38
39
40
41
42
43
43
43
44
45
46
47
48
49
50
51
52
52
53
54
55
56
57
58
59
60
61
62
63
64
64
65
65
66
67
67
68
69
70
71
72
73
74
75
76
77
78
79
80
81
| Позиция на иллюстрации | Заводской номер детали | Название детали | |
|---|---|---|---|
| 051308СП | 051308СП | Отстойник | |
| 21-43-115СП | 21-43-115СП | Кран сливной | |
| 18-10-12СП | 18-10-12СП | Электрооборудование | |
| 18-43-150СП | 18-43-150СП | Бачок | |
| 1 | 700-40-3645 | Рукав | |
| 2 | Хомут 42 | Хомут 42 | |
| 3 | 51-43-105СП | Лента | |
| 4 | Котел (из комплекта ПЖБ-400Б1015008М) | Котел (из комплекта ПЖБ-400Б1015008М) | |
| 5 | 24-43-сб148 | Патрубок | |
| 6 | Хомут 55 | Хомут 55 | |
| 7 | 700-40-3494 | Рукав | |
| 8 | 51-05-116СП | Болт стяжной | |
| 9 | 51-43-104СП | Кронштейн | |
| 10 | 18-10-352СП | Провод | |
| 11 | 24-43-сб129 | Трубка | |
| 12 | 24-43-106 | Труба | |
| 13 | Вентилятор подогревателя | Вентилятор подогревателя (из комплекта ПЖБ-400Б1015008М.) | |
| 14 | Шплинт 8x80 | Шплинт 8x80 | |
| 15 | Гайка М10.6.019 | Гайка М10.6.019 | |
| 16 | Шайба 10.ОТ.65Г.06 | Шайба 10.ОТ.65Г.06 | |
| 17 | 24-43-105 | Скоба | |
| 18 | Болт М10х30.46.019 | Болт М10х30.46.019 | |
| 19 | 51-43-102СП | Труба | |
| 20 | 21-43-сб126 | Кронштейн | |
| 21 | Электромагнитный клапан | Электромагнитный клапан (из комплекта ПЖБ-400Б 1015008М) | |
| 22 | Гайка М8.6.019 | Гайка М8.6.019 | |
| 23 | 21-43-сб111 | Ручка | |
| 24 | Болт М6х16.46.019 | Болт М6х16.46.019 | |
| 25 | Шайба 6Т.65Г.06 | Шайба 6Т.65Г.06 | |
| 26 | 18-10-354СП | Провод | |
| 27 | 24-43-150СП | Кронштейн | |
| 28 | 18-10-353СП | Провод | |
| 29 | 700-40-2654 | Прокладка | |
| 30 | 18-43-146СП | Бензопровод | |
| 31 | 41638 | Хомутик | |
| 32 | 41627 | Скоба | |
| 33 | 18-43-127 | Кронштейн | |
| 34 | 46792 | Прокладка | |
| 35 | 21-43-сб113 | Труба отводящая | |
| 36 | Хомут 38 | Хомут 38 | |
| 37 | 700-40-3490 | Рукав | |
| 38 | 51-43-1 | Труба | |
| 39 | 18-43-134 | Крышка | |
| 40 | 05719 | Пробка | |
| 41 | ПЖБ-400Б1015008М | Щиток из комплекта ПЖБ-400Б1015008М | |
| 42 | 24-43-81 | Пробка | |
| 43 | 40269 | Прокладка | |
| 43 | 40269 | Прокладка | |
| 44 | 31308 | Шайба | |
| 45 | 24-43-97 | Скоба | |
| 46 | 18-10-351СП | Провод | |
| 47 | 700-40-5132 | Прокладка | |
| 48 | 18-43-148СП | Бачок | |
| 49 | 51-43-103СП | Труба | |
| 50 | 21-43-51 | Скоба | |
| 51 | Болт М8х25.46.019 | Болт М8х25.46.019 | |
| 52 | 51-43-101СП | Труба | |
| 53 | 311-35-2 | Кольцо уплотняющее | |
| 54 | 700-40-3567 | Прокладка | |
| 55 | 21-43-40 | Корпус крана | |
| 56 | 311-34-2 | Клапан | |
| 57 | 311-45-1 | Кольцо | |
| 58 | 311-33-2 | Пружина | |
| 59 | 311-36-1A | Шайба | |
| 60 | 18-43-147СП | Бензопровод | |
| 61 | 700-41-2595 | Штуцер | |
| 62 | 700-40-260-06 | Прокладка | |
| 63 | 700-40-260-17 | Прокладка | |
| 64 | Болт М8х20.46.019 | Болт М8х20.46.019 | |
| 65 | Шайба 8Т.65Г.06 | Шайба 8Т.65Г.06 | |
| 66 | 31365 | Шайба | |
| 67 | Гайка М6.6.019 | Гайка М6.6.019 | |
| 68 | l8-43-135 | Кронштейн | |
| 69 | 051309-1 | Корпус | |
| 70 | 41242 | Штуцер | |
| 71 | 700-40-4288 | Прокладка | |
| 72 | 05461 СП | Фильтр | |
| 73 | 051374 | Игла запорная | |
| 74 | 17-05-102 | Стакан отстойника | |
| 75 | 05517 | Гайка | |
| 76 | 05514 | Дужка | |
| 77 | 24-43-93 | Трос | |
| 78 | 81430 | Муфта | |
| 79 | 311-32-2A | Стержень крана | |
| 80 | 311-31-1A | Гайка нажимная | |
| 81 | 31358 | Шайба |
Содержащиеся в справочниках-каталогах запасные части и детали не предлагаются к продаже, а носят исключительно информационный характер