Каталог запасных частей к технике: ЧТЗ Т-130. Управление двигателем 51-74-1СП
1
2
3
3
3
3
3
4
4
5
5
5
5
5
5
5
5
5
5
5
5
5
5
5
6
6
6
6
6
6
6
6
7
7
8
9
10
10
11
12
12
13
13
13
13
14
15
15
15
16
17
18
18
18
18
18
18
18
18
18
19
20
20
20
21
21
21
21
22
23
23
24
24
25
26
26
27
27
27
27
28
29
30
31
31
32
33
34
35
35
35
35
35
35
36
37
38
39
40
41
42
43
43
44
45
46
47
48
49
50
50
51
51
52
53
54
55
56
57
58
59
60
60
61
61
62
62
63
63
64
65
65
65
65
66
67
68
69
70
71
72
73
74
74
75
75
75
76
76
77
77
77
78
78
79
80
80
81
82
83
84
85
85
85
86
87
88
89
90
91
92
93
94
95
95
95
96
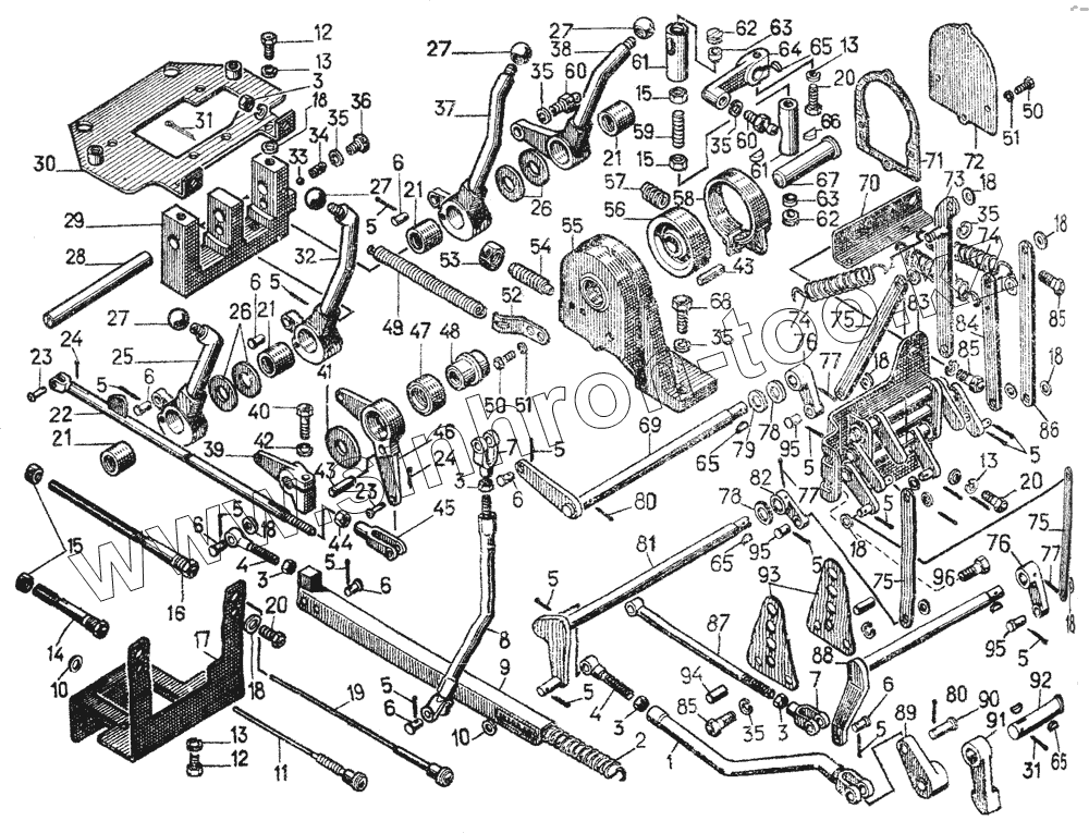
| Позиция на иллюстрации | Заводской номер детали | Название детали | |
|---|---|---|---|
| 16-74-151СП | 16-74-151СП | Корпус | |
| 16-74-152СП | 16-74-152СП | Рычаг | |
| 16-74-150СП | 16-74-150СП | Акселератор | |
| 16-74-153СП | 16-74-153СП | Тяга акселератора | |
| 74107СП | 74107СП | Муфта | |
| 16-74-166СП | 16-74-166СП | Рычаг | |
| 51-74-117СП | 51-74-117СП | Рычаг | |
| 51-74-118СП | 51-74-118СП | Рычаг | |
| 51-74-119СП | 51-74-119СП | Рычаг | |
| 16-74-100СП | 16-74-100СП | Установка акселератора | |
| 16-74- 196СП | 16-74- 196СП | Тяга | |
| 51-74-102СП | 51-74-102СП | Блок управления | |
| 51-74-103СП | 51-74-103СП | Тяга | |
| 51-74-104СП | 51-74-104СП | Тяга | |
| 51-74-105СП | 51-74-105СП | Тяга | |
| 51-74-106СП | 51-74-106СП | Тяга | |
| 1 | 51-74-113СП | Тяга | |
| 2 | 700-38-2693 | Пружина | |
| 3 | Гайка М10.6.019 | Гайка М10.6.019 | |
| 4 | 51-74-32 | Тяга | |
| 5 | Шплинт 2,5x25 | Шплинт 2,5x25 | |
| 6 | 700-47-2045 | Ось | |
| 7 | 24-74-98 | Вилка | |
| 8 | 51-74-114СП | Тяга | |
| 9 | 51-74-112СП | Тяга | |
| 10 | 3135 | Шайба | |
| 11 | 16-74-182СП | Тяга | |
| 12 | Болт М10х20.46.019 | Болт М10х20.46.019 | |
| 13 | Шайба 10.ОТ.65Г.06 | Шайба 10.ОТ.65Г.06 | |
| 14 | 16-74-205СП | Оболочка | |
| 15 | Гайка М12х1,25.6.019 | Гайка М12х1,25.6.019 | |
| 16 | 16-74-181СП | Оболочка | |
| 17 | 51-74-116СП | Кронштейн | |
| 18 | 31308 | Шайба | |
| 19 | 16-74-183СП | Тяга | |
| 20 | Болт М10х25.46.019 | Болт М10х25.46.019 | |
| 21 | 24-15-74 | Втулка | |
| 22 | 16-74-154СП | Тяга | |
| 23 | 06465 | Валик | |
| 24 | Шплинт 2x14 | Шплинт 2x14 | |
| 25 | 51-74-121СП | Рычаг | |
| 26 | 18-74-122 | Прокладка | |
| 27 | Ручка 11 ПЗО | Ручка 11 ПЗО | |
| 28 | 16-74-121 | Валик | |
| 29 | 16-74-122 | Кронштейн | |
| 30 | 16-74-158СП | Кронштейн | |
| 31 | Шплинт 5x50 | Шплинт 5x50 | |
| 32 | 51-74-122СП | Рычаг | |
| 33 | Шарик BV-10 мм Н | Шарик BV-10 мм Н | |
| 34 | 38506 | Пружина | |
| 35 | Шайба 12.ОТ.65Г.06 | Шайба 12.ОТ.65Г.06 | |
| 36 | 28458 | Болт | |
| 37 | 51-74-120СП | Рычаг | |
| 38 | 16-74-165СП | Рычаг | |
| 39 | 16-74-61 | Рычаг | |
| 40 | 2848 | Болт | |
| 41 | 31342 | Шайба | |
| 42 | Шайба 8Т.65Г.06 | Шайба 8Т.65Г.06 | |
| 43 | 700-32-2043 | Штифт | |
| 44 | Гайка М8.6.019 | Гайка М8.6.019 | |
| 45 | 06616 | Вилка | |
| 46 | 16-74-180СП | Рычаг | |
| 47 | 24-15-34 | Втулка | |
| 48 | 16-74-62 | Втулка | |
| 49 | 700-38-2585 | Пружина | |
| 50 | Болт М6х14.46.019 | Болт М6х14.46.019 | |
| 51 | Шайба 6Т.65Г.06 | Шайба 6Т.65Г.06 | |
| 52 | 16-74-64 | Кронштейн | |
| 53 | Гайка М20х1,5.6.019 | Гайка М20х1,5.6.019 | |
| 54 | 700-35-2133 | Винт | |
| 55 | 16-74-57 | Корпус акселератора | |
| 56 | 16-74-58 | Барабан | |
| 57 | 700-38-2578 | Пружина | |
| 58 | 24-74-104СП | Лента тормозная | |
| 59 | 700-29-2142 | Шпилька | |
| 60 | 74109 | Палец | |
| 61 | 74156 | Корпус | |
| 62 | 74111 | Вкладыш | |
| 63 | 74157 | Пробка | |
| 64 | 16-04-23 | Рычаг | |
| 65 | 700-34-2014 | Шпонка | |
| 66 | 34126 | Шпонка | |
| 67 | 16-74-59 | Ось | |
| 68 | 2816 | Болт | |
| 69 | 51-74-110СП | Валик | |
| 70 | 51-74-8 | Кронштейн | |
| 71 | 700-40-5221 | Прокладка | |
| 72 | 16-74-60 | Крышка | |
| 73 | 51-74-107СП | Тяга | |
| 74 | 700-38-2279 | Пружина | |
| 75 | 51-74-5 | Тяга | |
| 76 | 51-74-6 | Рычаг | |
| 77 | Шплинт 3,2x40 | Шплинт 3,2x40 | |
| 78 | 51-74-33 | Упор | |
| 79 | 31361 | Шайба | |
| 80 | Шплинт 3,2x25 | Шплинт 3,2x25 | |
| 81 | 51-74-109СП | Валик | |
| 82 | 51-74-7 | Рычаг | |
| 83 | 51-74-111СП | Мостик переходной | |
| 84 | 51-74-3 | Тяга | |
| 85 | Болт М12х30.46.019 | Болт М12х30.46.019 | |
| 86 | 51-74-4 | Тяга | |
| 87 | 51-74-9 | Тяга | |
| 88 | 51-74-108СП | Валик | |
| 89 | 21-74-1 | Рычаг | |
| 90 | 17317 | Палец | |
| 91 | 51-74-2 | Рычаг | |
| 92 | 51-74-10 | Валик | |
| 93 | 51-74-34 | Планка | |
| 94 | 32232 | Штифт | |
| 95 | 700-47-2075 | Ось | |
| 96 | Болт M12x25.46.019 | Болт M12x25.46.019 |
Содержащиеся в справочниках-каталогах запасные части и детали не предлагаются к продаже, а носят исключительно информационный характер