Каталог запасных частей к технике: ЧТЗ Т-130. Цилиндр комплект 18-26 270СП
1
2
2
3
3
4
5
6
6
7
8
9
10
11
11
12
13
14
14
15
16
17
18
19
20
20
21
21
22
22
23
24
25
26
27
28
29
30
31
32
33
34
35
36
36
37
38
39
40
40
41
41
42
43
44
45
46
46
47
48
49
50
51
52
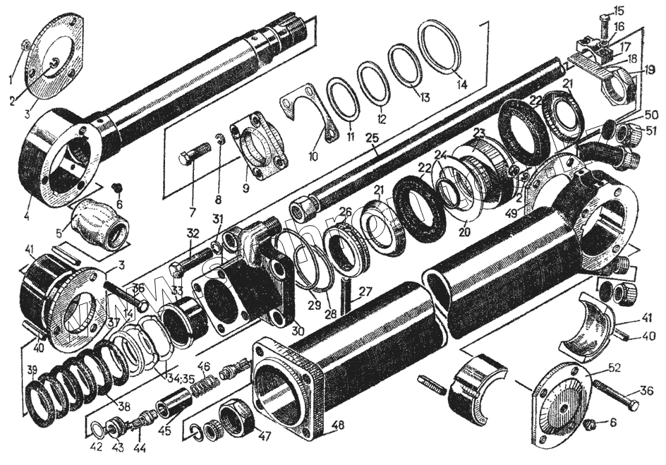
| Позиция на иллюстрации | Заводской номер детали | Название детали | |
|---|---|---|---|
| 700-40-5897 | 700-40-5897 | Заглушка | |
| 37-26-207СП | 37-26-207СП | Клапан | |
| 1 | Гайка М10.6.019 | Гайка М10.6.019 | |
| 2 | Шайба 10.ОТ.65Г.06 | Шайба 10.ОТ.65Г.06 | |
| 3 | 26859 | Крышка | |
| 4 | 18-26-272СП | Шток | |
| 5 | 26865 | Сфера | |
| 6 | Масленка 1.3.Ц6 | Масленка 1.3.Ц6 | |
| 7 | Болт М12-6gх35.56.019 | Болт М12-6gх35.56.019 | |
| 8 | Шайба 12.ОТ.65Г.06 | Шайба 12.ОТ.65Г.06 | |
| 9 | 261245 | Скребок | |
| 10 | 261255 | Прокладка | |
| 11 | 26416 | Чистик | |
| 11 | 26416-1 | Чистик | |
| 12 | 26415 | Чистик | |
| 13 | 26414 | Чистик | |
| 14 | 31482 | Шайба | |
| 15 | Болт М6-6gx28.56.019 | Болт М6-6gx28.56.019 | |
| 16 | Шайба 6Т.65Г.06 | Шайба 6Т.65Г.06 | |
| 17 | 37-26-131-1 | Бугель | |
| 18 | 40564 | Прокладка | |
| 19 | 700-41-2887 | Гайка | |
| 20 | 700-40-6093 | Кольцо | |
| 20 | 700-40-6082 | Кольцо | |
| 21 | 37-26-126 | Упор | |
| 22 | Манжета 75x100 | Манжета 75x100 | |
| 23 | 37-26-208СП | Поршень | |
| 24 | Кольцо У-50х45-2 | Кольцо У-50х45-2 | |
| 25 | 18-26-273СП | Труба | |
| 26 | 37-26-118 | Втулка | |
| 27 | 37-26-119 | Палец | |
| 28 | 700-58-2340 | Кольцо | |
| 29 | Кольцо У-100x95-2 | Кольцо У-100x95-2 | |
| 30 | 37-26-219СП | Крышка | |
| 31 | Шайба 16.ОТ.65Г.06 | Шайба 16.ОТ.65Г.06 | |
| 32 | Болт М16x1,5-6gx60. 109.45Х.029 | Болт М16x1,5-6gx60. 109.45Х.029 | |
| 33 | 26879 | Втулка | |
| 34 | 700-58-2191 | Кольцо | |
| 35 | 700-58-2192 | Кольцо | |
| 36 | Болт M10-6gx75,58.019 | Болт M10-6gx75,58.019 | |
| 37 | КО 60x80-1 | КО 60x80-1 | |
| 38 | М60х80-1 | М60х80-1 | |
| 39 | КН 60x80-1 | КН 60x80-1 | |
| 40 | Шпонка 3-8x7x20 | Шпонка 3-8x7x20 | |
| 41 | 26866 | Сухарь | |
| 42 | Кольцо У-30х25-4 | Кольцо У-30х25-4 | |
| 43 | 37-26-124 | Втулка | |
| 44 | 37-26-1233 | Клапан | |
| 45 | 37-26-117 | Проставка | |
| 46 | Д30-1117154 | Пружина | |
| 46 | 38350 | Пружина | |
| 47 | 700-41-2888 | Гайка | |
| 48 | 18-26-271 СП | Корпус | |
| 49 | 37-26-134 | Крышка | |
| 50 | 700-40-2395 | Прокладка | |
| 51 | 26990 | Колпачок | |
| 52 | 37-26-133 | Крышка |
Содержащиеся в справочниках-каталогах запасные части и детали не предлагаются к продаже, а носят исключительно информационный характер