Каталог запасных частей к технике: ЧТЗ Т-130. Система смазки 51-09-2СП
1
2
3
3
4
5
6
7
8
9
9
10
11
12
13
14
15
16
16
17
18
19
20
21
21
21
22
22
23
23
24
24
25
25
26
27
28
28
29
30
31
32
32
32
33
34
35
36
37
37
38
39
40
41
42
43
44
44
45
46
47
48
49
50
51
52
53
54
55
56
57
58
58
59
60
61
62
63
64
65
65
66
67
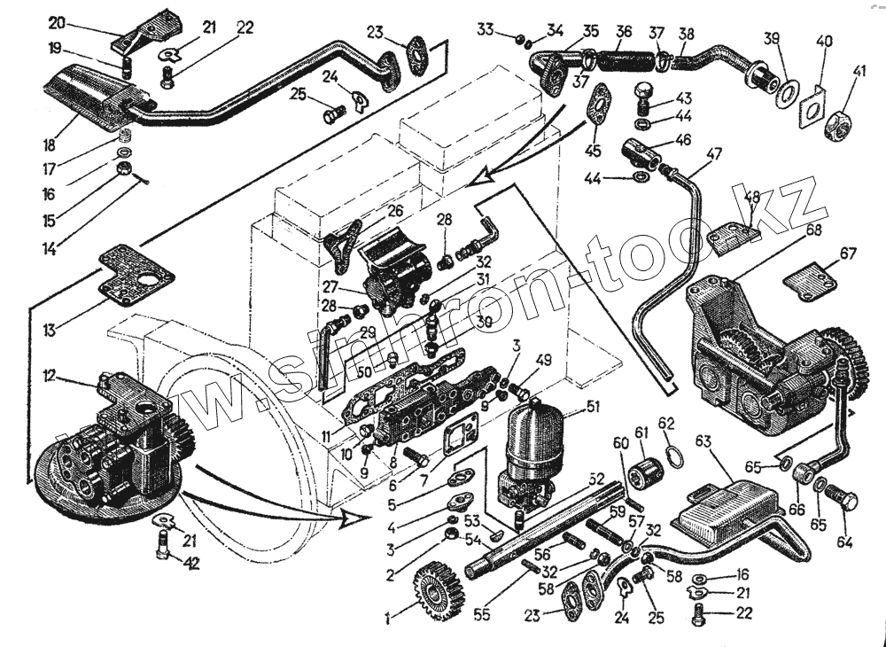
| Позиция на иллюстрации | Заводской номер детали | Название детали | |
|---|---|---|---|
| 51-09-122СП | 51-09-122СП | Валик привода насоса | |
| 1 | 51-09-53 | Шестерня | |
| 2 | 700-30-2099 | Гайка | |
| 3 | Шайба 10.ОТ.65Г.06 | Шайба 10.ОТ.65Г.06 | |
| 4 | 16-09-139 | Фланец | |
| 5 | 700-40-4892 | Прокладка | |
| 6 | Болт М10х55.58.019 | Болт М10х55.58.019 | |
| 7 | 700-40-4746 | Прокладка | |
| 8 | 16-09-135 | Плита маслораспределительная | |
| 9 | 375 | Пробка | |
| 10 | 379 | Пробка | |
| 11 | 700-40-4747 | Прокладка | |
| 12 | 29-09-124СП | Насос масляный | |
| 13 | 700-40-2905 | Прокладка | |
| 14 | Шплинт 2x20 | Шплинт 2x20 | |
| 15 | 700-30-2263 | Гайка | |
| 16 | 31308 | Шайба | |
| 17 | 38307 | Пружина | |
| 18 | 29-09-134СП | Маслоприемник | |
| 19 | 29309 | Шпилька | |
| 20 | 9720 | Кронштейн задний | |
| 21 | 3137 | Шайба | |
| 22 | Болт M10х25.46.019 | Болт M10х25.46.019 | |
| 23 | 40751 | Прокладка | |
| 24 | 31366 | Шайба | |
| 25 | Болт М8х20.46.019 | Болт М8х20.46.019 | |
| 26 | 700-40-3162 | Прокладка | |
| 27 | 16-09-130СП | Фильтр масляный | |
| 28 | 700-41-2001 | Штуцер | |
| 29 | 16-09-187СП | Трубка | |
| 30 | 700-41-3008 | Штуцер | |
| 31 | Гайка М12х1,25.6.019 | Гайка М12х1,25.6.019 | |
| 32 | Шайба 12.ОТ.65Г.06 | Шайба 12.ОТ.65Г.06 | |
| 33 | Гайка M8.6.019 | Гайка M8.6.019 | |
| 34 | Шайба 8Т.65Г.06 | Шайба 8Т.65Г.06 | |
| 35 | 51-09-129СП | Труба | |
| 36 | 46849 | Рукав | |
| 37 | Xoмут 26 | Xoмут 26 | |
| 38 | 51-09-130СП | Труба | |
| 39 | 40910 | Кольцо | |
| 40 | 3173 | Пластина стопорная | |
| 41 | 3039 | Гайка | |
| 42 | Болт M10x30.46.019 | Болт M10x30.46.019 | |
| 43 | 700-41-2917 | Штуцер | |
| 44 | Кольцо 14x20 МН 4152-62 | Кольцо 14x20 МН 4152-62 | |
| 45 | 700-40-5650 | Прокладка | |
| 46 | 51-66-1СП | Уравновешивающий механизм | |
| 47 | 51-09-154СП | Труба | |
| 48 | 29-09-108 | Прокладка | |
| 49 | Болт M10x45.46.019 | Болт M10x45.46.019 | |
| 50 | 700-41-3164 | Штуцер | |
| 51 | 95000 | Центрифуга масляная | |
| 52 | 700-29-2146 | Шпилька | |
| 53 | 700-34-2040 | Шпонка | |
| 54 | 51-09-51 | Валик | |
| 55 | 32268 | Штифт | |
| 56 | 700-29-2853 | Шпилька | |
| 57 | 3135 | Шайба | |
| 58 | 3010 | Гайка | |
| 59 | 700-29-2233 | Шпилька | |
| 60 | 700-32-2105 | Штифт | |
| 61 | 51-09-50 | Муфта | |
| 62 | 700-58-2368 | Кольцо | |
| 63 | 51-09-149СП | Маслоприемник | |
| 64 | 411143 | Штуцер | |
| 65 | Кольцо 16x20 МН 4152-62 | Кольцо 16x20 МН 4152-62 | |
| 66 | 29-09-122СП. | Трубка | |
| 67 | 29-09-109 | Прокладка |
Содержащиеся в справочниках-каталогах запасные части и детали не предлагаются к продаже, а носят исключительно информационный характер