Каталог запасных частей к технике: ЧТЗ Т-130. Регулятор дизеля
1
2
3
4
4
4
5
5
5
5
5
5
5
6
7
8
9
10
11
12
12
13
14
15
16
17
18
19
20
21
22
23
24
24
25
25
26
26
27
27
28
29
30
31
32
33
34
35
36
36
36
36
37
38
39
40
41
42
43
44
44
45
46
47
48
48
48
49
49
50
51
52
53
54
54
55
55
56
57
57
58
58
59
59
59
59
60
61
62
63
63
64
65
65
66
67
68
69
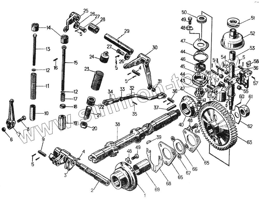
| Позиция на иллюстрации | Заводской номер детали | Название детали | |
|---|---|---|---|
| 06336СП | 06336СП | Рычаг двуплечий | |
| 06328СП | 06328СП | Муфта | |
| 06581 СП | 06581 СП | Валик | |
| 14-06-111СП | 14-06-111СП | Тяга | |
| 16-06-101СП | 16-06-101СП | Валик | |
| 16-06-106СП | 16-06-106СП | Пружина | |
| 29-06-101СТ | 29-06-101СТ | Валик | |
| 29-06-102СТ | 29-06-102СТ | Валик | |
| 06367СП | 06367СП | Подшипник | |
| 1 | 06368 | Корпус | |
| 2 | 06339 | Валик | |
| 3 | 06340 | Рычаг | |
| 4 | 341 | Шпонка | |
| 5 | Шплинт 2x12 | Шплинт 2x12 | |
| 6 | Гайка М8.6.019 | Гайка М8.6.019 | |
| 7 | 16-06-13 | Рычаг | |
| 8 | 2848 | Болт | |
| 9 | 06347 | Палец | |
| 10 | 06353 | Упор минимальной подачи | |
| 11 | 38349 | Пружина | |
| 12 | 31365 | Шайба | |
| 13 | 06352 | Болт минимальной подачи | |
| 14 | 06348 | Муфта | |
| 15 | 06375 | Болт максимальной подачи | |
| 16 | 32252 | Штифт | |
| 17 | 38348 | Пружина | |
| 18 | 06350 | Колпачок | |
| 19 | 06351 | Упор максимальной подачи | |
| 20 | 3031-2 | Гайка | |
| 21 | 06346 | Наконечник | |
| 22 | 06345 | Наконечник | |
| 23 | 700-38-2181 | Пружина | |
| 24 | 634406592 | Наконечник | |
| 24 | 634406592 | Наконечник | |
| 25 | 06333 | Рычаг | |
| 25 | 06379 | Рычаг | |
| 26 | 06334 | Ролик | |
| 27 | 06335 | Валик | |
| 28 | 06332 | Втулка | |
| 29 | 06331-3 | Валик регулятора | |
| 30 | 51-06-1 | Рычаг | |
| 31 | 06338 | Втулка | |
| 32 | 14-06-112СП | Тяга | |
| 33 | Гайка М6.6.019 | Гайка М6.6.019 | |
| 34 | 14-06-14 | Вилка | |
| 35 | 32254 | Штифт | |
| 36 | 96322 | Ось | |
| 36 | 06322 | Ось | |
| 37 | 34116 | Шпонка | |
| 38 | 06361-1 | Валик привода | |
| 39 | 3432 | Шпонка | |
| 40 | 06370-1 | Шестерня | |
| 41 | 30225 | Гайка | |
| 42 | 31363 | Шайба | |
| 43 | 06324 | Шестерня | |
| 44 | 06327 | Прокладка | |
| 45 | 06593 | Корпус | |
| 46 | Подшипник 203 | Подшипник 203 | |
| 47 | 06576 | Фланец | |
| 48 | 31366 | Шайба | |
| 49 | Болт М8х20.46.019 | Болт М8х20.46.019 | |
| 50 | Подшипник 8104 | Подшипник 8104 | |
| 51 | Подшипник 8205 | Подшипник 8205 | |
| 52 | 06329-1 06534-1 | Муфта | |
| 53 | 06330 | Втулка | |
| 54 | 06683 | Валик регулятора | |
| 54 | 06582СП | Валик | |
| 55 | 06318 | Втулка | |
| 56 | 06323 | Ось | |
| 57 | 32251 | Штифт | |
| 58 | 06321 | Сухарь | |
| 59 | 06584СП | Груз регулятора | |
| 59 | 06585 | Груз регулятора | |
| 59 | 29-06-103СП | Груз регулятора | |
| 59 | 29-06-2 | Груз регулятора | |
| 60 | Шплинт 2x16 | Шплинт 2x16 | |
| 61 | 30227 | Гайка | |
| 62 | 31364 | Пластина | |
| 63 | 29-06-1 | Шестерня | |
| 63 | 16-06-1 | Шестерня | |
| 64 | Болт М8х25-46.019 | Болт М8х25-46.019 | |
| 65 | 06363 | Плита | |
| 66 | 06615 | Шайба | |
| 67 | 06364 | Втулка | |
| 68 | 14-06-3 | Прокладка | |
| 69 | 67205 | Втулка |
Содержащиеся в справочниках-каталогах запасные части и детали не предлагаются к продаже, а носят исключительно информационный характер