Каталог запасных частей к технике: ЧТЗ Т-130. Кривошипно-шатунный механизм 51-03-1СП
1
2
3
4
4
4
4
5
5
5
5
6
7
8
9
9
9
9
10
10
10
10
11
12
12
13
14
15
16
17
18
19
20
20
20
20
21
22
23
24
25
26
27
28
29
30
31
32
33
34
35
36
37
38
39
40
41
42
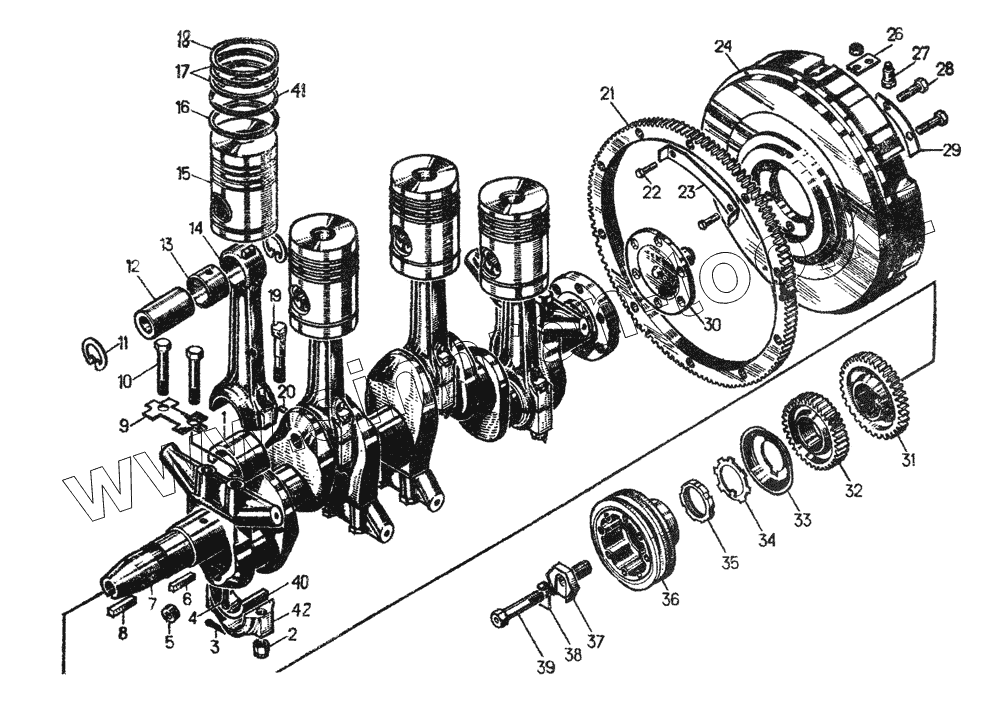
| Позиция на иллюстрации | Заводской номер детали | Название детали | |
|---|---|---|---|
| 16-03-115СП | 16-03-115СП | Шатун | |
| А2301-100-160сбН2 | А2301-100-160сбН2 | Комплект шатунных вкладышей 2 нормального размера | |
| А23.01-100-160сбН1 | А23.01-100-160сбН1 | Комплект шатунных вкладышей 1-го нормального размера | |
| 16-03-сб126 | 16-03-сб126 | Вал коленчатый с комплектом коренных и шатунных вкладышей | |
| 03694-1СП | 03694-1СП | Комплект поршневых колец | |
| 16-03-111СП | 16-03-111СП | Маховик | |
| 14-03-127СП | 14-03-127СП | Болт шатуна | |
| 1 | А23.01-10003АН1 | Вкладыш шатунного подшипника верхний | |
| 2 | 03314 | Гайка | |
| 3 | Шплинт 3,2x32 | Шплинт 3,2x32 | |
| 4 | Шплинт 4x40 | Шплинт 4x40 | |
| 4 | Шплинт 4x40 | Шплинт 4x40 | |
| 4 | Шплинт 4x40 | Шплинт 4x40 | |
| 4 | Шплинт 4x40 | Шплинт 4x40 | |
| 5 | 03652 | Заглушка | |
| 5 | 03652 | Заглушка | |
| 5 | 03652 | Заглушка | |
| 5 | 03652 | Заглушка | |
| 6 | 34106 | Шпонка | |
| 7 | 16-03-112ОШСП3 | Вал коленчатый | |
| 8 | 34107 | Шпонка | |
| 9 | 700-31-2125 | Пластина замковая | |
| 9 | 700-31-2125 | Пластина замковая | |
| 9 | 700-31-2125 | Пластина замковая | |
| 9 | 700-31-2125 | Пластина замковая | |
| 10 | 700-28-2130 | Болт | |
| 10 | 700-28-2130 | Болт | |
| 10 | 700-28-2130 | Болт | |
| 10 | 700-28-2130 | Болт | |
| 11 | 03306 | Замок | |
| 12 | 16-03-3 | Палец поршневой | |
| 12 | 16-03-50 | Палец поршневой | |
| 13 | 03315 | Втулка | |
| 14 | 16-03-114СП | Шатун | |
| 15 | 51-03-103СП | Поршень | |
| 16 | А27.00.043 | Кольцо малосъемное | |
| 17 | А27.00.024 | Кольцо компрессионное нижнее | |
| 18 | А27.00.011 | Кольцо компрессионное верхнее | |
| 19 | 03313 | Болт шатуна | |
| 20 | 03311 | Штифт | |
| 20 | 03311 | Штифт | |
| 20 | 03311 | Штифт | |
| 20 | 03311 | Штифт | |
| 21 | 03618-1 | Венец | |
| 22 | 28452 | Болт | |
| 23 | 31334 | Пластина замковая | |
| 24 | 16-03-30 | Маховик | |
| 25 | 3011 | Гайка | |
| 26 | 16-03-12 | Пластина замковая | |
| 27 | 16-03-13 | Сухарик | |
| 28 | 28504 | Болт | |
| 29 | 31335 | Пластина замковая | |
| 30 | 16-03-17 | Цапфа | |
| 31 | 16-03-37 | Шестерня | |
| 32 | 16-03-20 | Шестерня | |
| 33 | 16-03-38 | Шайба | |
| 34 | 16-03-49 | Шайба | |
| 35 | 03323 | Гайка | |
| 36 | 14-03-12 | Шкив коленчатого вала | |
| 37 | 03709 | Болт | |
| 38 | 31337 | Пластина замковая | |
| 39 | 03331 | Болт | |
| 40 | А23.01-10004АН1 | Вкладыш шатунного подшипника нижний | |
| 41 | А27.17.000 | Кольцо малосъемное | |
| 42 | 16-03-43 | Крышка |
Содержащиеся в справочниках-каталогах запасные части и детали не предлагаются к продаже, а носят исключительно информационный характер