Каталог запасных частей к технике: ЧТЗ Т-130. Корпус регулятора дизеля
1
1
2
2
2
2
2
2
2
3
3
3
4
5
6
7
8
9
10
11
12
13
13
13
14
14
15
16
17
18
19
20
21
22
23
24
25
26
27
28
29
29
30
31
32
33
34
35
36
37
38
39
40
41
42
43
44
45
46
47
47
48
49
50
51
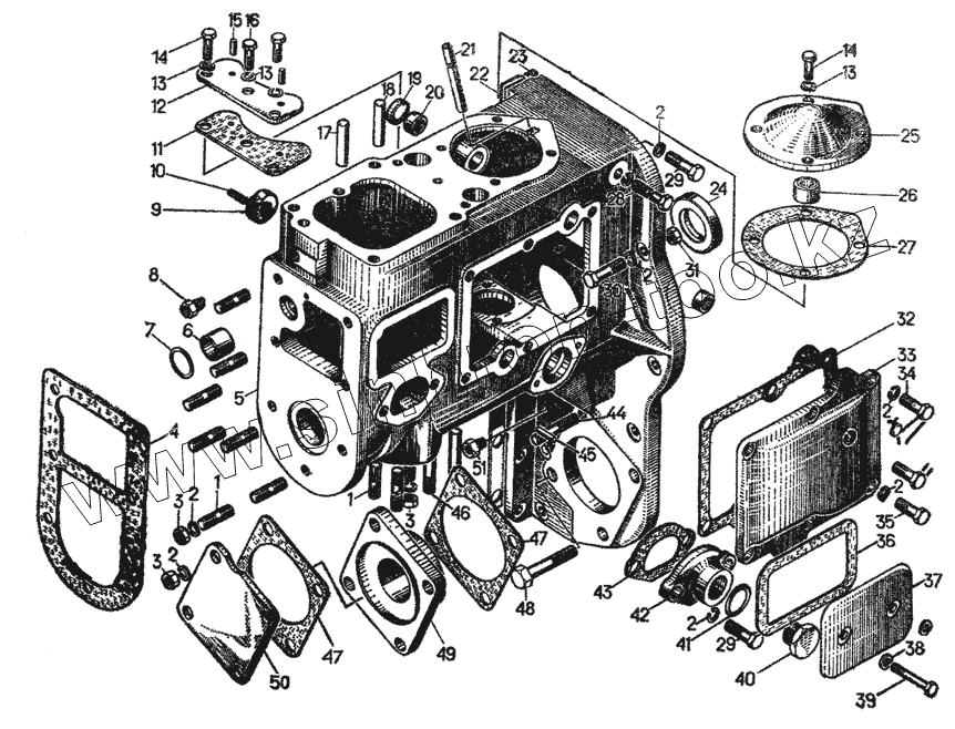
| Позиция на иллюстрации | Заводской номер детали | Название детали | |
|---|---|---|---|
| 14-06-108СП | 14-06-108СП | Корпус | |
| 06310СП | 06310СП | Крышка | |
| 06307СП | 06307СП | Крышка | |
| 1 | Д24.210 | Шпилька | |
| 2 | Шайба 10.ОТ.65Г.06 | Шайба 10.ОТ.65Г.06 | |
| 3 | 3084 | Гайка | |
| 4 | 40748 | Прокладка | |
| 5 | 16-06-4-1 | Корпус регулятора | |
| 6 | 06304 | Втулка | |
| 7 | 40747 | Кольцо | |
| 8 | 411071СП | Штуцер | |
| 9 | 40967СП | Сальник | |
| 10 | 32248 | Штифт | |
| 11 | 40962 | Прокладка | |
| 12 | 06311 | Крышка | |
| 13 | Шайба 8Т.65Г.06 | Шайба 8Т.65Г.06 | |
| 14 | Болт М8х20.46.019 | Болт М8х20.46.019 | |
| 15 | 32250 | Штифт | |
| 16 | 28473 | Болт | |
| 17 | 32245 | Штифт | |
| 18 | 32247 | Штифт | |
| 19 | 06305 | Пробка-колпачек | |
| 20 | Подшипник 941/15 | Подшипник 941/15 | |
| 21 | 06306 | Трубка | |
| 22 | 06577 | Прокладка | |
| 23 | 46170 | Прокладка | |
| 24 | 40976СП | Сальник | |
| 25 | 06308 | Крышка | |
| 26 | 06309 | Втулка | |
| 27 | 40961 | Прокладка | |
| 28 | Болт М10,6gx170.58C.019 | Болт М10,6gx170.58C.019 | |
| 29 | Болт М10х30.46.019 | Болт М10х30.46.019 | |
| 30 | Болт M10x40.46.019 | Болт M10x40.46.019 | |
| 31 | Гайка М10.6.019 | Гайка М10.6.019 | |
| 32 | 40963 | Прокладка | |
| 33 | 06312 | Крышка | |
| 34 | 28475 | Болт | |
| 35 | Болт M10х25.46.019 | Болт M10х25.46.019 | |
| 36 | 40964 | Прокладка | |
| 37 | 06562 | Крышка | |
| 38 | 40975 | Кольцо | |
| 39 | 700-28-2190 | Болт | |
| 40 | 37150 | Пробка | |
| 41 | 700-40-260-16 | Прокладка | |
| 42 | 06314 | Горловина | |
| 43 | 40965 | Прокладка | |
| 44 | 700-29-2194 | Шпилька | |
| 45 | 32249 | Штифт | |
| 46 | 29335 | Шпилька | |
| 47 | 700-40-2631 | Прокладка | |
| 48 | Болт М10x45.46.019 | Болт М10x45.46.019 | |
| 49 | 35-15-1 | Плита | |
| 50 | 14-06-12 | Крышка | |
| 51 | 41242 | Штуцер |
Содержащиеся в справочниках-каталогах запасные части и детали не предлагаются к продаже, а носят исключительно информационный характер