Каталог запасных частей к технике: ЧТЗ Т-130. Кабина 24-59-5СП
1
1
2
3
4
5
6
7
7
8
9
10
10
11
11
12
13
14
15
16
17
18
19
20
21
22
22
22
22
23
24
24
24
25
26
26
26
26
26
26
26
27
28
29
29
30
31
32
33
33
34
34
34
34
34
35
36
37
38
39
39
39
39
40
40
40
41
42
43
44
45
46
47
48
49
49
50
51
51
52
52
53
53
54
54
55
56
56
57
58
59
59
59
60
61
62
63
64
64
65
66
67
68
69
70
71
72
73
74
75
76
77
77
78
79
80
81
82
83
84
85
86
87
88
89
89
90
91
92
93
94
95
96
97
98
99
100
101
102
103
104
105
106
107
108
109
110
111
111
112
113
114
115
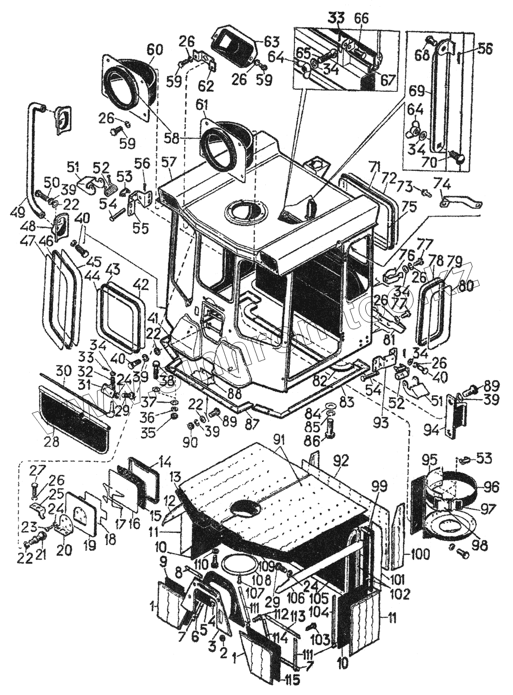
| Позиция на иллюстрации | Заводской номер детали | Название детали | |
|---|---|---|---|
| 21-59-сб114 | 21-59-сб114 | Кронштейн | |
| 21-59-112СП | 21-59-112СП | Козырек светозащитный | |
| 24-59-115СП | 24-59-115СП | Зеркало | |
| 24-59-195СП | 24-59-195СП | Кронштейн | |
| 1 | 18-59-316СП | Уплотнение | |
| 2 | Гайка М4.6019 | Гайка М4.6019 | |
| 3 | 50-59-44 | Уплотнение | |
| 4 | 24-59-356 | Планка | |
| 5 | 50-59-142СП | Панель | |
| 6 | 24-59-431 | Планка | |
| 7 | 24-59-363 | Планка | |
| 8 | 24-59-430 | Планка | |
| 9 | 18-59-239СП | Панель правая | |
| 10 | 18-59-240СП | Панель | |
| 11 | 18-59-318СП | Уплотнение | |
| 12 | 24-59-580 | Стенка | |
| 13 | 50-59-115СП | Панель | |
| 14 | 24-59-153 | Ободок | |
| 15 | 24-59-148 | Зеркало | |
| 16 | 24-59-152 | Прокладка | |
| 17 | 24-59-155 | Пружина | |
| 18 | 24-59-150 | Пластина | |
| 19 | 24-59-149 | Корпус | |
| 20 | 24-59-сб131 | Кронштейн | |
| 21 | 24-59-156 | Опора | |
| 22 | 31308 | Шайба | |
| 23 | Винт М6х12.48.019 | Винт М6х12.48.019 | |
| 24 | Шайба 6Т.65Г.06 | Шайба 6Т.65Г.06 | |
| 25 | 24-59-154 | Прижим | |
| 26 | Шайба 8Т.65Г.06 | Шайба 8Т.65Г.06 | |
| 27 | Болт М8х35.46.019 | Болт М8х35.46.019 | |
| 28 | 21-59-115СП | Козырек | |
| 29 | Болт М6х16.46.019 | Болт М6х16.46.019 | |
| 30 | 21-59-сб113 | Ось | |
| 31 | 21-59-77 | Кронштейн | |
| 32 | 700-38-2360 | Пружина | |
| 33 | Шплинт 2x14-001 | Шплинт 2x14-001 | |
| 34 | 31386-1 | Шайба | |
| 35 | 3010 | Гайка | |
| 36 | Шайба 12.ОТ.65Г.06 | Шайба 12.ОТ.65Г.06 | |
| 37 | 31372 | Шайба | |
| 38 | 2826 | Болт | |
| 39 | Шайба 10.ОТ.65Г.06 | Шайба 10.ОТ.65Г.06 | |
| 40 | Болт М10х20.46.019 | Болт М10х20.46.019 | |
| 41 | 700-40-3967СП | Прокладка правая | |
| 42 | 24-59-198 | Стекло | |
| 43 | 24-59-226 | Окантовка | |
| 44 | 24-59-232 | Кант | |
| 45 | 24-59-197 | Стекло | |
| 46 | 24-59-225 | Окантовка | |
| 47 | 24-59-231 | Кант | |
| 48 | 50-59-27 | Накладка | |
| 49 | 50-59-108СП | Поручень | |
| 49 | 50-59-109СП | Поручень | |
| 50 | Болт М10х40.46.019 | Болт М10х40.46.019 | |
| 51 | 24-59-397 | Защелка | |
| 52 | 700-38-2486 | Пружина | |
| 53 | 591044 | Амортизатор | |
| 54 | 700-47-96 | Валик | |
| 55 | 24-59-396 | Корпус правый | |
| 56 | Шплинт 2,5x14 | Шплинт 2,5x14 | |
| 57 | 24-59-180СП | Каркас | |
| 58 | 700-40-4954 | Проставка | |
| 59 | Болт М8х20.46.019 | Болт М8х20.46.019 | |
| 60 | 24-59-156СП | Кронштейн | |
| 61 | 24-59-157СП | Кронштейн | |
| 62 | 24-59-204СП | Планка | |
| 63 | 24-59-589 | Кожух | |
| 64 | 05573-1 | Гайка | |
| 65 | 700-28-2121 | Болт откидной | |
| 66 | 06465 | Валик | |
| 67 | 700-40-3915 | Уплотнитель | |
| 68 | 591127 | Валик | |
| 69 | 24-59-176 | Кулиса | |
| 70 | Болт Л18х25.46.019 | Болт Л18х25.46.019 | |
| 71 | 24-59-223 | Окантовка | |
| 72 | 24-59-229 | Кант | |
| 73 | Болт М8х16.46.019 | Болт М8х16.46.019 | |
| 74 | 24-59-435 | Ручка | |
| 75 | 24-59-195 | Стекло | |
| 76 | 21-59-180 | Скоба | |
| 77 | Винт М8х22.48.019 | Винт М8х22.48.019 | |
| 78 | 24-59-196 | Стекло | |
| 79 | 24-59-224 | Окантовка | |
| 80 | 24-59-230 | Кант | |
| 81 | 50-59-29 | Скоба | |
| 82 | 700-40-3965СП | Прокладка задняя | |
| 83 | 700-40-3966СП | Прокладка левая | |
| 84 | 31477 | Шайба | |
| 85 | Шайба 16.ОТ.65Г.06 | Шайба 16.ОТ.65Г.06 | |
| 86 | 2831 | Болт | |
| 87 | 700-40-5227СП | Прокладка | |
| 88 | 24-59-488 | Кронштейн | |
| 89 | Болт M10x25.46.019 | Болт M10x25.46.019 | |
| 90 | Гайка М10.6.019 | Гайка М10.6.019 | |
| 91 | 50-59-113СП | Уплотнение | |
| 92 | 18-59-320СП | Уплотнение | |
| 93 | 24-59-395 | Корпус левый | |
| 94 | 24-59-447 | Защелка | |
| 95 | 24-59-196СП | Кронштейн | |
| 96 | Лента ЛРТ 35x3,3 | Лента ЛРТ 35x3,3 | |
| 97 | 24-59-541 | Крючок | |
| 98 | 24-59-197СП | Застежка | |
| 99 | 24-59-358 | Планка | |
| 100 | 18-59-328СП | Уплотнение | |
| 101 | 18-59-319СП | Уплотнение | |
| 102 | 24-59-407 | Уголок | |
| 103 | 700-35-2007 | Шуруп | |
| 104 | 24-59-368 | Планка | |
| 105 | 62-59-115СП | Обшивка | |
| 106 | 24-59-579 | Стенка | |
| 107 | Винт М5х16.48.019 | Винт М5х16.48.019 | |
| 108 | 24-59-351 | Кольцо | |
| 109 | 50-59-114СП | Панель | |
| 110 | 31453 | Шайба | |
| 111 | 24-59-367 | Планка | |
| 112 | Винт М4х18.48.019 | Винт М4х18.48.019 | |
| 113 | 24-59-364 | Планка | |
| 114 | 24-59-366 | Планка | |
| 115 | 18-59-238СП | Панель левая |
Содержащиеся в справочниках-каталогах запасные части и детали не предлагаются к продаже, а носят исключительно информационный характер