Вернуться на главную
Поиск
Каталоги запчастей к технике
Спецтехника
ЧТЗ
Т-130
Головка цилиндров, комплект 29-02-3СП
Каталог запасных частей к технике: ЧТЗ Т-130. Головка цилиндров, комплект 29-02-3СП
zoom-in
zoom-out
enlarge
shrink
circle-right
circle-left
file-text2
info
cart
Тип техники
Не выбрано
Легковые автомобили
Грузовые автомобили и прицепы
Автобусы
Сельхозтехника
Спецтехника
Двигатели
Мототехника
Марка
Не выбрано
Ammann
BOMAG
CARMIX
CASE IH
Changlin
ChengGong
Dimex
Doosan
DYNAPAC
Foton
HAMM
Hidromek
Hitachi
Hyundai
JCB
JLG
John Deere
Komatsu
LIEBHERR
LiuGong
Lonking (LongGong)
Luneng
MANITOU
Mitsuber
New Holland
PENGPU
RM-Terex
SANY
SDLG
SEM
Shantui
Shehwa HBXG
Soosan
TIGARBO
VOGELE
Volvo
WAY
WIRTGEN
XCMG
XGMA
Xiamen
YTO
Yuchai
Zoomlion
Автокран
АЗСМ
Алтайлесмаш
Амкодор
АОМЗ
Атек
АТЗ
Балканкар Рекорд
БелАЗ
Беловеж
Борекс
Брянский Арсенал
Булат
ВЭКС
ГАЗ
Геомаш
Гидромаш
Донекс
Дормаш
Дормашина
Дорэлектромаш
ДЭЗ
ЕлАЗ
ЗЗГТ
Ижнефтемаш
Канаш-электрокар
КЗКТ
ККЗ
Клевер
Клинцовский автокрановый завод
КМЗ
КМЗ 1 Мая
Ковровец
Коммаш
Кранэкс
КЭЗ
КЭМЗ
ЛЗА
МАЗ
МЗИК
МЗКМ
МЗКТ
Михневский РМЗ
МоАЗ
Мозырский МЗ
МТЗ
ОЗП
Онежец
ПАО "ТЗА"
ППС Детва
Промтрактор
ПТЗ
Раскат
СпецАгрегат
ТВЭКС
ТТМ
УВЗ
Угличмаш
УЗТМ
ХТЗ
ЧЗКМ
ЧСДМ
ЧТЗ
ЭКСКО
ЭКСМАШ
ЮрМаш
Модель
Не выбрано
Бульдозер Б11 (2010)
Бульдозер Б12 (2010)
Бульдозер Б14 (2010)
ДЭТ-250М2 (2000)
Кран ТР-20, ТР-12 (2006)
Рабочее оборудование Б10М (2006)
Т-10.02 (1995)
Т-10М (2012)
Т-130 (1990)
Т-170
Т-170М-01
Схема
>
Не выбрано
Площадка 18-24-14СП, 48-24-3СП
Площадка 24-24-5СП, 20-24-4СП\1
Капот для гидрофицированных тракторов 18-55-сб11
Капот 24-55-сб5
Установка кожухов 24-51-сб9
Установка щитков 24-64-3СП, 20-64-3СП\1
Кабина 24-59-5СП
Установка стенки 24-55-7СП для тракторов без кабины
Тент 24-63-СБ1
Двери кабины
Дверка люка 24-59-183СП
Сидение подрессоренное, комплект А 31.00.000-02
Установка обогревателя кабины 18-47-2СП
Установка вентилятора кабины 24-57-4СП
Блок 51-01 112СП
Картер 51-01-105СП
Сапун, комплект 51-01-114СП
Кожух шестерен распределения 16-01-152СП и передняя опора дизеля 29-01-111СП
Кожух маховика
Головка цилиндров, комплект 29-02-3СП
Кривошипно-шатунный механизм 51-03-1СП
Механизм газораспределения 16-04-08СП
Турбокомпрессор ТКР-11Н-3, комплект 92.000
Головка и блок цилиндров
Картер
Механизм пусковой, комплект 700.03.010.11
Поршень, кривошипы
Воздухоочиститель, карбюратор, выхлопной патрубок
Установка бензобачка 51-25-5СП
Регулятор 700.02.010.20
Электрооборудование
Вал редуктора пускового агрегата с деталями из комплекта 700.12.010.10СП
Корпус редуктора пускового агрегата с деталями из комплекта 700.12.010.10
Установка топливного бака 18-25-5СП
Регулятор дизеля
Корпус регулятора дизеля
Установка воздухоочистителя 51-05-109СП
Установка коллекторов
Воздухоочиститель, комплект 51-05-100СП
Блок топливного насоса
Механизм привода плунжеров
Секция насоса, комплект 16-67-101СП для 1 и 4 цилиндров, 16-67-109СП для 2 и 3 цилиндров
Форсунки с трубками высокого давления 14-69-4СП
Фильтр грубой очистки топлива
Фильтр тонкой очистки топлива 70101СП
Топливоподкачивающая помпа, комплект 14-71-3СП
Установка вентилятора 16-07-5СП
Водяной насос, 16-08-140СП
Система охлаждения
Установка радиатора 24-304СП
Система смазки 51-09-2СП
Масляный насос комплект 29-09-124СП
Центрифуга масляная, комплект 95.000
Фильтр масла к турбонагнетателю комплект 16-09-130СП
Маслопроводы двигателя
Корпус бортовых фрикционов с деталями трансмиссии
Сервомеханизм, комплект 24-15-118СП
Система смазки трансмиссии 24-60-1СП, 20-60-3СП\1
Насос масляный, комплект 24-60-125СП
Уравновешивающий механизм, комплект 51-66-1СП
Главная передача с бортовыми фрикционами 24-16-1СП
Бортовой фрикцион, комплект 24-16-101СП правый, 24-16-102СП левый
Сервомеханизм, комплект 21-17-4СП
Система рычагов управления трансмиссией
Муфта сцепления 18-14-4СП, 20-14-2СП для болотоходных тракторов
Механизм управления муфтой сцепления 24-15-3СП
Валы и шестерни коробки передач
Корпус коробки передач с крышками и механизмами переключения передач
Механизм переключения передач для болотоходных тракторов 20-12-131СП-левый, 20-12-132СП-правый
Бортовой редуктор 24-19-115СП-левый, 24-19-116СП-правый
Бортовой редуктор 24-19-115СП-левый, 24-19-116-правый
Бортовой редуктор болотоходных тракторов 24-19-117СП-левый, 24-19-118СП-правый
Бортовой редуктор болотоходных тракторов 24-19-117СП-левый, 24-19-118СП-правый
Рессора, комплект 24-20 112сп
Рессора, комплект 20-20-110СП для болтоходных тракторов
Тележка гусеницы 24-21-111СП-левая, 24-21-112СП-правая
Тележка гусеницы для болотоходных тракторов 20-21-сб107-левая, 20-21-cб108-правая
Колесо натяжное, комплект 24-21-146СП-правое, 50-21-138СП-левое (комплект 20-21-120СП для болотоходных тракторов)
Каток поддерживающий, комплект 24-21-171СП
Каток однобортный, комплект 24-21-169СП
Гусеницы 24-22-1СП, 20-22-3СП для болотоходных тракторов
Гидравлическая система управления трактором для гидрофицированных тракторов 18-56-6СП, 48-56-2СП\1
Гидравлическая система управления трактором 24-56-4СП, 20-56-3СП\1
Механизм управления поворотом 24-13-1СП
Работомер, комплект 16-72-1СП
Управление двигателем 51-74-1СП
Управление двигателем 18-74-5СП
Щиток (из комплекта ПЖБ-400Б 1015008М)
Тормоза 18-18-2СП
Электрооборудование трактора 50-10-3СП
Электрооборудование трактора (сборочные единицы)
Щиток приборов, комплект 18-10-394СП
Прицепное устройство 20400
Прицепное устройство 18-51-сб3
Механизм навески комплект 266СП
Установка механизма навески 18-26-14СП
Муфты разрывные комплект 26-26-120СП
Тяга центральная комплект 261400СП
Трубопроводы гидросистемы 18-26-11СП, 18-26-сб12, 48-26-сб12\1, 18-26-23СП, 18-26-16СП, 48-26-17СП\1
Баки гидросистемы 18-26-206СП, 48-26-сб107\1
Распределитель комплект Р150-13-20-000, распределитель с автоматом возврата комплект Р150-23-30-000 для тракторов с механизмом навески
Цилиндр комплект 18-26 270СП
Гидроцилиндр комплект Ц125.250.160.001-11П, Ц125.250.160.001-11Л
Установка привода насоса 18-26-485СП
Установка подогревателя ПЖБ-400,51-43-1СП
Инструмент и принадлежности
Подшипники
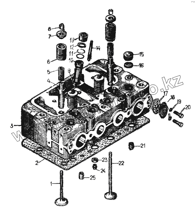
29-02-102СП
1
2
3
4
5
6
7
8
9
10
11
12
13
14
15
16
17
18
19
20
21
22
23
24
25
Позиция на иллюстрации
Заводской номер детали
Название детали
29-02-102СП
29-02-102СП
Головка цилиндров
1
14-02-33-В
Клапан впускной
2
14-02-101СП/2
Прокладка
3
29-02-12
Головка цилиндров
4
14-02-3
Втулка
5
38330
Пружина
6
38366
Пружина
7
0489
Тарелка
8
02211
Сухарик
9
700-40-2253
Прокладка
10
14-02-30-3
Втулка
11
46764
Кольцо
12
16-02-30
Прокладка
13
14-02-31-1
Гайка
14
29466
Шпилька
15
14-02-46
Заглушка
16
14-02-47
Донышко
17
40157
Прокладка
18
0299
Заглушка
19
Шайба 8Т.65Г.06
Шайба 8Т.65Г.06
20
Болт М8х20.46.019
Болт М8х20.46.019
21
02204
Дефлектор длинный
22
14-02-32
Клапан выпускной
23
40843/2
Кольцо
24
02218
Труба
25
02205
Дефлектор короткий
Содержащиеся в справочниках-каталогах запасные части и детали не предлагаются к продаже, а носят исключительно информационный характер
Дополнительная информация
×
Название:
Номер:
Примечание: