Вернуться на главную
Поиск
Каталоги запчастей к технике
Спецтехника
ЧТЗ
Т-10М
Насос масляный
Каталог запасных частей к технике: ЧТЗ Т-10М. Насос масляный
zoom-in
zoom-out
enlarge
shrink
circle-right
circle-left
file-text2
info
cart
Тип техники
Не выбрано
Легковые автомобили
Грузовые автомобили и прицепы
Автобусы
Сельхозтехника
Спецтехника
Двигатели
Мототехника
Марка
Не выбрано
Ammann
BOMAG
CARMIX
CASE IH
Changlin
ChengGong
Dimex
Doosan
DYNAPAC
Foton
HAMM
Hidromek
Hitachi
Hyundai
JCB
JLG
John Deere
Komatsu
LIEBHERR
LiuGong
Lonking (LongGong)
Luneng
MANITOU
Mitsuber
New Holland
PENGPU
RM-Terex
SANY
SDLG
SEM
Shantui
Shehwa HBXG
Soosan
TIGARBO
VOGELE
Volvo
WAY
WIRTGEN
XCMG
XGMA
Xiamen
YTO
Yuchai
Zoomlion
Автокран
АЗСМ
Алтайлесмаш
Амкодор
АОМЗ
Атек
АТЗ
Балканкар Рекорд
БелАЗ
Беловеж
Борекс
Брянский Арсенал
Булат
ВЭКС
ГАЗ
Геомаш
Гидромаш
Донекс
Дормаш
Дормашина
Дорэлектромаш
ДЭЗ
ЕлАЗ
ЗЗГТ
Ижнефтемаш
Канаш-электрокар
КЗКТ
ККЗ
Клевер
Клинцовский автокрановый завод
КМЗ
КМЗ 1 Мая
Ковровец
Коммаш
Кранэкс
КЭЗ
КЭМЗ
ЛЗА
МАЗ
МЗИК
МЗКМ
МЗКТ
Михневский РМЗ
МоАЗ
Мозырский МЗ
МТЗ
ОЗП
Онежец
ПАО "ТЗА"
ППС Детва
Промтрактор
ПТЗ
Раскат
СпецАгрегат
ТВЭКС
ТТМ
УВЗ
Угличмаш
УЗТМ
ХТЗ
ЧЗКМ
ЧСДМ
ЧТЗ
ЭКСКО
ЭКСМАШ
ЮрМаш
Модель
Не выбрано
Бульдозер Б11 (2010)
Бульдозер Б12 (2010)
Бульдозер Б14 (2010)
ДЭТ-250М2 (2000)
Кран ТР-20, ТР-12 (2006)
Рабочее оборудование Б10М (2006)
Т-10.02 (1995)
Т-10М (2012)
Т-130 (1990)
Т-170
Т-170М-01
Схема
>
Не выбрано
Блок дизеля
Картер дизеля
Горловина заливная
Сапун
Кожух шестерен распределения
Кожух маховика дизеля
Блок пускового двигателя
Блок пускового двигателя
Головка цилиндров
Кривошипно-шатунный механизм дизеля
Шатун дизеля. Комплект
Кривошипно-шатунный механизм пускового двигателя
Механизм газораспределения дизеля
Механизм газораспределения пускового двигателя
Установка агрегатов систем впуска и выпуска
Установка коллекторов
Воздухоочиститель дизеля
Установка воздухоочистителя пускового двигателя
Установка агрегатов систем впуска и выпуска
Регулятор дизеля
Корпус регулятора
Регулятор пускового двигателя
Установка вентилятора
Система охлаждения
Насос
Установка радиаторов для трактора с «прямым» потоком
Радиатор с рамой
Установка радиаторов для трактора с «обратным» потоком
Блок радиаторов
Система смазки
Фильтр масляный
Валик привода масляного насоса
Насос масляный
Установка маслозакачивающего насоса МЗН-5
Электрооборудование трактора (с гидромеханической трансмиссией)
Электрооборудование трактора (с гидромеханической трансмиссией)
Электрооборудование дизеля (с электростартерной системой пуска)
Электрооборудование дизеля (с электростартерной системой пуска)
Установка стартера
Установка генератора
Электрооборудование дизеля (с пусковым двигателем)
Установка электрооборудования пускового двигателя
Установка щитка управления подогревателем ПЖД-30Е (для дизеля с пусковым двигателем)
Установка аккумуляторных батарей (для трактора с гидромеханической трансмиссией и электро-стартерной системой пуска)
Установка аккумуляторных батарей (для трактора с гидромеханической трансмиссией и пусковым двигателем)
Электрооборудование кабины (для трактора с гидромеханической трансмиссией)
Блок пуска и контроля
Щиток управления
Электрооборудование трактора (с механической трансмиссией)
Установка аккумуляторных батарей (для трактора с механической трансмиссией и электростартерной системой пуска)
Установка аккумуляторных батарей (для трактора с механической трансмиссией и пусковым двигателем)
Электрооборудование кабины (для трактора с механической трансмиссией)
Щиток приборов
Электрооборудование установки отопителя «AIRTRONIC D4»
Панель управления подогревателя HYDRONIC L35-24В
Рама
Коробка передач гидромеханической трансмиссии
Корпус, проставка, клапан
Водило
Вал с деталями
Тормоза коробки передач
Вал-шестерня с деталями
Блок передач
Плита
Коробка передач. Детали крепления
Коробка передач. Детали управления
Коробка передач Детали управления (продолжение)
Коробка передач. Детали управления (для болото-ходного трактора)
Колонка управления (для болотоходного трактора)
Коробка передач механической трансмиссии
Вал верхний
Вал первый промежуточный
Вал второй промежуточный
Вал нижний
Детали крепления вала
Детали крепления вала
Детали крепления вала
Детали крепления вала
Валики, вилки переключения передач
Корпус коробки передач с крышками и механизмами переключения
Механизм переключения
Механизм переключения
Управление поворотом и тормозами (для трактора с гидромеханической трансмиссией)
Механизм управления поворотом
Механизм управления тормозами
Механизм управления поворотом (для трактора c механической трансмиссией)
Механизм управления поворотом (для трактора c механической трансмиссией) продолжение
Тяга
Тяга
Тяга
Тяга
Гидротрансформатор
Гидротрансформатор - продолжение
Кожух
Корпус и колесо турбинное
Колесо насосное, колесо реактора Кольцо В 155
Детали гидротрансформатора
Привод насосов
Клапан
Фильтр
Фильтр – продолжение
Привод механизма включения (для трактора с пусковым двигателем)
Муфта сцепления
Муфта включения
Диск ведомый
Детали муфты сцепления болото-ходного трактора
Механизм управления муфтой сцепления и стояночным тормозом
Сервомеханизм муфты сцепления
Главная передача с бортовыми фрикциoнами
Бортовые фрикционы
Сервомеханизм управления поворотом (для гидромеханической трансмиссии)
Корпус
Сервомеханизм управления поворотом (механической трансмиссии)
Детали управления механической трансмиссией
Толкатель
Тормоза
Редуктор бортовой
Фланец ведущий
Шестерня двойная
Детали бортового редуктора (кожух, полуось, подшипники, ступица, шестерни)
Детали бортового редуктора (концевой подшипник, крышки, уплотнения)
Детали бортового редуктора (ведущее колесо, лабиринтное уплотнение, проставка)
Установка балки
Установка прицепного устройства (маятникого типа)
Тележки
Каток поддерживающий
Колеса натяжные
Механизмы натяжения и сдавания
Каток (однобортный), каток (двубортный)
Гусеница
Установка сиденья (для трактора с механической трансмиссией)
Установка сиденья (для трактора с гидромеханической трансмиссией
Платформа
Площадка (для трактора с гидромеханической трансмиссией)
Площадка (для трактора с механической трансмиссией)
Площадка (для трактора с механической трансмиссией) продолжение
Установка уплотнений рычагов управления трактором с механической трансмиссией
Установка топливного бака
Установка бензобачка пускового двигателя
Установка топливного бачка отопителя «Air Top 2000 ST»-24V (Webasto)
Установка гидросистемы
Бак
Фильтр гидросистемы
Установка гидроцилиндров
Гидроцилиндр
Установка привода насоса и компрессора
Установка передних трубопроводов
Установка задних трубопроводов
Установка рукавов (управления рыхлительным оборудованием)
Установка трубопроводов перекоса отвала (для трактора с гидромеханической трансмиссией)
Установка трубопроводов перекоса отвала (для трактора с механической трансмиссией)
Управление гидрораспределителем (для трактора с гидромеханической трансмиссией)
Установка рычагов гидрораспределителя (для трактора с механической трансмиссией)
Гидрораспределитель. Крышка верхняя
Гидрораспределитель Корпус
Гидрораспределитель. Крышка нижняя
Установка подогревателя “HYDRONIC-35” (для трактора с электростартерным пуском двигателя)
Установка подогревателя “HYDRONIC-35” (для трактора с электростартерным пуском двигателя) продолжение
Установка подогревателя ПЖД-30Е (для трактора с пусковым двигателем)
Установка подогревателя (для трактора с пусковым двигателем) - продолжение
Установка подогревателя Thermo 90 STD “Webasto” (для трактора с электростартерным пуском двигателя)
Установка подогревателя Thermo 90 STD “Webasto” (для трактора с электростартерным пуском двигателя) продолжение
Отопитель-вентилятор
Установка отопителя-вентилятора
Система отопления и вентиляции
Система отопления и вентиляции – продолжение
Установка отопителя и воздуховодов
Установка отопителя «ZENITH 8000» (для трактора с гидромеханической трансмиссией)
Установка отопителя «ZENITH 8000» (для трактора с механической трансмиссией)
Установка отопителя «AIRTRONIC D4» (для трактора с гидромеханической трансмиссией)
Установка отопителя «AIRTRONIC D4» (для трактора с механической трансмиссией)
Установка кондиционера RIO-3000
Установка кондиционера «Август»
Установка компрессора кондиционера под Д-180М
Кардан
Установка защиты двигателя
Установка защиты трансмиссии
Установка прицепного устройства (жесткого типа)
Турбокомпрессор ТКР 8,5С
Капот
Капот-продолжение
Гидравлическая система управления трактором (для тракторов с гидромеханической трансмиссией)
Гидравлическая система управления трактором (для трактора с механической трансмиссией)
Установка кабины (для трактора с гидромеханической трансмиссией)
Кабина (для трактора с гидромеханической трансмиссией)
Кабина (для трактора с гидромеханической трансмиссией) – продолжение
Кабина (для трактора с гидромеханической трансмиссией) – продолжение
Кабина (для трактора с механической трансмиссией)
Кабина (для трактора с механической трансмиссией) - продолжение
Дверь
Установка люка
Солнцезащитная шторка. Комплект
Зеркала заднего вида. Комплект
Система смазки механической трансмиссии
Система смазки механической трансмиссии – продолжение
Насос
Гидравлическая система питания, управления и смазки гидромеханической трансмиссии
Фильтр
Установка устройства защиты оператора
Установка щитков
Установка щитков от схода гусениц
Механизм уравновешивающий
Установка топливной аппаратуры
Топливный насос
Топливный насос (Механизм привода плунжеров)
Секция топливного насоса
Блок топливного насоса
Форсунка
Установка топливного фильтра грубой очистки
Фильтр топливный грубой очистки
Установка топливного фильтра тонкой очистки
Топливный фильтр тонкой очистки
Установка стеклоомывателей
Топливоподкачивающий насос
Муфта сцепления
Управление дизелем (с электростартерным пуском)
Управление декомпрессором (для дизеля с электростартерной системой пуска)
Акселератор
Блок управления (топливным насосом)
Управление дизелем (с пусковым двигателем)
Блок управления пусковым двигателем
Редуктор пускового двигателя
1
1
2
3
4
5
5
6
7
8
9
9
10
10
11
12
13
14
14
15
16
16
17
18
19
20
21
22
23
24
25
26
27
28
29
30
31
32
32
33
33
34
35
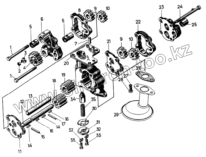
Позиция на иллюстрации
Заводской номер детали
Название детали
51-09-217СП
51-09-217СП
Насос масляный
1
БолтМ10-6gx130.58.019
Болт М10-6gx130.58.019
2
700-30-2099
Гайка
3
3137
Шайба
4
51-09-197
Колесо зубчатое
5
29-09-62
Втулка
6
16-09-98
Крышка
7
700-32-2198
Штифт
8
51-09-157
Корпус
9
09217
Шестерня
10
09216
Шестерня
11
51-09-158
Плита
12
16-09-140
Валик
13
09476
Ось
14
700-34-2031
Шпонка
15
700-32-2185
Штифт
16
700-34-2021
Шпонка
17
700-32-2125
Штифт
18
16-09-146
Шестерня
19
16-09-145
Шестерня
20
29-09-60
Корпус
21
29-09-64
Плита
22
29-09-63
Корпус
23
29-09-57
Крышка
24
700-28-2087СП
Болт
25
29-09-58
Втулка
26
700-40-2886
Прокладка
27
Шайба10.ОТ.65Г.09
Шайба 10.ОТ.65Г.09
28
БолтМ10x20.58.019
Болт М10x20.58.019
29
51-09-264СП
Маслоприемник
30
16-09-147
Прокладка
31
29-09-117
Фланец
32
700-31-2087
Шайба стопорная
33
28466
Болт
34
09205
Клапан
35
700-38-2191
Пружина
Содержащиеся в справочниках-каталогах запасные части и детали не предлагаются к продаже, а носят исключительно информационный характер
Дополнительная информация
×
Название:
Номер:
Примечание: