Каталог запасных частей к технике: ЧТЗ Т-10М. Механизм управления муфтой сцепления и стояночным тормозом
1
1
1
1
2
2
2
2
2
2
3
4
5
5
6
7
8
8
9
10
11
12
13
14
15
16
17
18
19
20
20
21
21
22
23
24
25
26
27
28
29
30
31
32
32
32
32
33
34
35
35
35
35
35
36
36
36
36
36
37
38
39
40
41
42
43
43
44
45
46
46
47
47
48
49
49
50
50
51
51
52
52
53
54
55
56
57
58
58
59
60
60
61
62
63
64
65
66
67
68
69
70
71
72
73
74
75
76
77
78
79
80
81
82
83
84
85
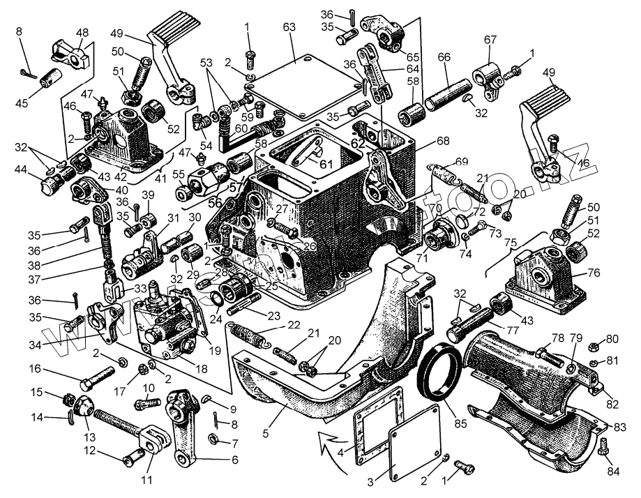
| Позиция на иллюстрации | Заводской номер детали | Название детали | |
|---|---|---|---|
| 1 | БолтМ10-6gx25.58.019 | Болт | |
| 2 | Шайба10.ОТ.65Г.09 | Шайба 10.ОТ.65Г.09 | |
| 3 | 15234 | Крышка | |
| 4 | 46173 | Прокладка | |
| 5 | 50-15-123 | Кожух | |
| 5 | 50-15-154СП | Кожух | |
| 6 | 24-15-90 | Рычаг | |
| 7 | 3193-1 | Шайба | |
| 8 | Шплинт4x32 | Шплинт 4x32 | |
| 9 | 700-34-2029 | Шпонка | |
| 10 | БолтМ10-6gx35.58.019 | Болт М10-6gx35.58.019 | |
| 11 | 50-15-36 | Тяга | |
| 12 | 700-47-2091 | Ось | |
| 13 | 17377 | Гайка | |
| 14 | Шплинт3,2x40.019 | Шплинт 3,2x40.019 | |
| 15 | 50-15-34 | Стопор | |
| 16 | БолтМ10-6gx130.58.019 | Болт М10-6gx130.58.019 | |
| 17 | ГайкаМ10-7H.6.019 | Гайка М10-7H.6.019 | |
| 18 | 50-15-118СП | Сервомеханизм | |
| 19 | 700-40-3278 | Прокладка | |
| 20 | ГайкаМ8x1-6Н.8.45.019 | Гайка М8x1-6Н.8.45.019 | |
| 21 | 06412 | Винт | |
| 22 | 700-38-2073 | Пружина | |
| 23 | 2994 | Шпилька | |
| 24 | 700-40-7374 | Кольцо | |
| 25 | 50-15-62 | Втулка | |
| 26 | БолтМ12-6gx35.58.019 | Болт М12-6gx35.58.019 | |
| 27 | Шайба12.ОТ.65Г.09 | Шайба 12.ОТ.65Г.09 | |
| 28 | 700-32-2201 | Штифт | |
| 29 | 50-15-24 | Втулка | |
| 30 | 50-15-142 | Валик | |
| 31 | 50-15-51 | Рычаг | |
| 32 | 34128 | Шпонка | |
| 33 | 24-15-109 | Вилка | |
| 34 | 24-15-64-1 | Рычаг | |
| 35 | 17317 | Палец | |
| 36 | Шплинт3,2x22.019 | Шплинт 3,2x22.019 | |
| 37 | 700-30-2414 | Гайка | |
| 38 | 24-15-126СП | Тяга | |
| 39 | 24-15-11 | Ролик | |
| 40 | 24-15-65-1 | Рычаг | |
| 41 | 50-15-105СП | Колонка | |
| 42 | 50-15-32 | Колонка | |
| 43 | 50-15-22 | Втулка | |
| 44 | 50-15-28 | Ось | |
| 45 | 700-47-2099 | Ось | |
| 46 | БолтМ10-6gx30.58.019 | Болт | |
| 47 | Масленка1.3.Ц6 | Масленка | |
| 48 | 50-15-29 | Фиксатор | |
| 49 | 24-15-23 | Педаль | |
| 50 | 50-15-57 | Упор | |
| 51 | 3031-2 | Гайка | |
| 52 | 50-15-23 | Втулка | |
| 53 | 40912 | Кольцо | |
| 54 | 700-41-3010 | Колено | |
| 55 | 50-15-194 | Втулка | |
| 56 | 50-15-162СП | Втулка | |
| 57 | 50-15-141 | Втулка | |
| 58 | 50-15-20 | Втулка | |
| 59 | 700-41-3069 | Штуцер | |
| 60 | РВД6-40-380-11510(09)/10(09)-90°-У | РВД | |
| 60 | 48-15-122СП | Рукав | |
| 61 | 24-15-51 | Стрелка | |
| 62 | 24-15-105-1 | Рычаг | |
| 63 | 24-15-45 | Крышка | |
| 64 | 24-15-106 | Тяга | |
| 65 | 24-15-104-1 | Рычаг | |
| 66 | 50-15-19 | Ось | |
| 67 | 24-15-63-1 | Рычаг | |
| 68 | 50-15-122 | Кожух | |
| 69 | 700-38-2279 | Пружина | |
| 70 | 50-15-166СП | Стакан | |
| 71 | 50-15-124 | Стакан | |
| 72 | 27580 | Заглушка | |
| 73 | БолтМ8-6gx25.88.35.019 | Болт М8-6gx25.88.35.019 | |
| 74 | Шайба8Т.65Г.09 | Шайба 8Т.65Г.09 | |
| 75 | 50-15-102CП | Колонна | |
| 76 | 24-15-103 | Колонка | |
| 77 | 50-15-2 | Ось | |
| 78 | БолтМ16-6gx75.88.019 | Болт М16-6gx75.88.019 | |
| 79 | Шайба16.ОТ.65Г.09 | Шайба 16.ОТ.65Г.09 | |
| 80 | ГайкаМ6-7Н.6.019 | Гайка | |
| 81 | Шайба6Т.65Г.09 | Шайба 6Т.65Г.09 | |
| 82 | 28-15-133СП | Кожух | |
| 83 | 28-15-69 | Кожух | |
| 84 | БолтМ6-6gx20.58.019 | Болт М6-6gx20.58.019 | |
| 85 | 40795 | Кольцо |
Содержащиеся в справочниках-каталогах запасные части и детали не предлагаются к продаже, а носят исключительно информационный характер