Каталог запасных частей к технике: ЧТЗ Т-10.02. Стартер (для пуска дизеля) продолжение
1
1
2
2
3
4
5
6
8
9
10
11
12
13
14
15
16
17
18
19
20
20
21
22
23
23
24
25
26
27
28
29
30
31
32
33
34
35
36
37
38
38
39
40
41
42
43
44
45
46
47
48
49
50
51
52
53
54
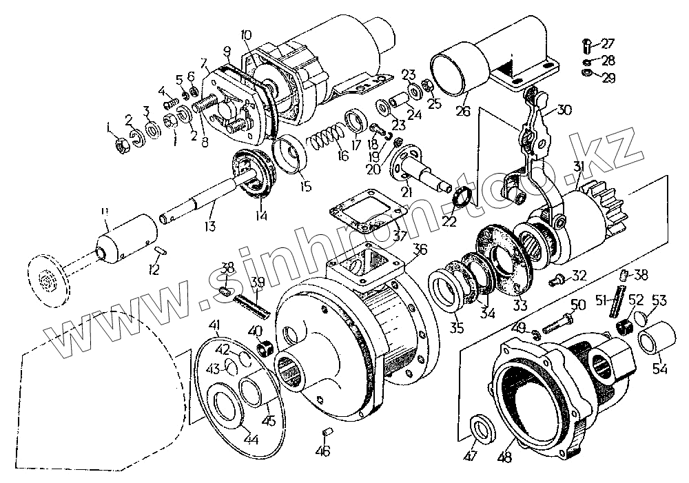
| Позиция на иллюстрации | Заводской номер детали | Название детали | |
|---|---|---|---|
| 25 3708 410 | 25 3708 410 | Крышка привода | |
| 25 3703 420 | 25 3703 420 | Крышка привода | |
| РС25-3708 080 | РС25-3708 080 | Крышка | |
| 25 3708 850 | 25 3708 850 | Якорь | |
| 25 3703 510 | 25 3703 510 | Корпус провода | |
| 25 3708 400 | 25 3708 400 | Якорь с приводом и крышкой привода | |
| 25 3708 500 | 25 3708 500 | Корпус привода | |
| 1 | Х2-9302 | Гайка М12х1.25-6Н.6.016 | |
| 2 | 7Х-423S | Шайба 12Л 65Г 05 | |
| 3 | МХ-0825 | Шайба | |
| 4 | МХ-1020 | Винт В.М5-6gх22 | |
| 5 | Х-4001 | Шайба пружинная | |
| 6 | 8Х-1497 | Шайба 5.01.016 | |
| 8 | РС25-3708 011 | Болт контактный | |
| 9 | РС25-3708 006-Б | Прокладка | |
| 10 | РС25-3708 030 | Диск контактный | |
| 11 | 25 3708 851 | Якорь | |
| 12 | МХ-0317 | Штифт | |
| 13 | 25 3708 852 | Тяга | |
| 14 | 25 3708 803 | Прокладка | |
| 15 | 25 3708 805 | Чашка | |
| 16 | 16 3708 811 | Пружина | |
| 17 | 25 3708 804 | Чашка | |
| 18 | [Винт В.М6-6gх16] | Винт В.М6-6gх16 | |
| 19 | Х-1482 | Шайба 6Т 65Г 09 | |
| 20 | МХ-0276 | Шайба 6.01.016 | |
| 20 | [Шайба 6.02.3кп.016] | Шайба 6.02.3кп.016 | |
| 21 | СТ142-3708 070 | Ось рычага | |
| 22 | 16 3708 406 | Кольцо | |
| 23 | 25 3708 805 | Чашка | |
| 24 | 25 3708 801 | Втулка | |
| 25 | [Гайка М8.6Н.6.016] | Гайка М8.6Н.6.016 | |
| 26 | 25 3708 001 | Кожух | |
| 27 | МХ-0905 | Винт В.М5-6gх18 | |
| 28 | Х-4001 | Шайба пружинная | |
| 29 | 8Х-1497 | Шайба 5.01.016 | |
| 30 | 25 3708 450 | Рычаг | |
| 31 | 25 3708 600 | Привод стартера | |
| 32 | 25 3708 502 | Винт В.М6-6gх12.58.019 | |
| 33 | 25 3708 501 | Шайба | |
| 34 | 25 3708 503 | Шайба | |
| 35 | М67.26.15.030 | Сальник | |
| 36 | 25 3708 511 | Корпус привода | |
| 37 | 25 3708 002 | Прокладка | |
| 38 | СТ103А-3708 043 | Пробка | |
| 39 | СТ25 3708 206 | Фильц | |
| 40 | 25 3708 317 | Фильц | |
| 41 | СТ103А 3708 046 | Кольцо уплотнительное | |
| 42 | 25 3708 314 | Прокладка | |
| 43 | 25 3708 319 | Заглушка | |
| 44 | МХ-1087 | Шайба | |
| 45 | 25 3708 512 | Вкладыш | |
| 46 | МХ-1191 | Штифт | |
| 47 | 25 3708 403 | Шайба упорная | |
| 48 | 25 3708 421 | Крышка привода | |
| 49 | Х-4069 | Шайба | |
| 50 | МХ-0564 | Винт | |
| 51 | 25 3708 411 | Фильц | |
| 52 | 25 3708 412 | Фильц | |
| 53 | 25 3708 413 | Заглушка | |
| 54 | 25 3708 402-01 | Вкладыш подшипника |
Содержащиеся в справочниках-каталогах запасные части и детали не предлагаются к продаже, а носят исключительно информационный характер