Каталог запасных частей к технике: ЧТЗ Т-10.02. Система охлаждения
1
2
2
2
2
2
3
4
5
6
7
8
8
9
10
10
11
12
13
14
15
16
17
18
19
20
20
20
21
22
23
23
24
25
26
27
28
29
30
31
32
33
34
35
36
36
37
38
39
40
41
42
43
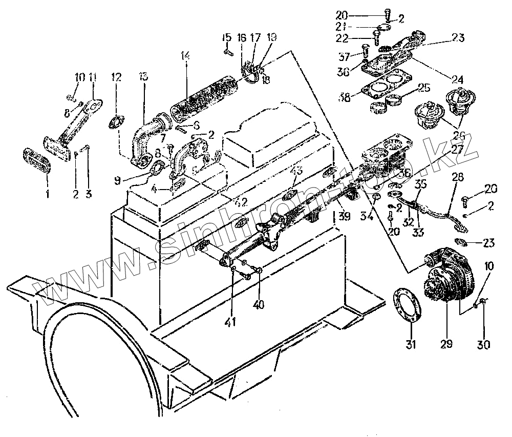
| Позиция на иллюстрации | Заводской номер детали | Название детали | |
|---|---|---|---|
| 51-08-1СП | 51-08-1СП | Система охлаждения дизеля с пусковым двигателем | |
| 51-08-3СП | 51-08-3СП | Система охлаждения дизеля с электростартерной системой пуска | |
| 51-08-116СП | 51-08-116СП | Труба | |
| 700-41-2230СП | 700-41-2230СП | Хомут | |
| 1 | 40952 | Прокладка | |
| 2 | [Шайба 8Т 65Г 09] | Шайба 8Т 65Г 09 | |
| 3 | [Болт М8х30.53.019] | Болт М8х30.53.019 | |
| 4 | 46236 | Прокладка | |
| 5 | 46237 | Прокладка | |
| 6 | [Болт М8х45.58.019] | Болт М8х45.58.019 | |
| 7 | [Болт М10х40.58.019] | Болт М10х40.58.019 | |
| 8 | [Шайба 10 ОТ 65Г 09] | Шайба 10 ОТ 65Г 09 | |
| 9 | 46792 | Прокладка | |
| 10 | [Болт М10-6gх80.58.019] | Болт М10-6gх80.58.019 | |
| 11 | 51-08-26 | Труба | |
| 12 | 40285 | Прокладка | |
| 13 | 51-08-19 | Труба | |
| 14 | 42701 | Рукав | |
| 15 | 700-28-2176 | Болт | |
| 16 | 700-41-3334 | Лента хомута | |
| 17 | 37-26-71 | Накладка | |
| 18 | [Гайка М8.6.019] | Гайка М8.6.019 | |
| 19 | 700-31-2269 | Шайба стопорная | |
| 20 | [Болт М8х20.56.019] | Болт М8х20.56.019 | |
| 21 | 0299 | Заглушка | |
| 22 | [Болт М12х1,25х40.58.019] | Болт М12х1,25х40.58.019 | |
| 23 | 700-40-2969 | Прокладка | |
| 24 | 51-08-13 | Крышка | |
| 25 | 51-08-28 | Кольцо прижимное | |
| 26 | [Термостат ТС 108-130.6100] | Термостат ТС 108-130.6100 | |
| 27 | 40751 | Прокладка | |
| 28 | 16-08-153СП | Труба | |
| 29 | 16-08-140СП | Насос | |
| 30 | 700-30-2099 | Гайка | |
| 31 | 700-40-2194 | Прокладка | |
| 32 | 29-08-103СП | Труба | |
| 33 | 46834 | Рукав | |
| 34 | 3010 | Гайка | |
| 35 | 700-41-2235-10СП | Хомут | |
| 36 | [Шайба 12 ОТ 65Г 09] | Шайба 12 ОТ 65Г 09 | |
| 37 | 709-28-2173 | Болт | |
| 38 | 40919 | Прокладка | |
| 39 | 51-08-27 | Труба водоотводная | |
| 40 | [Болт М10х30.58.019] | Болт М10х30.58.019 | |
| 41 | 40839 | Кольцо | |
| 42 | 08598 | Труба сливная | |
| 43 | 40155 | Прокладка |
Содержащиеся в справочниках-каталогах запасные части и детали не предлагаются к продаже, а носят исключительно информационный характер