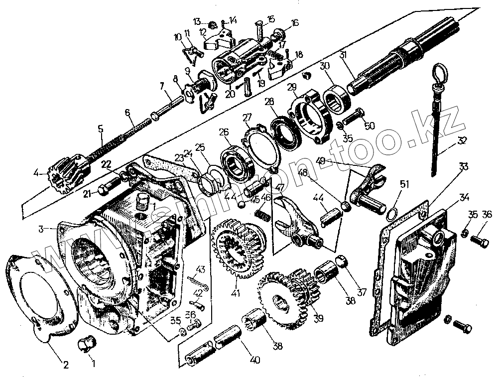
Каталог запасных частей к технике: ЧТЗ Т-10.02. Редуктор пускового двигателя
1
2
3
4
5
6
7
8
9
10
11
12
13
14
15
16
17
18
19
20
21
22
23
24
25
26
27
28
29
30
31
32
33
34
35
35
35
36
36
37
38
38
39
40
41
42
43
44
44
45
46
47
48
49
50
| Позиция на иллюстрации | Заводской номер детали | Название детали | |
|---|---|---|---|
| 17-76-8СП | 17-76-8СП | Редуктор | |
| 17-76-10СП | 17-76-10СП | Редуктор пускового двигателя | |
| 76106СП | 76106СП | Вал редуктора | |
| 72118СП | 72118СП | Муфта механизма включения | |
| 7612СП | 7612СП | Шестерня | |
| 1 | 700-37-2025 | Пробка | |
| 2 | 700-40-2368 | Прокладка | |
| 3 | 17-76-13-1 | Корпус | |
| 4 | 17-76-22 | Шестерня | |
| 5 | 38342 | Пружина | |
| 6 | 38343 | Пружина | |
| 7 | 72101 | Толкатель муфты | |
| 8 | 31106 | Шайба | |
| 9 | 7213 | Направляющая толкателя | |
| 10 | 42216 | Проволока контроля | |
| 11 | [Болт СМД 8-1994] | Болт СМД 8-1994 | |
| 12 | 72106 | Защелка муфты | |
| 13 | 72107 | Винт | |
| 14 | [Шплинт 5х50] | Шплинт 5х50 | |
| 15 | 72119 | Ось защелки | |
| 16 | 72117 | Пятка муфты | |
| 17 | 38344 | Пружина защелки | |
| 18 | 72105 | Защелка муфты | |
| 19 | [Кольцо 020-026-36-2-2] | Кольцо 020-026-36-2-2 | |
| 20 | 72116 | Муфта механизма включения | |
| 21 | 2816 | Болт | |
| 22 | [Шайба 12 ОТ 65Г 09] | Шайба 12 ОТ 65Г 09 | |
| 23 | 700-40-2212 | Прокладка | |
| 24 | 700-30-2305 | Гайка | |
| 25 | 700-31-2566 | Шайба | |
| 26 | [Подшипник 208К] | Подшипник 208К | |
| 27 | 40960 | Прокладка | |
| 28 | 40263СП | Сальник | |
| 29 | 76105 | Крышка сальника | |
| 30 | 726-1 | Втулка | |
| 31 | 76107 | Вал | |
| 32 | 17-01-162СП | Линейка масломерная | |
| 33 | 700-40-4482 | Прокладка | |
| 34 | 17-76-27 | Крышка | |
| 35 | [Шайба 10 ОТ 65Г 09] | Шайба 10 ОТ 65Г 09 | |
| 36 | [Болт М10х25.58.019] | Болт М10х25.58.019 | |
| 37 | 052 | Пробка | |
| 38 | 766-1 | Втулка | |
| 39 | 765 | Шестерня | |
| 40 | 17-76-3-1 | Ось | |
| 41 | 764 | Шестерня | |
| 42 | 700-32-2014 | Штифт | |
| 43 | [Шплинт 5х50] | Шплинт 5х50 | |
| 44 | 17-76-7-1 | Вал вилки | |
| 45 | [Шарик Б 12-200] | Шарик Б 12-200 | |
| 46 | 38347 | Пружина | |
| 47 | 76111 | Вилка | |
| 48 | 76113 | Заглушка | |
| 49 | 17-76-19 | Вилка | |
| 50 | [Болт М10х40.58.019] | Болт М10х40.58.019 |
Содержащиеся в справочниках-каталогах запасные части и детали не предлагаются к продаже, а носят исключительно информационный характер