Каталог запасных частей к технике: ЧТЗ Т-10.02. Муфта сцепления пускового двигателя
1
2
3
4
5
6
7
8
9
10
11
12
13
14
15
15
16
17
18
19
20
21
21
21
21
21
22
23
24
25
26
27
28
29
30
30
31
32
33
34
35
36
37
38
38
39
40
41
42
43
44
44
45
46
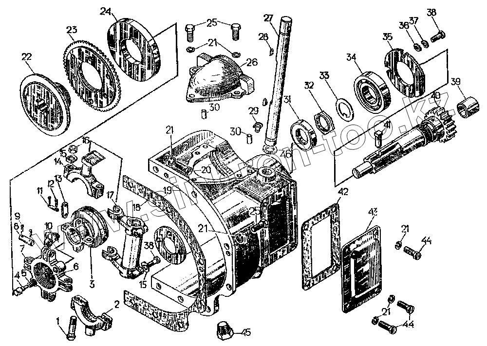
| Позиция на иллюстрации | Заводской номер детали | Название детали | |
|---|---|---|---|
| 17-73-111СП | 17-73-111СП | Корпус | |
| 17-73-112СП | 17-73-112СП | Корпус | |
| 17-73-127СП | 17-73-127СП | Хомут в сборе | |
| 17-73-7СП | 17-73-7СП | Муфта сцепления | |
| 7324СП | 7324СП | Вал | |
| 7318СП | 7318СП | Крестовина | |
| 1 | [Болт М8х55.46.019] | Болт М8х55.46.019 | |
| 2 | 17-73-47 | Хомут | |
| 3 | 7315-1 | Муфта включения | |
| 4 | 7316 | Защелка | |
| 5 | 3874 | Пружина | |
| 6 | 0516 | Кнопка | |
| 7 | 7310 | Крестовина | |
| 8 | 7312 | Палец | |
| 9 | [Шплинт 2,5х16.019] | Шплинт 2,5х16.019 | |
| 10 | 7311-1 | Кулачок | |
| 11 | 7314 | Палец | |
| 12 | [Шплинт 2х12.019] | Шплинт 2х12.019 | |
| 13 | 7313 | Серьга | |
| 14 | 17-73-46 | Хомут | |
| 15 | 31103-1 | Шайба стопорная | |
| 16 | [Гайка М8.6.019] | Гайка М8.6.019 | |
| 17 | 74102 | Вилка | |
| 18 | 40954 | Прокладка | |
| 19 | 17-73-20-1 | Корпус | |
| 20 | [Болт М10х30.58.019] | Болт М10х30.58.019 | |
| 21 | [Шайба 10 ОТ 65Г 09] | Шайба 10 ОТ 65Г 09 | |
| 22 | 736 | Диск неподвижный | |
| 23 | 738-4 | Диск | |
| 24 | 739 | Диск нажимной | |
| 25 | [Болт М10х25.58.019] | Болт М10х25.58.019 | |
| 26 | 17-73-13 | Крышка | |
| 27 | 17-73-35 | Ось | |
| 28 | [Шпонка 3х6.5] | Шпонка 3х6.5 | |
| 29 | 41265СП | Масленка | |
| 30 | 700-32-2196 | Штифт | |
| 31 | 40257СП | Сальник | |
| 32 | 700-30-2305 | Гайка | |
| 33 | 700-31-2566 | Шайба | |
| 34 | [Подшипник 208К] | Подшипник 208К | |
| 35 | 73105 | Крышка | |
| 36 | 700-31-2574 | Шайба | |
| 37 | [Шайба 8Т 65Н 09] | Шайба 8Т 65Н 09 | |
| 38 | [Болт М8х25.88.35.019] | Болт М8х25.88.35.019 | |
| 39 | 7323-1 | Втулка | |
| 40 | 735 | Вал | |
| 41 | 7325 | Палец стопорный | |
| 42 | 40235 | Прокладка | |
| 43 | 73103 | Крышка люка | |
| 44 | [Болт М10х22.58.019] | Болт М10х22.58.019 | |
| 45 | 379 | Пробка | |
| 46 | 700-58-2526 | Кольцо |
Содержащиеся в справочниках-каталогах запасные части и детали не предлагаются к продаже, а носят исключительно информационный характер