Вернуться на главную
Поиск
Каталоги запчастей к технике
Спецтехника
ЧТЗ
Т-10.02
Кожух
Каталог запасных частей к технике: ЧТЗ Т-10.02. Кожух
zoom-in
zoom-out
enlarge
shrink
circle-right
circle-left
file-text2
info
cart
Тип техники
Не выбрано
Легковые автомобили
Грузовые автомобили и прицепы
Автобусы
Сельхозтехника
Спецтехника
Двигатели
Мототехника
Марка
Не выбрано
Ammann
BOMAG
CARMIX
CASE IH
Changlin
ChengGong
Dimex
Doosan
DYNAPAC
Foton
HAMM
Hidromek
Hitachi
Hyundai
JCB
JLG
John Deere
Komatsu
LIEBHERR
LiuGong
Lonking (LongGong)
Luneng
MANITOU
Mitsuber
New Holland
PENGPU
RM-Terex
SANY
SDLG
SEM
Shantui
Shehwa HBXG
Soosan
TIGARBO
VOGELE
Volvo
WAY
WIRTGEN
XCMG
XGMA
Xiamen
YTO
Yuchai
Zoomlion
Автокран
АЗСМ
Алтайлесмаш
Амкодор
АОМЗ
Атек
АТЗ
Балканкар Рекорд
БелАЗ
Беловеж
Борекс
Брянский Арсенал
Булат
ВЭКС
ГАЗ
Геомаш
Гидромаш
Донекс
Дормаш
Дормашина
Дорэлектромаш
ДЭЗ
ЕлАЗ
ЗЗГТ
Ижнефтемаш
Канаш-электрокар
КЗКТ
ККЗ
Клевер
Клинцовский автокрановый завод
КМЗ
КМЗ 1 Мая
Ковровец
Коммаш
Кранэкс
КЭЗ
КЭМЗ
ЛЗА
МАЗ
МЗИК
МЗКМ
МЗКТ
Михневский РМЗ
МоАЗ
Мозырский МЗ
МТЗ
ОЗП
Онежец
ПАО "ТЗА"
ППС Детва
Промтрактор
ПТЗ
Раскат
СпецАгрегат
ТВЭКС
ТТМ
УВЗ
Угличмаш
УЗТМ
ХТЗ
ЧЗКМ
ЧСДМ
ЧТЗ
ЭКСКО
ЭКСМАШ
ЮрМаш
Модель
Не выбрано
Бульдозер Б11 (2010)
Бульдозер Б12 (2010)
Бульдозер Б14 (2010)
ДЭТ-250М2 (2000)
Кран ТР-20, ТР-12 (2006)
Рабочее оборудование Б10М (2006)
Т-10.02 (1995)
Т-10М (2012)
Т-130 (1990)
Т-170
Т-170М-01
Схема
>
Не выбрано
Опора
Площадка
Платформа
Установка кожухов (защита трансмиссии)
Капот
Установка защитных кожухов дизеля
Кабина (продолжение)
Установка кабины
Кабина (продолжение)
Кабина
Кабина (продолжение)
Установка устройства защиты оператора
Установка щитков
Кабина. Двери кабины
Установка сиденья
Установка отопителя-вентилятора
Отопитель-вентилятор кабины
Головка цилиндров
Маховики дизеля
Кожух маховика
Блок, картер, кожухи шестерен распределения и маховика
Картер
Сапун
Кривошипно-шатунный механизм дизеля
Кожух шестерен распределения
Шатун. Комплект для поставки в запчасти
Механизм газораспределения дизеля
Блок пуска и контроля
Блок пуска и контроля (продолжение)
Блок пуска и контроля
Регулятор пускового двигателя
Редуктор пускового двигателя
Блок пускового двигателя
Кривошипно-шатунный механизм пускового двигателя
Блок-картер пускового двигателя
Механизм газораспределения пускового двигателя
Установка воздухоочистителя пускового двигателя
Привод (применяется на тракторах с пусковым двигателем)
Муфта сцепления пускового двигателя
Управление дизелем (с пусковым двигателем)
Топливный насос
Установка коллекторов
Установка коллекторов на дизеле с ЭССП
Воздухоочиститель дизеля
Регулятор дизеля
Корпус регулятора дизеля
Установка топливного бака трактора
Установка топливного бака пускового двигателя
Механизм привода плунжеров
Секция топливного насоса
Форсунки с трубками высокого давления
Установка топливного фильтра грубой очистки
Установка топливного фильтра тонкой очистки
Установка топливоподкачивающего насоса
Насос топливоподкачивающий
Управление дизелем
Управление топливным насосом
Акселератор
Блок управления
Управление декомпрессором дизеля с ЭССП
Детали управления декомпрессором
Установка агрегатов систем впуска и выпуска
Радиаторы масляные
Система охлаждения
Радиатор с деталями крепления
Радиатор
Насос
Установка вентилятора
Система смазки дизеля
Насос масляный
Центрифуга масляная
Установка маслозакачивающего насоса
Привод масляного насоса
Гидротрансформатор
Кожух
Корпус и турбинный вал
Гидротрансформатор
Колесо насосное, колесо реактора, ступица
Детали гидротрансформатора
Насос НШ 50А-3-00
Насос шестеренный НМШ-25
Привод насосов
Клапан
Фильтр
Фильтр
Сервомеханизм
Коробка передач (продольный разрез)
Корпус бортовых фрикционов с деталями трансмиссии
Корпус, проставка, клапан
Водило
Вал с деталями
Тормоза коробки передач
Вал-шестерня с деталями
Блоки передач и клапанов
Плита и блок реверса
Коробка передач. Детали крепления
Коленчатый вал дизеля. Комплект для поставки в запчасть
Кардан
Главная передача с бортовыми фрикционами
Бортовые фрикционы
Корпус
Тормоза
Редукторы бортовые
Уравновешивающий механизм
Шестерня двойная и детали крепления
Редукторы бортовые (продолжение)
Редукторы бортовые (продолжение)
Редукторы бортовые (продолжение)
Установка рессоры
Тележки
Колеса натяжные
Катки однобортные и двубортные
Механизм сдавания и механизм натяжения
Гусеница
Управление поворотом
Детали управления коробкой передач
Детали управления коробкой передач (продолжение)
Механизм управления поворотом
Механизм управления тормозами
Управление перекосом отвала и рыхлителем
Управление гидрораспределителем
Установка генератора
Генератор
Установка стартера
Стартер (для пуска дизеля) продолжение
Стартер (для пуска дизеля)
Электрооборудование
Электрооборудование на дизеле (продолжение)
Электрооборудование кабины
Электрооборудование кабины
Электрооборудование трактора с ЭССП
Электрооборудование на тракторе с пусковым двигателем
Электрооборудование пускового двигателя
Электрооборудование на дизеле с пусковым двигателем
Установка аккумуляторных батарей
Установка аккумуляторных батарей
Установка фар капота
Установка сигнала высокого тона
Стартер пускового двигателя
Магнето
Пластина прерывателя
Щиток управления (применяется на всех тракторах)
Прицепное устройство маятникового типа
Прицепное устройство жесткого типа
Гидравлическая система управления трактором
Установка гидросистемы
Установка задних трубопроводов
Установка передних трубопроводов
Установка привода насоса
Установка гидроцилиндров
Баки гидросистемы
Фильтр
Гидрораспределитель. Крышка верхняя с деталями
Корпус гидрораспределителя
Крышка нижняя с деталями и золотник
Насос шестеренный НШ 100А-3Л(3ЛТ)
Детали насоса НШ 100А-3Л(3ЛТ)
Гидроцилиндр
Гидравлическая система питания, управления и смазки ГМТ
Гидравлическая система питания, управления и смазки ГМТ
Фильтр
Насос шестеренный
Турбокомпрессор
Корпус средний
Корпус турбины
Ротор
Корпус компрессора
1
2
3
4
5
5
6
6
6
7
8
9
9
10
11
12
12
13
14
15
16
17
17
18
19
20
21
22
23
23
24
24
25
25
26
27
28
29
30
31
32
33
34
35
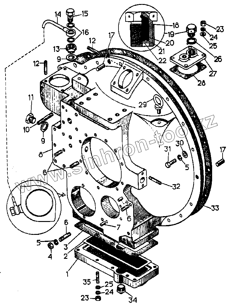
Позиция на иллюстрации
Заводской номер детали
Название детали
64-14-103СП
64-14-103СП
Кожух
1
64-14-25
Поддон
2
64-14-113СП
Заборник
3
700-40-7193
Прокладка
4
3010
Гайка
5
[Шайба 12 ОТ 65Г 09]
Шайба 12 ОТ 65Г 09
6
700-29-2476
Шпилька
7
700-32-2198
Штифт
8
64-14-20
Корпус
9
[Кольцо 27х35]
Кольцо 27х35
10
700-29-2477
Шпилька
11
700-37-2154
Пробка
12
700-29-2474
Шпилька
13
64-14-61
Пробка
14
64-14-121СП
Трубка
15
700-41-2716
Штуцер
16
[Кольцо 14х20]
Кольцо 14х20
17
700-32-2206
Штифт
18
18-26-421
Корпус сапуна
19
18-26-286СП
Сапун
20
[Набивка]
Набивка
21
18-26-422
Шайба
22
261046
Кольцо пружинное
23
700-30-2099
Гайка
24
[Шайба 10 ОТ 65Г 09]
Шайба 10 ОТ 65Г 09
25
31308-1
Шайба
26
700-40-260-17
Прокладка
27
64-14-44
Крышка
28
700-40-7257
Прокладка
29
700-28-2224
Рым-болт
30
3135-1
Шайба
31
[Болт М12х35.58.019]
Болт М12х35.58.019
32
700-29-2135
Шпилька
33
700-40-6160
Прокладка
34
37104
Пробка
35
700-29-2475
Шпилька
Содержащиеся в справочниках-каталогах запасные части и детали не предлагаются к продаже, а носят исключительно информационный характер
Дополнительная информация
×
Название:
Номер:
Примечание: