Каталог запасных частей к технике: ЧТЗ Т-10.02. Форсунки с трубками высокого давления
1
2
3
4
4
5
6
7
8
9
10
11
12
13
14
15
16
17
18
19
20
21
22
23
24
25
26
27
28
29
30
30
31
32
33
34
35
35
36
37
38
39
40
41
42
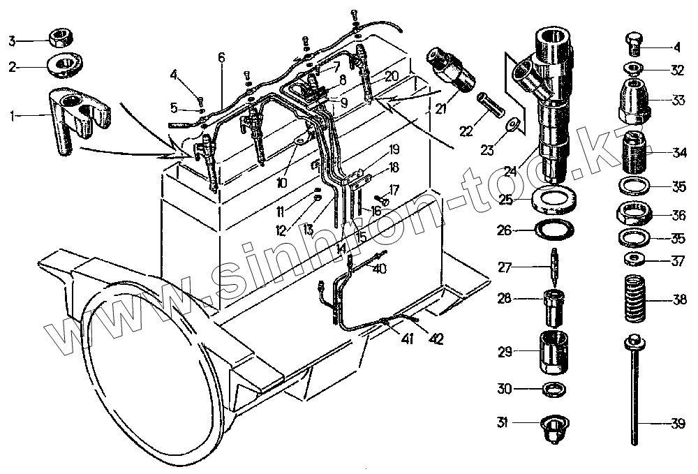
| Позиция на иллюстрации | Заводской номер детали | Название детали | |
|---|---|---|---|
| 14-69-107-01СП | 14-69-107-01СП | Распылитель | |
| 14-69-4СП | 14-69-4СП | Форсунки с трубками высокого давления | |
| 14-69-116СП | 14-69-116СП | Фильтр высокого давления | |
| 14-69-114СП | 14-69-114СП | Топливопроводы | |
| 1 | 14-69-42 | Рычаг | |
| 2 | 14-69-4 | Шайба | |
| 3 | 3010 | Гайка | |
| 4 | 67143 | Штуцер | |
| 5 | 40938 | Кольцо | |
| 6 | 51-69-107СП | Трубка | |
| 7 | [Болт М10х25.58.019] | Болт М10х25.58.019 | |
| 8 | 67480 | Колодка | |
| 9 | 46808 | Прокладка | |
| 10 | 14-69-53 | Кронштейн | |
| 11 | [Шайба 10 ОТ 65Г 09] | Шайба 10 ОТ 65Г 09 | |
| 12 | [Гайка М10.6.019] | Гайка М10.6.019 | |
| 13 | 14-69-109СП | Топливопровод I цилиндра | |
| 14 | 14-69-110СП | Топливопровод II цилиндра | |
| 15 | 14-69-111СП | Топливопровод III цилиндра | |
| 16 | 14-69-112СП | Топливопровод IV цилиндра | |
| 17 | [Болт М10х40.58.019] | Болт М10х40.58.019 | |
| 18 | 67287 | Планка | |
| 19 | 40939 | Прокладка | |
| 20 | 14-69-117-01СП | Форсунка | |
| 21 | 14-69-39 | Штуцер | |
| 22 | 14-69-36 | Элемент фильтрующий | |
| 23 | 14-69-32 | Кольцо | |
| 24 | 14-69-44 | Корпус форсунки | |
| 25 | 14-69-37 | Щиток | |
| 26 | 700-40-2241 | Кольцо | |
| 27 | 14-69-22 | Игла | |
| 28 | 14-69-23 | Корпус распылителя | |
| 29 | 14-69-60 | Гайка распылителя | |
| 30 | 700-40-2010-01 | Кольцо | |
| 30 | 700-40-2010-02 | Кольцо | |
| 31 | 700-40-5109 | Колпак | |
| 32 | 700-40-5110 | Пробка | |
| 33 | 14-69-55 | Колпак | |
| 34 | 14-69-30 | Винт | |
| 35 | 40936 | Кольцо | |
| 36 | 700-30-2341 | Контргайка | |
| 37 | 14-69-40 | Шайба | |
| 38 | 700-38-2674 | Пружина | |
| 39 | 14-69-118СП | Штанга | |
| 40 | 41676СП | Трубка | |
| 41 | 41638 | Хомутик | |
| 42 | 41674СП | Трубка |
Содержащиеся в справочниках-каталогах запасные части и детали не предлагаются к продаже, а носят исключительно информационный характер