Каталог запасных частей к технике: ЧТЗ Рабочее оборудование Б10М. Оборудование бульдозерное 10К
80-52-21СП
1
2
3
3
3
4
5
5
6
7
8
9
10
10
10
10
10
11
11
11
11
11
12
13
13
14
15
15
16
17
18
19
20
21
21
22
23
24
25
26
27
28
29
30
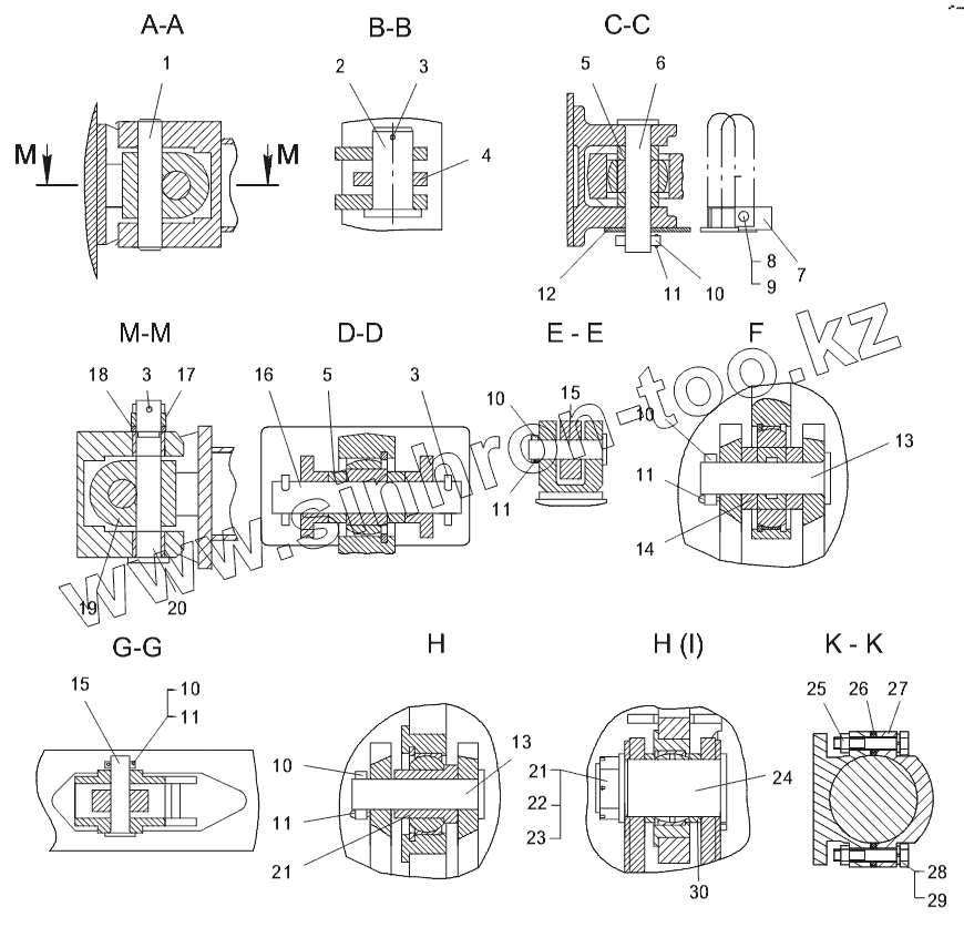
| Позиция на иллюстрации | Заводской номер детали | Название детали | |
|---|---|---|---|
| 80-52-21СП | 80-52-21СП | Оборудование бульдозерное 10К | |
| 1 | 80-52-32 | Палец | |
| 2 | 80-52-30 | Палец | |
| 3 | Шплинт8х80 | Шплинт | |
| 4 | 80-52-58 | Серьга | |
| 5 | 80-52-87-1 | Втулка | |
| 6 | 80-52-30-06 | Палец | |
| 7 | 80-52-193 | Скоба | |
| 8 | БолтМ10-6gх30.58.019 | Болт | |
| 9 | Шайба10ОТ65Г09 | Шайба | |
| 10 | 80-52-88 | Палец | |
| 11 | Шплинт4х32 | Шплинт | |
| 12 | 80-52-183СП | Стопор | |
| 13 | 80-52-30-05 | Палец | |
| 14 | 80-52-396 | Втулка | |
| 15 | 80-52-30-04 | Палец | |
| 16 | 80-52-41 | Палец | |
| 17 | 700-30-2352 | Гайка | |
| 18 | 700-31-2613 | Шайба | |
| 19 | 80-52-22 | Крестовина | |
| 20 | 80-52-31 | Палец | |
| 21 | 700-30-2195 | Гайка | |
| 22 | 700-31-2042 | Шайба | |
| 23 | Шплинт6,3х63.019 | Шплинт | |
| 24 | 80-52-698 | Палец | |
| 25 | 30230 | Гайка | |
| 26 | 80-52-66 | Прокладка | |
| 27 | 80-52-83 | Крышка | |
| 28 | 700-28-2518 | Болт | |
| 29 | Шайба3065Г09 | Шайба | |
| 30 | 80-52-699 | Втулка |
Содержащиеся в справочниках-каталогах запасные части и детали не предлагаются к продаже, а носят исключительно информационный характер