Вернуться на главную
Поиск
Каталоги запчастей к технике
Спецтехника
ЧТЗ
Кран ТР-20, ТР-12
Оборудование бульдозерное 10В5 - продолжение
Каталог запасных частей к технике: ЧТЗ Кран ТР-20, ТР-12. Оборудование бульдозерное 10В5 - продолжение
zoom-in
zoom-out
enlarge
shrink
circle-right
circle-left
file-text2
info
cart
Тип техники
Не выбрано
Легковые автомобили
Грузовые автомобили и прицепы
Автобусы
Сельхозтехника
Спецтехника
Двигатели
Мототехника
Марка
Не выбрано
Ammann
BOMAG
CARMIX
CASE IH
Changlin
ChengGong
Dimex
Doosan
DYNAPAC
Foton
HAMM
Hidromek
Hitachi
Hyundai
JCB
JLG
John Deere
Komatsu
LIEBHERR
LiuGong
Lonking (LongGong)
Luneng
MANITOU
Mitsuber
New Holland
PENGPU
RM-Terex
SANY
SDLG
SEM
Shantui
Shehwa HBXG
Soosan
TIGARBO
VOGELE
Volvo
WAY
WIRTGEN
XCMG
XGMA
Xiamen
YTO
Yuchai
Zoomlion
Автокран
АЗСМ
Алтайлесмаш
Амкодор
АОМЗ
Атек
АТЗ
Балканкар Рекорд
БелАЗ
Беловеж
Борекс
Брянский Арсенал
Булат
ВЭКС
ГАЗ
Геомаш
Гидромаш
Донекс
Дормаш
Дормашина
Дорэлектромаш
ДЭЗ
ЕлАЗ
ЗЗГТ
Ижнефтемаш
Канаш-электрокар
КЗКТ
ККЗ
Клевер
Клинцовский автокрановый завод
КМЗ
КМЗ 1 Мая
Ковровец
Коммаш
Кранэкс
КЭЗ
КЭМЗ
ЛЗА
МАЗ
МЗИК
МЗКМ
МЗКТ
Михневский РМЗ
МоАЗ
Мозырский МЗ
МТЗ
ОЗП
Онежец
ПАО "ТЗА"
ППС Детва
Промтрактор
ПТЗ
Раскат
СпецАгрегат
ТВЭКС
ТТМ
УВЗ
Угличмаш
УЗТМ
ХТЗ
ЧЗКМ
ЧСДМ
ЧТЗ
ЭКСКО
ЭКСМАШ
ЮрМаш
Модель
Не выбрано
Бульдозер Б11 (2010)
Бульдозер Б12 (2010)
Бульдозер Б14 (2010)
ДЭТ-250М2 (2000)
Кран ТР-20, ТР-12 (2006)
Рабочее оборудование Б10М (2006)
Т-10.02 (1995)
Т-10М (2012)
Т-130 (1990)
Т-170
Т-170М-01
Схема
>
Не выбрано
Блок
Картер
Горловина заливная
Кожух шестерен распределения
Кожух маховика дизеля
Блок пускового агрегата
Блок-картер пускового двигателя
Кожух шестерен распределения (продолжение)
Кожух маховика дизеля(продолжение)
Головка цилиндров
Кривошипно-шатунный механизм дизеля
Шатун дизеля. Комплект
Кривошипно-шатунный механизм пускового агрегата
Механизм газораспределения дизеля
Механизм газораспределения пускового агрегата
Установка агрегатов систем впуска и выпуска
Установка коллекторов
Воздухоочиститель дизеля
Установка воздухоочистителя пускового двигателя
Установка коллекторов для дизеля с электростартерной системой пуска
Регулятор
Корпус регулятора
Регулятор пускового двигателя
Насос топливный-1
Насос топливный-2
Секция топливного насоса
Блок топливного насоса
Форсунка
Установка топливного фильтра грубой очистки
Фильтр топливный грубой очистки
Фильтр топливный тонкой очистки
Насос топливоподкачивающий
Установка вентилятора
Система охлаждения
Насос
Установка радиаторов
Блок радиаторов
Система смазки
Фильтр масляный
Валик привода насоса масляного
Насос масляный
Установка маслозакачивающего насоса
Электрооборудование трактора
Установка аккумуляторных батарей тракторов с пусковым двигателем
Щиток управления
Установка электрооборудования пускового двигателя
Установка стартера
Электрооборудование трактора - продолжение
Установка генератора
Электрооборудование дизеля с пусковым двигателем
Электрооборудование кабины
Установка аккумуляторных батарей тракторов с электростартерной системой пуска
Электрооборудование дизеля c электростартерной системой пуска
Панель управления подогревателем Webasto
Блок пуска и контроля
Установка топливной аппаратуры
Трансмиссия
Трансмиссия - продолжение
Рама трактора
Защита вала муфты сцепления
Коробка передач
Вал верхний
Вал первый промежуточный
Вал второй промежуточный
Вал нижний
Детали крепления вала 50-12-224СП
Валики, вилки переключения передач
Корпус коробки передач с крышками и механизмами переключения
Механизм переключения
Тяга 48-12-109СП
Тяга 48-12-113СП
Тяга 48-12-114СП
Тяга 50-12-238СП
Детали крепления вала 50-12-223СП
Детали крепления вала 50-12-225СП
Детали крепления вала 50-12-226СП
Механизм управления поворотом
Управление лебедкой (редуктором подьема груза)
Управление лебедкой (редуктором подьема стрелы)
Управление редуктором отбора мощности
Механизм управления поворотом - продолжение
Муфта сцепления
Муфта включения
Диск ведомый
Сервомеханизм муфты сцепления
Механизм управления муфтой сцепления
Установка педалей
Главная передача с бортовыми фрикционами
Бортовые фрикционы
Сервомеханизм управления поворотом
Тормоза
Фланец ведущий
Шестерня двойная
Детали бортового редуктора (кожух, полуось, подшипники, ступица, шестерни)
Детали бортового редуктора (ведущее колесо, лабиринтное уплотнение, проставка)
Редукторы бортовые
Тележки
Каток поддерживающий
Колесо натяжное
Механизмы натяжения и сдавания
Гусеница
Установка сиденья (для трактора с механической трансмиссией)
Площадка для трактора с механической трансмиссией
Платформа
Установка уплотнений рычагов управления трактором
Установка бензобачка пускового агрегата
Установка топливного бака
Установка топливного бачка отопителя
Установка воздуховодов
Установка автономного отопителя "Airtronic"
Система отопления и вентиляции
Установка отопителя «Zenith 8000»
Пакет фильтрующий
Установка отопителя «AirTop 2000 ST» (Webasto)
Подвеска
Бак
Фильтр
Гидрораспределитель. Крышка верхняя
Гидрораспределитель. Корпус
Гидрораспределитель. Крышка нижняя
Гидроцилиндр
Установка гидросистемы бульдозера на трубоукладчике
Гидросистема трубоукладчика
Гидрораспределитель
Установка гидроцилиндров
Гидросистема управления лебедкой
Гидросистема противовеса
Установка подогревателя Thermo 90 STD “Webasto” (для трактора с электростартерной системой пуска)
Установка подогревателя Thermo 90 STD “Webasto” (для трактора с электростартерной системой пуска ) - продолжение
Лебедка
Редуктор отбора мощности
Редуктор отбора мощности - продолжение
Редуктор отбора мощности - продолжение
Редукторы
Редукторы - продолжение
Редукторы - продолжение
Редукторы - продолжение
Барабан
Диск нажимной
Установка защиты двигателя
Установка прицепного устройства (жесткого типа)
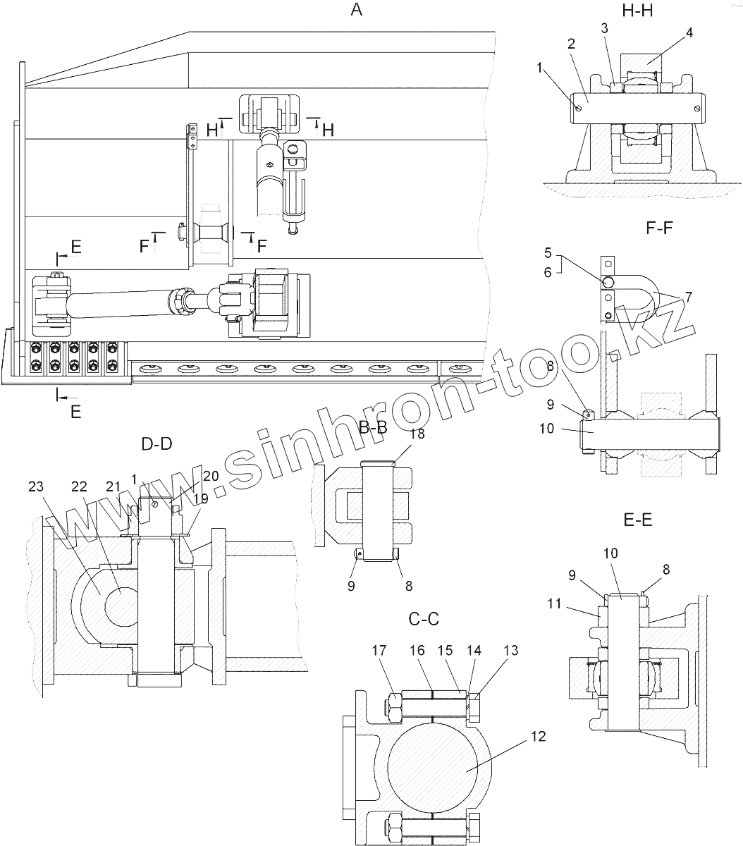
Оборудование бульдозерное 10В5
Раскос
Подкос
Отвал
Оборудование бульдозерное 10В5 - продолжение
Указатель грузоподьемности
Установка рамы
Установка противовеса (для ТР 20)
Установка противовеса (для ТР 20) - продолжение
Кожух
Блок стреловой
Установка противовеса (для ТР 12)
Блок подвесной
Блок подвижный
Ролик
Тяги
Выключатель противовеса
Ролик
Рама
Турбокомпрессор ТКР 8,5С
Капот
Капот - продолжение
Гидравлическая система управления трактором
Установка кабины
Кабина
Кабина - продолжение
Установка люка
Установка солнцезащитной шторки
Установка стекол
Установка стеклопакетов
Дверь
Система смазки трансмиссии
Насос
Система смазки трансмиссии - продолжение
Механизм уравновешивающий
Установка стеклоомывателя
Установка поручней
Установка заглушки
Установка защиты стекол
Муфта сцепления пускового агрегата
Управление топливным насосом дизеля
Управление декомпрессором дизеля с электростартерной системой пуска
Управление дизеля с пусковым двигателем
Тяга
Блок управления топливным насосом
Акселератор
Мостик переходной
Блок управления
Блок управления
Редуктор пускового агрегата
Установка системы безопасности АЗК110-22
Установка системы безопасности АЗК110-22 - продолжение
Установка выключателя муфты сцепления
Схема расположения подшипников на тракторе
Схема расположения подшипников на грузоподьемном оборудовании
Кран-трубоукладчик
Кран-трубоукладчик-продолжение
Установка инструментального ящика
Шасси
80-52-34СП
1
1
2
3
4
5
6
7
8
8
8
9
9
9
10
10
11
12
13
14
15
16
17
18
19
20
21
22
23
Позиция на иллюстрации
Заводской номер детали
Название детали
80-52-34СП
80-52-34СП
Оборудование бульдозерное 10В5
1
Шплинт8х80
Шплинт
2
80-52-41
Палец
3
80-52-87-1
Втулка
4
80-52-101-01СП
Раскос
5
БолтМ10-6gх30.58.019
Болт
6
Шайба10.ОТ.65Г.09
Шайба 10.ОТ.65Г.09
7
80-52-193
Скоба
8
Шплинт4х32
Шплинт
9
80-52-88
Палец
10
80-52-30-05
Палец
11
80-52-396
Втулка
12
80-52-118СП
Опора
13
700-28-2518
Болт
14
Шайба30.65Г.09
Шайба 30.65Г.09
15
80-52-83
Крышка
16
80-52-66
Прокладка
17
30230
Гайка
18
80-52-30-04
Палец
19
700-31-2613
Шайба
20
80-52-31
Палец
21
700-30-2352
Гайка
22
80-52-32
Палец
23
80-52-22
Крестовина
Содержащиеся в справочниках-каталогах запасные части и детали не предлагаются к продаже, а носят исключительно информационный характер
Дополнительная информация
×
Название:
Номер:
Примечание: