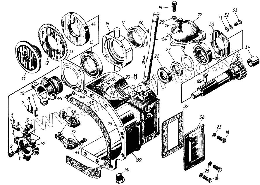
Каталог запасных частей к технике: ЧТЗ Кран ТР-20, ТР-12. Муфта сцепления пускового агрегата
17-73-7СП
1
2
3
4
5
6
7
8
9
10
11
12
13
14
15
16
17
18
18
18
19
19
19
20
21
22
23
24
25
25
25
25
25
25
26
27
28
29
30
31
32
32
33
33
34
35
36
37
38
39
40
41
42
43
44
45
46
47
| Позиция на иллюстрации | Заводской номер детали | Название детали | |
|---|---|---|---|
| 17-73-7СП | 17-73-7СП | Муфта сцепления | |
| 1 | 3874 | Пружина | |
| 2 | 7316 | Защелка | |
| 3 | 17-73-57 | Крестовина | |
| 4 | 7312 | Палец | |
| 5 | Шплинт2,5х16.019 | Шплинт 2,5х16.019 | |
| 6 | 7311-1 | Кулачок | |
| 7 | 7314 | Палец | |
| 8 | Шплинт2х12.019 | Шплинт 2х12.019 | |
| 9 | 7313 | Серьга | |
| 10 | 17-73-54 | Муфта | |
| 11 | 736 | Диск неподвижный | |
| 12 | 17-73-139СП | Диск | |
| 13 | 17-73-53 | Крышка | |
| 14 | 739 | Диск нажимной | |
| 15 | 1000909 | Подшипник 1000909 | |
| 16 | 17-73-52 | Обойма | |
| 17 | 17-73-55 | Тормозок | |
| 18 | БолтМ10-6gх22.58.019 | Болт М10-6gх22.58.019 | |
| 19 | 3432 | Шпонка | |
| 19 | 3х6,5 | Шпонка 3х6,5 | |
| 20 | 700-32-2196 | Штифт | |
| 21 | 700-58-2526 | Кольцо | |
| 22 | 1.2-35х58-1 | Манжета 1.2-35х58-1 | |
| 23 | 700-30-2305 | Гайка | |
| 24 | 17-73-35 | Ось | |
| 25 | Шайба10.ОТ.65Г.09 | Шайба 10.ОТ.65Г.09 | |
| 26 | БолтМ10-6gх45.58.019 | Болт | |
| 27 | 17-73-13 | Крышка | |
| 28 | 700-31-2566 | Шайба | |
| 29 | 208 | Подшипник 208 | |
| 30 | 73105 | Крышка | |
| 31 | 353-05-1 | Шайба | |
| 32 | Шайба8Т.65Г.09 | Шайба 8Т.65Г.09 | |
| 33 | БолтМ8-6gх25.58.019 | Болт М8-6gх25.58.019 | |
| 33 | БолтМ8-6gх25.88.35.019 | Болт | |
| 34 | 17-73-66 | Втулка | |
| 35 | 735-01 | Вал муфты сцепления | |
| 36 | 7325 | Палец стопорный | |
| 37 | 40235 | Прокладка | |
| 38 | 73103 | Крышка люка | |
| 39 | 17-73-20-1-02 | Корпус муфты сцепления | |
| 40 | 379 | Пробка | |
| 41 | БолтМ8-6gх30.58.019 | Болт М8-6gх30.58.019 | |
| 42 | БолтМ10-6gх30.58.019 | Болт | |
| 43 | 40954 | Прокладка | |
| 44 | Шайба6Т.65Г.09 | Шайба 6Т.65Г.09 | |
| 45 | БолтМ6-6gх14.88.35.019 | Болт М6-6gх14.88.35.019 | |
| 46 | 17-73-58 | Вилка | |
| 47 | 0516 | Кнопка |
Содержащиеся в справочниках-каталогах запасные части и детали не предлагаются к продаже, а носят исключительно информационный характер