Каталог запасных частей к технике: ЧТЗ ДЭТ-250М2. Масляная система трансмиссии
1
2
3
4
5
6
7
8
9
10
11
12
13
14
15
16
17
18
19
20
21
22
23
24
25
26
27
28
29
30
31
32
33
34
35
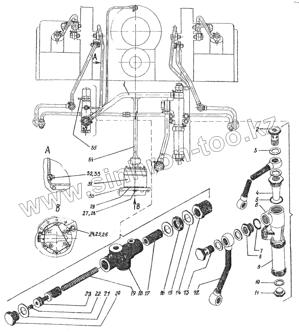
| Позиция на иллюстрации | Заводской номер детали | Название детали | |
|---|---|---|---|
| 748-60-241 СП | 748-60-241 СП | Клапан | |
| 748-60-195СП | 748-60-195СП | Клапан | |
| 743-60-180СП | 743-60-180СП | Циклон | |
| 1 | 748-60-288ССП | Труба | |
| 2 | 700-41-3402 | Штуцер | |
| 3 | МН 4152-79 | Кольцо 30х36 | |
| 4 | 748-60-380 | Штуцер | |
| 5 | 46588 | Кольцо | |
| 6 | 748-60-384 | Корпус | |
| 7 | 46764 | Кольцо | |
| 8 | 748-60-172 | Ввертыш | |
| 9 | 748-60-287СП | Бункер | |
| 10 | 700-40-260-16 | Прокладка | |
| 11 | 700-37-2234 | Пробка | |
| 12 | 748-60-281СП | Труба | |
| 13 | 700-41-3387 | Болт поворотного угольника | |
| 14 | 748-60-191 | Колпачок | |
| 15 | 700-40-260-20 | Прокладка | |
| 16 | 700-30-316 | Гайка | |
| 17 | 748-60-197 | Винт | |
| 18 | 748-60-343 | Корпус | |
| 19 | 700-38-889 | Пружина | |
| 20 | 700-37-142 | Пробка | |
| 21 | МН 4152-79 | Кольцо 30х36 | |
| 22 | 748-60-138 | Дроссель | |
| 23 | 748-60-182 | Золотник | |
| 24 | 700-37-2161 | Пробка | |
| 25 | 700-40 260-15 | Прокладка | |
| 26 | Проволока КО 1,4 [ГОСТ 792-67] | Проволока КО 1,4 | |
| 27 | 748-28-911 | Болт | |
| 28 | Шайба 10.02 [ГОСТ 11371-78] | Шайба 10.02 | |
| 29 | 748-60-89 | Прокладка | |
| 30 | 700-40-4451 | Кольцо | |
| 31 | 748-60-276СП | Насос | |
| 32 | 700-41-3339 | Хомутик | |
| 33 | Проволока КО 1,6 [ГОСТ 792-67] | Проволока КО 1,6 | |
| 34 | 748-60-164 | Валик | |
| 35 | 700-42-2011 | Проволока |
Содержащиеся в справочниках-каталогах запасные части и детали не предлагаются к продаже, а носят исключительно информационный характер