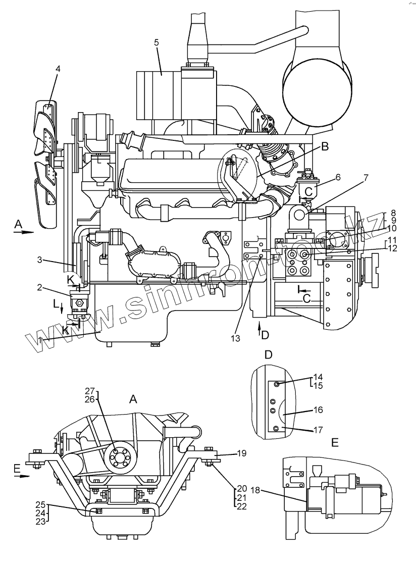
Каталог запасных частей к технике: ЧТЗ Бульдозер Б12. Установка двигателя
1
2
3
4
5
6
7
8
9
10
11
12
13
14
15
16
17
18
19
20
21
22
23
24
25
26
27
| Позиция на иллюстрации | Заводской номер детали | Название детали | |
|---|---|---|---|
| 1 | ЯМЗ-236Б-4 | Дизель ЯМЗ-236Б-4 | |
| 2 | 64-01-103СП | Установка передней опоры | |
| 3 | 64-07-105СП | Шкив | |
| 4 | Вентилятор | Установка вентилятора | |
| 5 | Впуск-выпуск | Установка агрегатов систем впуска и выпуска | |
| 6 | 51-70-148СП | Фильтр топливный грубой очистки | |
| 7 | 111-01-102СП | Лапа | |
| 8 | 700-28-2480 | Болт | |
| 9 | Шайба20ОТ65Г09 | Шайба | |
| 10 | 50-11-72 | Планка | |
| 11 | 700-30-2093 | Гайка | |
| 12 | Шайба22ОТ65Г 09 | Шайба | |
| 13 | 700-28-2708 | Болт | |
| 14 | БолтМ8-6gх35.88.35.019 | Болт | |
| 15 | Шайба8Т65Г09 | Шайба | |
| 16 | 700-40-9545 | Прокладка | |
| 17 | 64-01-19 | Крышка | |
| 18 | 700-40-9555 | Прокладка | |
| 19 | 700-16-540СП | Балка | |
| 20 | 700-28-2527-01 | Болт | |
| 21 | Шайба12ОТ65Г09 | Шайба | |
| 22 | 31342-01 | Шайба | |
| 23 | 700-28-2707 | Болт | |
| 24 | ГайкаМ12-7Н.6.019 | Гайка | |
| 25 | 3135-1 | Шайба | |
| 26 | БолтМ10-6gх30.58.019 | Болт | |
| 27 | Шайба10ОТ65Г09 | Шайба |
Содержащиеся в справочниках-каталогах запасные части и детали не предлагаются к продаже, а носят исключительно информационный характер