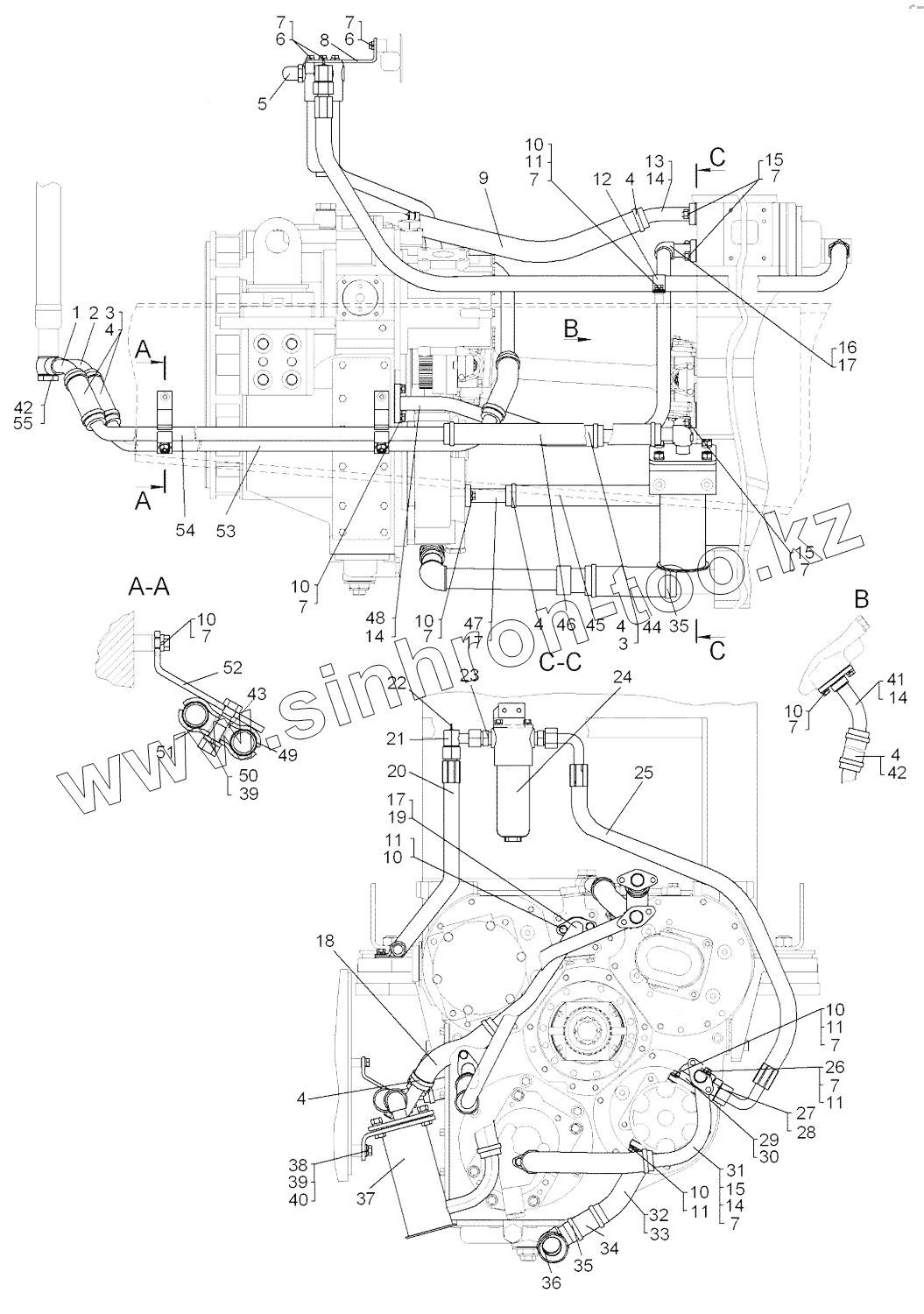
Каталог запасных частей к технике: ЧТЗ Бульдозер Б11. Гидросистема питания, управления и смазки трансмиссии
1
2
3
3
4
4
4
4
4
4
5
6
6
7
7
7
7
7
7
7
7
7
7
7
7
8
9
10
10
10
10
10
10
10
10
11
11
11
11
11
12
13
14
14
14
14
15
15
15
16
17
17
17
18
19
20
23
24
25
26
27
28
29
30
31
32
33
34
35
35
36
37
38
39
39
40
41
42
42
43
44
45
46
47
48
49
50
51
52
53
54
55
| Позиция на иллюстрации | Заводской номер детали | Название детали | |
|---|---|---|---|
| 64-60-13-02СП | 64-60-13-02СП | Гидросистема питания, управления и смазки ГМТ | |
| 1 | 64-60-275СП | Труба | |
| 2 | 64-60-206СП | Труба | |
| 3 | 700-46-2142 | Рукав | |
| 4 | Хомут32-50/12W2 | Хомут червячный | |
| 5 | Индикатор | Электрический индикатор N7 | |
| 6 | БолтМ10-6gх20.58.019 | Болт | |
| 7 | Шайба10.ОТ.65Г.09 | Шайба 10.ОТ.65Г.09 | |
| 8 | 64-60-223 | Угольник | |
| 9 | 700-46-2358-01 | Рукав | |
| 10 | БолтМ10-6gх25.58.019 | Болт | |
| 11 | Шайба10.01.10.019 | Шайба 10.01.10.019 | |
| 12 | 261115 | Хомут | |
| 13 | 64-60-254СП | Труба | |
| 14 | 700-40-7594 | Прокладка | |
| 15 | ГайкаМ10х1,25-6Н.6.019 | Гайка М10х1,25-6Н.6.019 | |
| 16 | 64-60-271СП | Труба | |
| 17 | 700-40-6515 | Прокладка | |
| 18 | 700-46-2303-01 | Рукав | |
| 19 | 64-60-276СП | Труба | |
| 20 | 50-26-486-26СП | Рукав 20 | |
| 20 | 50-26-486-27СП | Рукав 20 | |
| 23 | Штуцер100520.1 | Штуцер 100520.1 с уплотнительным кольцом | |
| 24 | FMM050 | Фильтр FMM050 3 BADM60N P03 | |
| 25 | РВД20-84-1500-М30х2(12)90 | РВД20-84-1500-М30х2(12)90(Г=70)/М30Х2(12)90(Г=70)-УТ | |
| 26 | БолтМ10-6gх70.58.019 | Болт М10-6gх70.58.019 | |
| 27 | 700-41-3813 | Штуцер | |
| 28 | 46764 | Кольцо | |
| 29 | 748-99-1235 | Муфта угловая | |
| 30 | 039-045-36-2-5 | Кольцо 039-045-36-2-5 | |
| 31 | 64-60-270СП | Труба | |
| 32 | 64-60-231СП | Труба | |
| 33 | 700-40-6989 | Прокладка | |
| 34 | 700-40-5968 | Рукав | |
| 35 | Хомут50-70/12W2 | Хомут червячный | |
| 36 | 64-60-230СП | Труба | |
| 37 | 64-60-273СП | Фильтр | |
| 38 | БолтМ12-6gх30.58.019 | Болт | |
| 39 | Шайба12.ОТ.65Г.019 | Шайба 12.ОТ.65Г.019 | |
| 40 | Шайба12х2.01.10.019 | Шайба | |
| 41 | 64-60-108СП | Труба | |
| 42 | 261164 | Кольцо | |
| 43 | 41832 | Втулка | |
| 44 | 700-46-2359 | Рукав | |
| 45 | 700-46-2234 | Рукав | |
| 46 | 700-46-2157-01 | Рукав | |
| 47 | 64-60-269СП | Труба | |
| 48 | 64-60-272СП | Труба | |
| 49 | 700-46-2175 | Прокладка | |
| 50 | ГайкаМ12-7Н.6.019 | Гайка | |
| 51 | 50-60-230 | Прижим | |
| 52 | 64-60-237СП | Кронштейн | |
| 53 | 64-60-214 | Труба | |
| 54 | 64-60-213 | Труба | |
| 55 | 700-41-2575 | Штуцер |
Содержащиеся в справочниках-каталогах запасные части и детали не предлагаются к продаже, а носят исключительно информационный характер