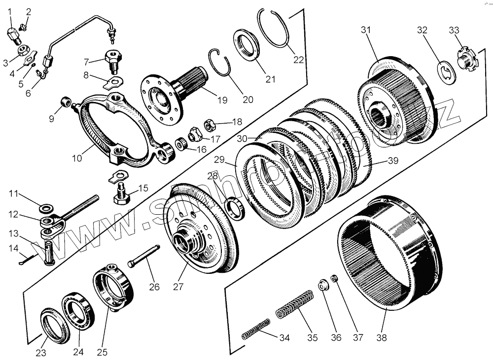
Каталог запасных частей к технике: ЧТЗ Бульдозер Б11. Бортовые фрикционы
1
2
3
4
5
6
7
8
9
10
11
12
13
14
15
16
17
18
19
20
21
22
23
24
25
26
27
28
29
30
31
32
33
34
35
36
37
38
39
| Позиция на иллюстрации | Заводской номер детали | Название детали | |
|---|---|---|---|
| 24-16-101-01СП | 24-16-101-01СП | Фрикцион бортовой правый | |
| 24-16-102-01СП | 24-16-102-01СП | Фрикцион бортовой левый | |
| 1 | 700-41-2702 | Штуцер | |
| 2 | Масленка1.3.Ц6 | Масленка | |
| 3 | 700-30-724 | Гайка | |
| 4 | 31543 | Шайба | |
| 5 | 46524 | Кольцо | |
| 6 | 16348СП | Трубка | |
| 7 | 16350 | Палец | |
| 8 | 31317 | Шайба | |
| 9 | 16133 | Наконечник рычага | |
| 10 | 16202 | Рычаг | |
| 11 | 3193-1 | Шайба | |
| 12 | 17375 | Вилка | |
| 13 | 700-47-2091 | Ось | |
| 14 | Шплинт4х32 | Шплинт | |
| 15 | 16136 | Палец | |
| 16 | 16134 | Седло | |
| 17 | 17377 | Гайка | |
| 18 | 700-30-2417 | Гайка | |
| 19 | 24-16-4 | Полуось | |
| 20 | 700-58-2004 | Кольцо | |
| 21 | 28-16-13 | Гайка | |
| 22 | 700-58-2003 | Кольцо | |
| 23 | 28-16-12 | Отражатель | |
| 24 | 120 | Подшипник 120 | |
| 24 | 46120 | Подшипник шариковый радиально-упорный однорядный | |
| 25 | 28-16-11 | Корпус подшипника | |
| 26 | 16127 | Палец | |
| 27 | 28-16-10 | Тарелка | |
| 28 | 28-16-14 | Кольцо | |
| 29 | 16121 | Диск | |
| 30 | 50-16-111СП | Фрикцион бортовой | |
| 31 | 24-16-5 | Барабан внутренний | |
| 32 | 700-31-2352 | Пластина | |
| 33 | 28-19-37-1 | Пробка | |
| 34 | 38318 | Пружина внутренняя | |
| 35 | 38360 | Пружина наружная | |
| 36 | 16177 | Тарелка | |
| 37 | 16178 | Сухарь | |
| 38 | 28-16-15 | Барабан наружный | |
| 39 | 24-16-103СП | Диск |
Содержащиеся в справочниках-каталогах запасные части и детали не предлагаются к продаже, а носят исключительно информационный характер