Вернуться на главную
Поиск
Каталоги запчастей к технике
Спецтехника
ЧСДМ
В-160
Установка гидромеханической передачи (B160.10.00.000)
Каталог запасных частей к технике: ЧСДМ В-160. Установка гидромеханической передачи (B160.10.00.000)
zoom-in
zoom-out
enlarge
shrink
circle-right
circle-left
file-text2
info
cart
Тип техники
Не выбрано
Легковые автомобили
Грузовые автомобили и прицепы
Автобусы
Сельхозтехника
Спецтехника
Двигатели
Мототехника
Марка
Не выбрано
Ammann
BOMAG
CARMIX
CASE IH
Changlin
ChengGong
Dimex
Doosan
DYNAPAC
Foton
HAMM
Hidromek
Hitachi
Hyundai
JCB
JLG
John Deere
Komatsu
LIEBHERR
LiuGong
Lonking (LongGong)
Luneng
MANITOU
Mitsuber
New Holland
PENGPU
RM-Terex
SANY
SDLG
SEM
Shantui
Shehwa HBXG
Soosan
TIGARBO
VOGELE
Volvo
WAY
WIRTGEN
XCMG
XGMA
Xiamen
YTO
Yuchai
Zoomlion
Автокран
АЗСМ
Алтайлесмаш
Амкодор
АОМЗ
Атек
АТЗ
Балканкар Рекорд
БелАЗ
Беловеж
Борекс
Брянский Арсенал
Булат
ВЭКС
ГАЗ
Геомаш
Гидромаш
Донекс
Дормаш
Дормашина
Дорэлектромаш
ДЭЗ
ЕлАЗ
ЗЗГТ
Ижнефтемаш
Канаш-электрокар
КЗКТ
ККЗ
Клевер
Клинцовский автокрановый завод
КМЗ
КМЗ 1 Мая
Ковровец
Коммаш
Кранэкс
КЭЗ
КЭМЗ
ЛЗА
МАЗ
МЗИК
МЗКМ
МЗКТ
Михневский РМЗ
МоАЗ
Мозырский МЗ
МТЗ
ОЗП
Онежец
ПАО "ТЗА"
ППС Детва
Промтрактор
ПТЗ
Раскат
СпецАгрегат
ТВЭКС
ТТМ
УВЗ
Угличмаш
УЗТМ
ХТЗ
ЧЗКМ
ЧСДМ
ЧТЗ
ЭКСКО
ЭКСМАШ
ЮрМаш
Модель
Не выбрано
TL-150 (2016)
TL-155 (2018)
TL-155 (2022)
А-120 (2003)
В-140 (2010)
В-160 (2010)
ДЗ-98В (2003)
ДЗ-98В (2015)
ДЗ-98В (2022)
ДЗ-98В.1 (2010)
ДЗ-98В.1 (дополнение) (2010)
Погрузчик В-138 (2009)
Схема
>
Не выбрано
Погрузчик В160, его модификация и комплектации
Установка силовая (А120К.11.00.000-01)
Cтанция насосная (A121.11.02.000-02)
Установка силовая (ДЗ-240C.11.00.000-01)
Система топливная (А120К.31.00.000-01)
Бак топливный (А120К.31.02.000-01)
Система топливная (А121.31.00.000-01)
Бак топливный (А121.31.02.000-01)
Система всасывания и выхлопа (B160.32.00.000)
Воздухоочиститель (B160.32.01.000)
Хомут (ДЗ-98В.32.00.130)
Cистема всасывания и выхлопа (В160.32.10.000)
Система охлаждения и разогрева двигателя (В160.33.00.000)
Блок радиаторов (B160.33.01.000)
Система охлаждения и разогрева двигателя (В160.33.10.000)
Блок радиаторов (В160.33.02.000)
Система охлаждения и разогрева двигателя (В160.33.20.000)
Блок радиаторов (B160.33.03.000)
Cистема смазки (А121.38.00.000)
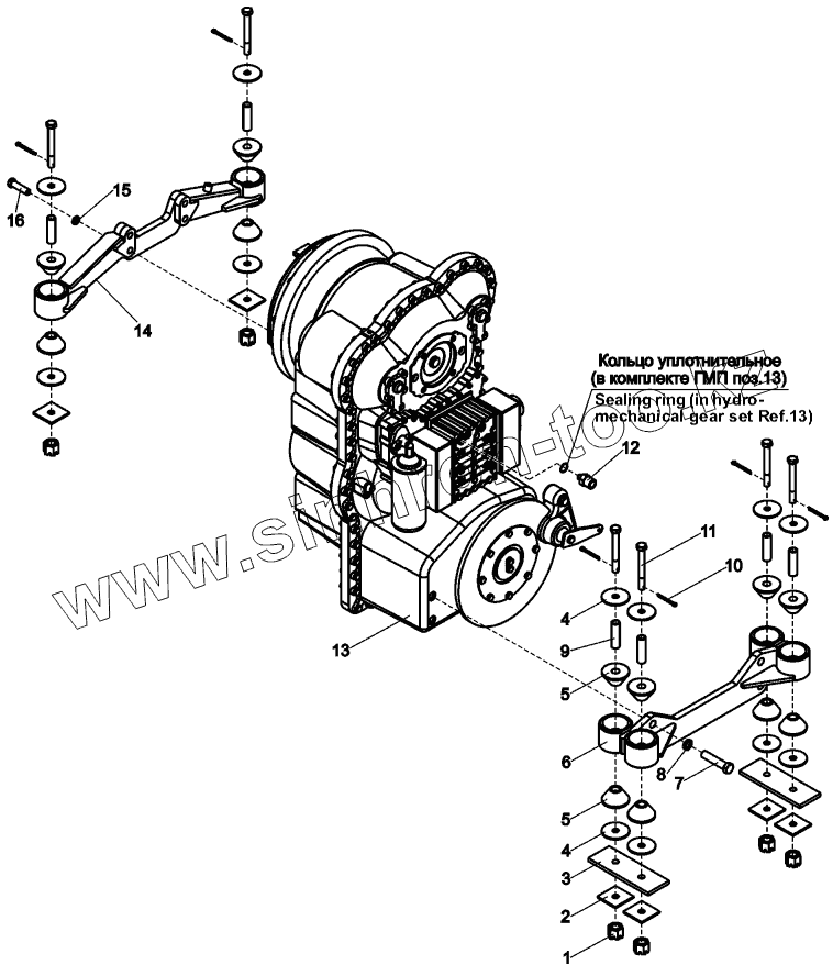
Установка гидромеханической передачи (B160.10.00.000)
Гидросистема гидромеханической передачи (B160.12.10.000)
Передача карданная (B160.16.00.000)
Опора промежуточная (B160.16.00.010)
Подвеска заднего моста (В160.03.00.000)
Подвеска переднего моста (В160.04.00.000)
Рама (В160.21.00.000)
Рама (В160.21.00.000)
Рама (В160.21.00.000)
Рама (В160.21.00.000)
Рама (В160.21.00.000)
Рама (В160.21.00.000-03)
Рама (В160.21.00.000-05)
Колесо (B160.24.00.000)
Кабина (В138С.51.00.000-04)
Кабина (В138С.51.00.000-04)
Кабина (В138С.51.00.000-04)
Установка крышки люка (В138С.51.00.010)
Дверь (ТО-40.51.12.000)
Дверь (ТО-40.51.12.000-01)
Капот (А121.52.00.000-03)
Капот (А121.52.00.000-04)
Капот (А121.52.00.000-06)
Установка крыльев (В160.53.00.000)
Фиксатор (В138.53.00.080)
Площадка оператора (В160.13.00.000)
Управление колесными тормозами (В160.13.03.000)
Управление стояночным тормозом (В160.13.04.000)
Управление всережимным регулятором (В160.13.05.000)
Колонка рулевая (В160.13.06.000)
Пульт управления (В160.13.09.000)
Блок управления (В160.13.09.020)
Площадка оператора (В160.13.00.000-01)
Пульт управления (В160.13.09.000-01)
Блок управления (В160.13.09.120)
Площадка оператора (В160.13.00.000-02)
Управление всережимным регулятором (В160.13.05.100)
Управление рулевое (В160.14.00.000)
Клапан приоритетный в сборе (В160.14.00.010)
Гидроцилиндр (В160.14.01.000)
Гидроцилиндр (В160.14.01.000-01)
Система привода тормозов (В160.42.00.000)
Плита в сборе (А121.42.00.360)
Пневмораспределитель (ДЗ-98В.42.00.010)
Система привода тормозов (В160.42.00.000-01)
Установка компрессора (A121.42.10.000)
Гидрооборудование погрузчика (В160.43.00.000)
Бак масляный (В160.43.15.000)
Клапан заборный (В160.43.15.030)
Гидроцилиндр (ТО-40.43.01.150)
Гидроцилиндр (ТО-40.43.01.450)
Гидрооборудование погрузчика (В160.43.10.000)
Гидрооборудование погрузчика (В160.43.10.000)
Оборудование погрузочное (B160.25.00.000)
Ковш (B160.80.00.000)
Ковш cкальный (B160.81.00.000)
1
2
3
4
4
5
5
6
7
8
9
10
11
12
13
14
15
16
Позиция на иллюстрации
Заводской номер детали
Название детали
1
ГОСТ5918-73
Гайка
2
Д395-01.01.002
Подкладка
3
В160.10.00.001
Подкладка
4
067.14.11.035
Шайба
5
А120.11.00.015
Амортизатор
6
В160.10.00.010
Опора задняя
7
067.11.11.146-01
Болт
8
ГОСТ6402-70
Шайба
9
A120.11.00.016
Втулка
10
ГОСТ397-79
Шплинт
11
067.11.17.035-02
Болт
12
A120K.10.00.002
Штуцер
13
«ZF»4WG-210
ГМП
14
A120K.10.00.020
Опора передняя
15
ГОСТ6402-70
Шайба
16
067.11.11.099
Болт
Содержащиеся в справочниках-каталогах запасные части и детали не предлагаются к продаже, а носят исключительно информационный характер
Дополнительная информация
×
Название:
Номер:
Примечание: