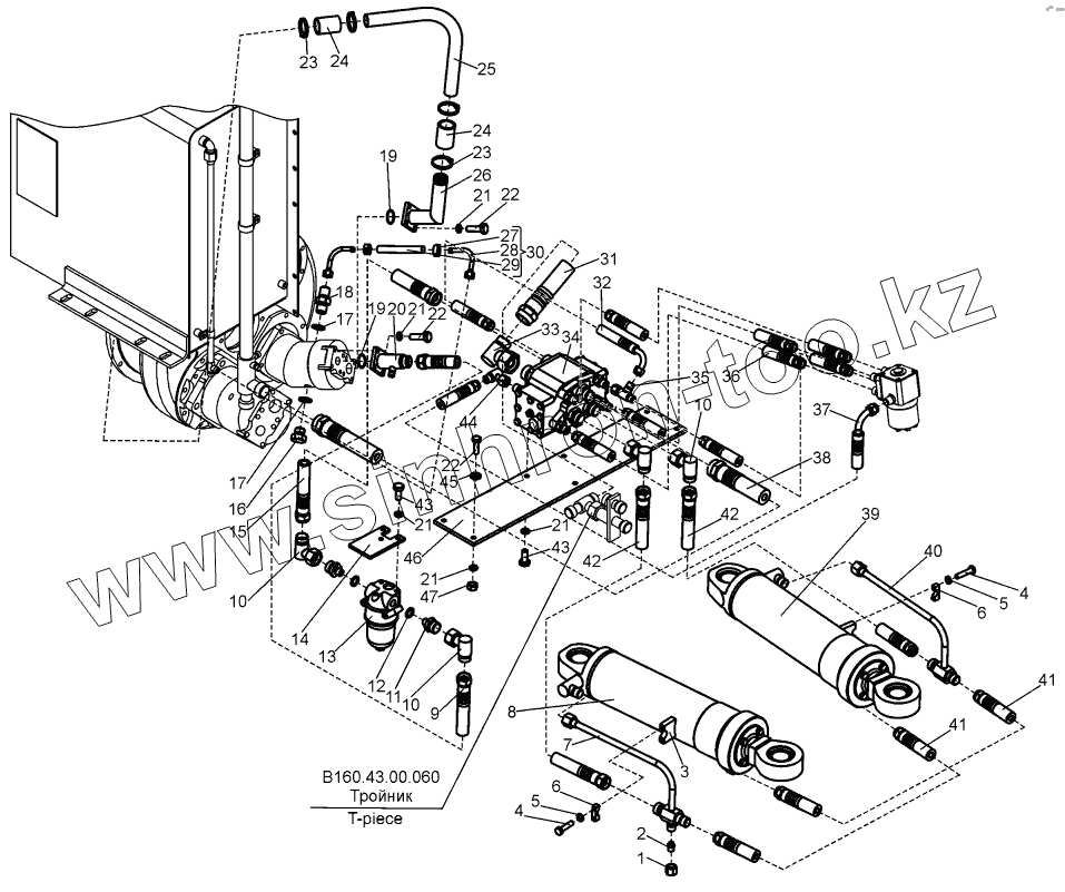
Каталог запасных частей к технике: ЧСДМ В-160. Управление рулевое (В160.14.00.000)
В160.43.00.060
1
2
3
4
4
5
5
6
6
7
8
9
10
10
10
11
12
13
14
15
16
17
17
18
19
19
20
21
21
21
21
21
22
22
22
23
23
24
24
25
26
27
28
29
30
31
32
33
34
35
36
37
38
39
40
41
41
42
42
43
43
44
45
46
47
| Позиция на иллюстрации | Заводской номер детали | Название детали | |
|---|---|---|---|
| В160.43.00.060 | В160.43.00.060 | Тройник | |
| 1 | 048.08.00.002 | Гайка | |
| 2 | В138С.14.00.112 | Ниппель | |
| 3 | В160.14.00.013 | Основание | |
| 4 | ГОСТ7798-70 | Болт | |
| 5 | ГОСТ6402-70 | Шайба | |
| 6 | В160.14.00.012 | Крышка | |
| 7 | В160.14.00.050 | Тройник правый | |
| 8 | В160.14.01.000-01 | Гидроцилиндр | |
| 9 | РВД20.129.1250.0,24.11 | РВД 20.129.1250.0,24.11/ 11.М33x2/М33x2-У1 | |
| 10 | ДЗ-98В.43.00.090 | Угольник | |
| 11 | 048.05.01.074 | Штуцер | |
| 12 | ДЗ-140А.50.01.055 | Шайба передняя | |
| 13 | МНТ302.FV/C1.OB5МНТ302.FV/C1.OB5 | Фильтр | |
| 14 | В160.14.00.007 | Планка | |
| 15 | РВД20.129.1050.0,24.11 | РВД 20.129.1050.0,24.11/ 11.М33x2/М33x2-У1 | |
| 16 | 067.44.11.041 | Пробка | |
| 17 | 067.34.11.047 | Прокладка | |
| 18 | 048.05.01.062 | Штуцер | |
| 19 | Кольцо034-040-36-2-2 | Кольцо | |
| 20 | В160.14.00.020 | Угольник | |
| 21 | ГОСТ6402-70 | Шайба | |
| 22 | ГОСТ7798-70 | Болт | |
| 23 | ХомутН28 | Хомут винтовой Н28 | |
| 24 | В160.14.00.006 | Рукав | |
| 25 | В160.14.00.011 | Труба | |
| 26 | В160.14.00.040 | Патрубок заборный | |
| 27 | ХомутН6 | Хомут винтовой Н6 | |
| 28 | ДЗ-140.42.00.320 | Трубка | |
| 29 | В160.14.00.071 | Рукав | |
| 30 | В160.14.00.070 | Рукав | |
| 31 | РВД25.110.850.0,3.12 | РВД 25.110.850.0,3.12/ 12.М42x2/М42x2-У1 | |
| 32 | РВД12.120.500.0,18.11-900 | РВД 12.120.500.0,18.11- 900/ 11.М22x1,5/М22x1,5-У1 | |
| 33 | ТО-40.43.00.060 | Угольник | |
| 34 | В160.14.00.010 | Клапан приоритетный в сборе | |
| 35 | ТО-40Д.14.00.150 | Тройник | |
| 36 | РВД12.120.650.0,18.11 | РВД 12.120.650.0,18.11/ 11.М22x1,5/М22x1,5-У1 | |
| 37 | РВД12.120.1250.0,18.11 | РВД 12.120.1250.0,18.11/ 11.М22x1,5/М22x1,5-У1 | |
| 38 | РВД25.110.1800.0,3.12 | РВД 25.110.1800.0,3.12/ 12.М42x2/М42x2-У1 | |
| 39 | В160.14.01.000 | Гидроцилиндр | |
| 40 | В160.14.00.060 | Тройник левый | |
| 41 | РВД16.120.1050.0,2.11 | РВД 16.120.1050.0,2.11/ 11.М27x1,5/М27x1,5-У1 | |
| 42 | РВД20.129.1350.0,24.1 | РВД 20.129.1350.0,24.11/ 11.М33x2/М33x2-У1 | |
| 43 | ГОСТ7798-70 | Болт | |
| 44 | ТО-40.14.00.320 | Переходник | |
| 45 | ГОСТ11371-78 | Шайба | |
| 46 | В160.14.00.009 | Плита | |
| 47 | ГОСТ5915-70 | Гайка |
Содержащиеся в справочниках-каталогах запасные части и детали не предлагаются к продаже, а носят исключительно информационный характер