Каталог запасных частей к технике: ЧСДМ В-160. Рама (В160.21.00.000-05)
1
2
3
4
5
6
7
8
9
10
11
12
13
14
15
16
17
18
19
20
21
22
23
24
25
26
27
28
29
30
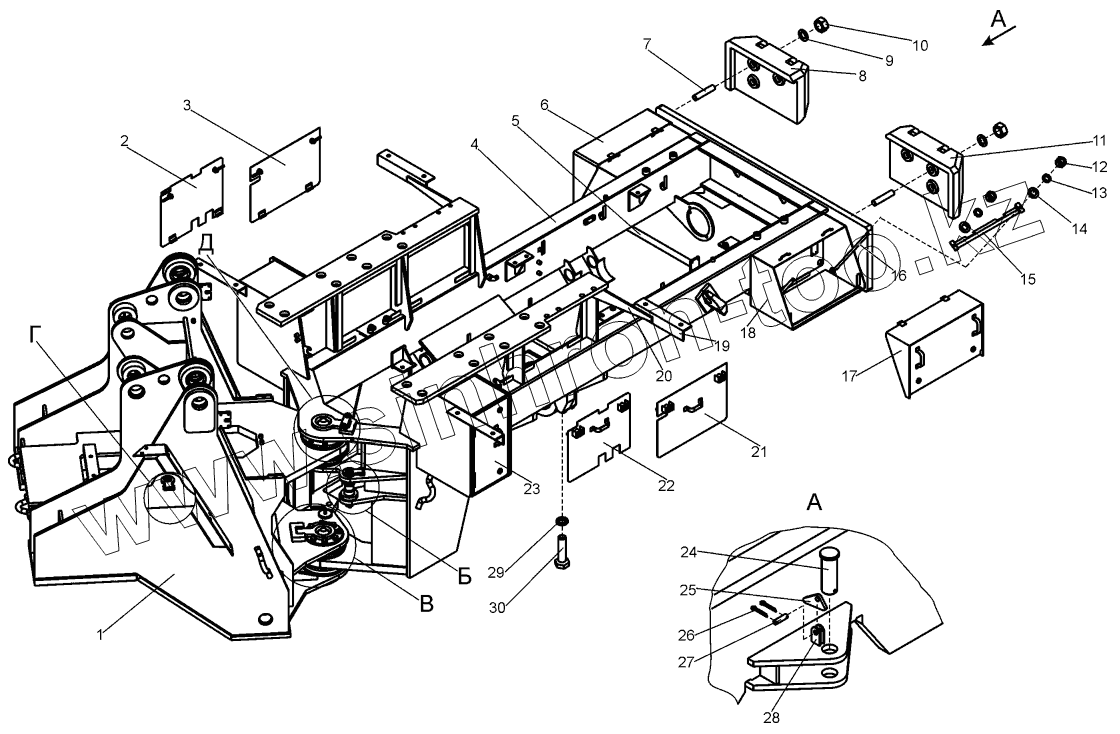
| Позиция на иллюстрации | Заводской номер детали | Название детали | |
|---|---|---|---|
| 1 | В160.21.01.000-01 | Рама передняя | |
| 2 | В160.21.00.020 | Щиток передний | |
| 3 | В160.21.00.030 | Щиток задний | |
| 4 | В160.21.02.000-02 | Рама задняя | |
| 5 | A121.21.00.013 | Труба | |
| 6 | A121.21.00.080 | Ящик аккумуляторный | |
| 7 | 067.15.11.245 | Шпилька | |
| 8 | ТО-40.21.06.040-01 | Балласт правый | |
| 9 | 067.14.11.214 | Шайба | |
| 10 | ГОСТ5915-70 | Гайка | |
| 11 | ТО-40.21.06.050-01 | Балласт левый | |
| 12 | ГОСТ5915-70 | Гайка | |
| 13 | ГОСТ6402-70 | Шайба | |
| 14 | ГОСТ11371-78 | Шайба | |
| 15 | А121.21.00.040 | Прижим | |
| 16 | А121.21.00.002 | Тяга | |
| 17 | А121.21.00.100 | Крышка | |
| 18 | A121.21.00.080-01 | Ящик аккумуляторный | |
| 19 | А120.53.00.022 | Уголок | |
| 20 | B138.21.02.036 | Пластина | |
| 21 | В160.21.00.030-01 | Щиток задний | |
| 22 | В160.21.00.020-01 | Щиток передний | |
| 23 | В160.21.00.010 | Дверка | |
| 24 | A120.34.00.036 | Палец | |
| 25 | Д144-67-003 | Защелка | |
| 26 | ГОСТ397-79 | Шплинт | |
| 27 | Д395А-0117008 | Палец | |
| 28 | Д144-67-002 | Ушко | |
| 29 | ГОСТ6402-70 | Шайба | |
| 30 | ГОСТ7798-70 | Болт |
Содержащиеся в справочниках-каталогах запасные части и детали не предлагаются к продаже, а носят исключительно информационный характер