Каталог запасных частей к технике: ЧСДМ В-160. Оборудование погрузочное (B160.25.00.000)
1
1
1
2
2
2
2
2
2
2
2
2
3
3
3
4
4
4
5
5
5
6
6
6
7
7
7
7
8
8
9
9
10
10
10
11
11
11
11
12
13
13
13
13
13
14
15
15
16
16
17
17
18
19
19
19
19
20
21
21
21
21
21
22
23
23
23
24
24
24
25
25
25
26
27
27
28
29
30
31
31
31
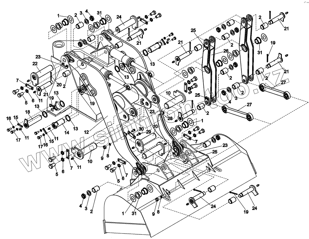
| Позиция на иллюстрации | Заводской номер детали | Название детали | |
|---|---|---|---|
| 1 | 067.14.12.233 | Прокладка | |
| 2 | ДЗ-152-1.10.005-05 | Втулка | |
| 3 | 067.14.12.131 | Шайба | |
| 4 | 067.13.12.102 | Гайка | |
| 5 | ГОСТ7798-70 | Болт | |
| 6 | ГОСТ6402-70 | Шайба | |
| 7 | ТО-40.25.00.007 | Планка | |
| 8 | ГОСТ11371-78 | Шайба | |
| 9 | ГОСТ5915-70 | Гайка | |
| 10 | ТО-40.25.00.010 | Ось | |
| 11 | Масленка1.2. Ц6 | Масленка | |
| 12 | B160.25.10.000 | Стрела | |
| 13 | 067.14.12.245 | Кольцо | |
| 14 | ТО-40.25.00.050 | Ось | |
| 15 | Д323.03.007 | Серьга | |
| 16 | ГОСТ6402-70 | Шайба | |
| 17 | ГОСТ7798-70 | Болт | |
| 18 | ТО-40.25.00.050-01 | Ось | |
| 19 | ТО-40.25.00.011 | Скоба | |
| 20 | ГОСТ397-79 | Шплинт | |
| 21 | ДЗ-152-1.10.030-05 | Ось | |
| 22 | ТО-40.25.00.040 | Ось | |
| 23 | ТО-40.25.00.005 | Скоба | |
| 24 | ТО-40.25.00.070 | Ось | |
| 25 | ДЗ-152-1.10.006 | Скоба | |
| 26 | ТО-40.25.31.000 | Коромысло | |
| 27 | ТО-40.25.50.000 | Тяга | |
| 28 | В138.25.00.004 | Проушина | |
| 29 | ГОСТ7798-70 | Болт | |
| 30 | В138.25.00.003 | Тяга | |
| 31 | TO-40.25.20.008 | Втулка |
Содержащиеся в справочниках-каталогах запасные части и детали не предлагаются к продаже, а носят исключительно информационный характер