Вернуться на главную
Поиск
Каталоги запчастей к технике
Спецтехника
ЧСДМ
В-140
Пневмораспределитель (B140.42.00.500)
Каталог запасных частей к технике: ЧСДМ В-140. Пневмораспределитель (B140.42.00.500)
zoom-in
zoom-out
enlarge
shrink
circle-right
circle-left
file-text2
info
cart
Тип техники
Не выбрано
Легковые автомобили
Грузовые автомобили и прицепы
Автобусы
Сельхозтехника
Спецтехника
Двигатели
Мототехника
Марка
Не выбрано
Ammann
BOMAG
CARMIX
CASE IH
Changlin
ChengGong
Dimex
Doosan
DYNAPAC
Foton
HAMM
Hidromek
Hitachi
Hyundai
JCB
JLG
John Deere
Komatsu
LIEBHERR
LiuGong
Lonking (LongGong)
Luneng
MANITOU
Mitsuber
New Holland
PENGPU
RM-Terex
SANY
SDLG
SEM
Shantui
Shehwa HBXG
Soosan
TIGARBO
VOGELE
Volvo
WAY
WIRTGEN
XCMG
XGMA
Xiamen
YTO
Yuchai
Zoomlion
Автокран
АЗСМ
Алтайлесмаш
Амкодор
АОМЗ
Атек
АТЗ
Балканкар Рекорд
БелАЗ
Беловеж
Борекс
Брянский Арсенал
Булат
ВЭКС
ГАЗ
Геомаш
Гидромаш
Донекс
Дормаш
Дормашина
Дорэлектромаш
ДЭЗ
ЕлАЗ
ЗЗГТ
Ижнефтемаш
Канаш-электрокар
КЗКТ
ККЗ
Клевер
Клинцовский автокрановый завод
КМЗ
КМЗ 1 Мая
Ковровец
Коммаш
Кранэкс
КЭЗ
КЭМЗ
ЛЗА
МАЗ
МЗИК
МЗКМ
МЗКТ
Михневский РМЗ
МоАЗ
Мозырский МЗ
МТЗ
ОЗП
Онежец
ПАО "ТЗА"
ППС Детва
Промтрактор
ПТЗ
Раскат
СпецАгрегат
ТВЭКС
ТТМ
УВЗ
Угличмаш
УЗТМ
ХТЗ
ЧЗКМ
ЧСДМ
ЧТЗ
ЭКСКО
ЭКСМАШ
ЮрМаш
Модель
Не выбрано
TL-150 (2016)
TL-155 (2018)
TL-155 (2022)
А-120 (2003)
В-140 (2010)
В-160 (2010)
ДЗ-98В (2003)
ДЗ-98В (2015)
ДЗ-98В (2022)
ДЗ-98В.1 (2010)
ДЗ-98В.1 (дополнение) (2010)
Погрузчик В-138 (2009)
Схема
>
Не выбрано
Погрузчики В140.000
Установка силовая (В140.11.00.000)
Система топливная (В140.31.00.000)
Бак топливный (B140.31.02.000)
Система всасывания и выхлопа (В140.32.00.000)
Система охлаждения и разогрева двигателя (B140.33.00.000)
Система охлаждения и разогрева двигателя (B140.33.00.000)
Блок радиаторов (B140.33.03.000)
Cистема смазки (B140.38.00.000)
Установка гидромеханической передачи (В140.10.00.000)
Гидросистема гидромеханической передачи (В140.12.00.000)
Передача карданная (В140.16.00.000)
Передача карданная (В140.16.10.000)
Подвеска заднего моста (В140.03.00.000)
Подвеска заднего моста (В140.03.01.000)
Установка переднего моста (В140.04.00.000)
Установка переднего моста (В140.04.01.000)
Рама (В140.21.00.000)
Рама (В140.21.00.000)
Рама (В140.21.00.000)
Рама (В140.21.00.000-01)
Колесо (В140.24.00.000)
Колесо (В138.24.01.000-01)
Капот (В140.52.00.000)
Арка (B140.52.01.160)
Капот (В140.52.00.000)
Cистема доступа (В140.53.00.000)
Площадка оператора (В140.13.00.000)
Блок управления (В140.13.00.010)
Cиденье в сборе (В190М.13.00.020)
Cистема управления колесными тормозами (В190М.13.03.000)
Cистема управления стояночным тормозом (В140.13.04.000)
Управление всережимным регулятором (В140.13.05.000)
Останов двигателя (ТС10.13.05.200)
Колонка рулевая (В140.13.06.000)
Cистема отопления и вентиляции кабины (В190M.13.08.000)
Управление рулевое (В140.14.00.000)
Тройник в сборе (В138С.14.00.120)
Гидроцилиндр (В140.14.01.000)
Cистема привода тормозов (В140.42.00.000)
Установка тормозной камеры (В140.42.00.070)
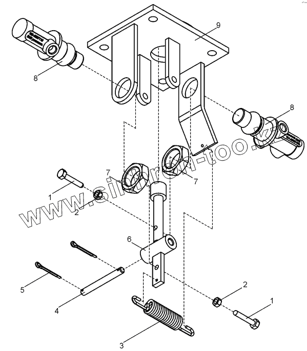
Пневмораспределитель (B140.42.00.500)
Установка компрессора (A121.42.10.000)
Гидросистема погрузчика (В140.43.00.000)
Гидрораспределитель в сборе (В140.43.00.100)
Установка насоса (В140.43.00.200)
Блок питания (В140.43.00.300)
Гидроцилиндр (B140.43.01.000)
Гидроцилиндр (B140.43.02.000)
Оборудование погрузочное (В140.25.00.000)
Cтрела (В140.25.11.000)
Захват челюстной (В140.84.00.000)
Гидроцилиндр (В138.82.07.000)
1
1
2
2
3
4
5
6
7
7
8
8
9
Позиция на иллюстрации
Заводской номер детали
Название детали
1
ДЗ-98В.42.00.501
Болт специальный
2
ГОСТ5915-70
Гайка
3
067.52.00.015
Пружина
4
067.43.22.019
Палец
5
Шплинт2х20.019
Шплинт
6
В140.42.00.510
Рычаг
7
067.13.11.076
Гайка
8
100-3537110
Кран пневматический
9
ДЗ-98В.42.00.520
Плита
Содержащиеся в справочниках-каталогах запасные части и детали не предлагаются к продаже, а носят исключительно информационный характер
Дополнительная информация
×
Название:
Номер:
Примечание: