Каталог запасных частей к технике: ЧСДМ В-140. Площадка оператора (В140.13.00.000)
1
2
3
4
5
5
6
6
7
8
8
9
9
9
10
10
10
11
12
12
13
13
14
15
16
17
18
19
20
21
22
22
23
24
25
26
27
28
29
30
31
32
33
34
35
36
37
38
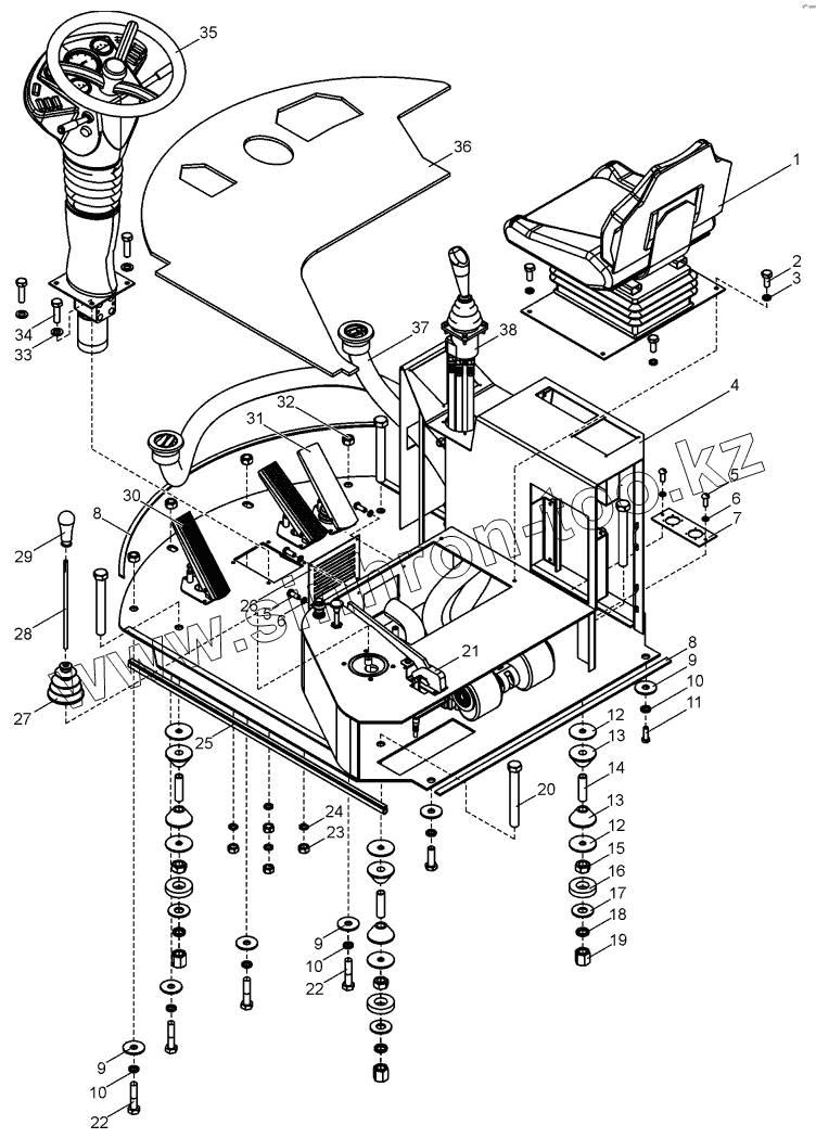
| Позиция на иллюстрации | Заводской номер детали | Название детали | |
|---|---|---|---|
| 1 | В190М.13.00.020 | Сиденье в сборе | |
| 2 | ГОСТ7798-70 | Болт | |
| 3 | ГОСТ6402-70 | Шайба | |
| 4 | В190М.13.00.010 | Площадка рабочая | |
| 5 | ГОСТ17473-80 | Винт | |
| 6 | ГОСТ6402-70 | Шайба | |
| 7 | В190М.13.00.036 | Пластина | |
| 8 | ОСТ38.05.171-78 | Резина губчатая | |
| 9 | 067.14.11.031 | Шайба | |
| 10 | ГОСТ6402-70 | Шайба | |
| 11 | ГОСТ7798-70 | Болт | |
| 12 | 067.14.11.035 | Шайба | |
| 13 | А120.11.00.015 | Амортизатор | |
| 14 | А120.11.00.016 | Втулка | |
| 15 | ГОСТ5915-70 | Гайка | |
| 16 | ТС10.13.00.103 | Шайба | |
| 17 | 067.14.11.034 | Шайба | |
| 18 | ГОСТ6402-70 | Шайба | |
| 19 | ТС10.13.00.102 | Гайка | |
| 20 | ТС10.13.00.101 | Болт | |
| 21 | В140.13.04.000 | Система управления стояночным тормозом | |
| 22 | ГОСТ7798-70 | Болт | |
| 23 | ГОСТ5915-70 | Гайка | |
| 24 | ГОСТ6402-70 | Шайба | |
| 25 | ПРУ-06.003 | Профиль | |
| 26 | В190М.13.00.008 | Решётка | |
| 27 | 4320-1108022 | Уплотнитель | |
| 28 | В140.42.00.514 | Ручка | |
| 29 | 21083-170-338 | Ручка | |
| 30 | В190М.13.03.000 | Система управления колёсными тормозами | |
| 31 | В140.13.05.000 | Управление всережимным регулятором | |
| 32 | ГОСТ5915-70 | Гайка | |
| 33 | ГОСТ11371-78 | Шайба | |
| 34 | ГОСТ7798-70 | Болт | |
| 35 | В140.13.06.000 | Колонка рулевая | |
| 36 | В190М.13.00.002 | Коврик | |
| 37 | В190М.13.08.000 | Система отопления и вентиляции кабины | |
| 38 | В140.13.00.010 | Блок управления |
Содержащиеся в справочниках-каталогах запасные части и детали не предлагаются к продаже, а носят исключительно информационный характер