Вернуться на главную
Поиск
Каталоги запчастей к технике
Спецтехника
ЧСДМ
TL-155
Бак масляный (TL155.43.15.000)
Каталог запасных частей к технике: ЧСДМ TL-155. Бак масляный (TL155.43.15.000)
zoom-in
zoom-out
enlarge
shrink
circle-right
circle-left
file-text2
info
cart
Тип техники
Не выбрано
Легковые автомобили
Грузовые автомобили и прицепы
Автобусы
Сельхозтехника
Спецтехника
Двигатели
Мототехника
Марка
Не выбрано
Ammann
BOMAG
CARMIX
CASE IH
Changlin
ChengGong
Dimex
Doosan
DYNAPAC
Foton
HAMM
Hidromek
Hitachi
Hyundai
JCB
JLG
John Deere
Komatsu
LIEBHERR
LiuGong
Lonking (LongGong)
Luneng
MANITOU
Mitsuber
New Holland
PENGPU
RM-Terex
SANY
SDLG
SEM
Shantui
Shehwa HBXG
Soosan
TIGARBO
VOGELE
Volvo
WAY
WIRTGEN
XCMG
XGMA
Xiamen
YTO
Yuchai
Zoomlion
Автокран
АЗСМ
Алтайлесмаш
Амкодор
АОМЗ
Атек
АТЗ
Балканкар Рекорд
БелАЗ
Беловеж
Борекс
Брянский Арсенал
Булат
ВЭКС
ГАЗ
Геомаш
Гидромаш
Донекс
Дормаш
Дормашина
Дорэлектромаш
ДЭЗ
ЕлАЗ
ЗЗГТ
Ижнефтемаш
Канаш-электрокар
КЗКТ
ККЗ
Клевер
Клинцовский автокрановый завод
КМЗ
КМЗ 1 Мая
Ковровец
Коммаш
Кранэкс
КЭЗ
КЭМЗ
ЛЗА
МАЗ
МЗИК
МЗКМ
МЗКТ
Михневский РМЗ
МоАЗ
Мозырский МЗ
МТЗ
ОЗП
Онежец
ПАО "ТЗА"
ППС Детва
Промтрактор
ПТЗ
Раскат
СпецАгрегат
ТВЭКС
ТТМ
УВЗ
Угличмаш
УЗТМ
ХТЗ
ЧЗКМ
ЧСДМ
ЧТЗ
ЭКСКО
ЭКСМАШ
ЮрМаш
Модель
Не выбрано
TL-150 (2016)
TL-155 (2018)
TL-155 (2022)
А-120 (2003)
В-140 (2010)
В-160 (2010)
ДЗ-98В (2003)
ДЗ-98В (2015)
ДЗ-98В (2022)
ДЗ-98В.1 (2010)
ДЗ-98В.1 (дополнение) (2010)
Погрузчик В-138 (2009)
Схема
>
Не выбрано
Введение
Схема деления погрузчиков на составные части
Установка силовая (TL155.11.00.000)
Система топливная (TL155.31.10.000)
Бак топливный (TL155.31.03.000)
Система всасывания и выхлопа (TL155.32.00.000)
Система охлаждения и разогрева двигателя (TL155.33.10.000)
Блок радиаторов (TL155.33.04.000)
Установка вентилятора (TL155.33.04.100)
Установка вентилятора (TL155.33.04.200)
Система охлаждения наддувочного воздуха (TL155.35.10.000)
Установка гидромеханической передачи (TL150.10.10.000)
Гидросистема гидромеханической передачи (TL150.12.00.000-02)
Передача карданная (TL155.16.00.000)
Установка моста заднего (TL150.03.50.000)
Установка моста заднего (TL150.03.50.000-01)
Установка переднего моста (TL150.04.50.000)
Установка переднего моста (TL150.04.50.000-01)
Рама в сборе (TL155.22.00.000-01)
Рама в сборе (TL155.22.00.000-01)
Колесо (TL150.24.00.000)
Колесо (TL150.24.01.000)
Рабочее место оператора (TL150.13.00.000-02)
Установка рулевой колонки (TL150.13.06.000)
Установка климатической системы (TL150.13.08.000)
Установка сиденья (TL150.13.10.000)
Управление рулевое (TL155.14.00.000-01)
Клапан приоритетный (TL150.14.00.010)
Гидроруль (TL150.14.00.020)
Установка патрубка (TL150.14.00.030)
Тройник (TL155.14.00.010)
Установка гидроцилиндра (TL150.14.00.100)
Установка гидроцилиндра (TL150.14.00.100-01)
Электрооборудование погрузчика (TL155.41.00.000-01)
Электрооборудование погрузчика (TL155.41.00.000-01)
Электрооборудование погрузчика (TL155.41.00.000-01)
Электрооборудование кабины (TL155.41.01.000-01)
Электрооборудование кабины (TL150.41.01.000-01)
Электрооборудование рулевой колонки (TL150.41.02.000-01)
Гидросистема тормозная (TL155.42.10.000)
Гидросистема тормозная (TL155.42.10.000)
Педаль тормозная (TL155.42.00.010)
Блок аккумуляторов (TL155.42.00.040-01)
Блок датчиков (TL155.42.00.050)
Клапан стояночный (TL150.42.00.100)
Гидросистема рабочего оборудования (TL155.46.10.000)
Гидросистема рабочего оборудования (TL155.46.10.000)
Гидросистема рабочего оборудования (TL155.46.10.000)
Гидросистема рабочего оборудования (TL155.46.10.000-02)
Гидросистема рабочего оборудования (TL155.46.10.000-02)
Блок управления (TL155.43.00.010)
Установка гидронасоса (TL155.46.00.010)
Гидрораспределитель в сборе (TL155.46.10.010)
Гидрораспределитель в сборе (TL155.46.10.010-01)
Гидросистема вентилятора (TL155.46.30.000)
Бак масляный (TL155.43.15.000)
Оборудование погрузочное (TL155.25.00.000)
Адаптер в сборе (TL150.26.00.000-01)
Ковш скальный V=3м3 (TL150.81.00.000-01)
Ковш со съемными ножами и наконечниками V=3м3 (TL150.82.00.000-01)
Ковш общего назначения V=2,3м3 (TL150.85.00.000-01)
Ковш скальный V=2,3м3 (TL150.86.00.000-01)
Ковш общего назначения V=2,6м3 (TL150.87.00.000-01)
Ковш скальный V=2,6 м3 (TL150.88.00.000-01)
Ковш усиленный со съмными ножами и наконечниками V=2,6 м3 (TL150.89.00.000-01)
Отвал бульдозерный (TL150.83.00.000-01)
Кабина (TL150.51.00.000-01)
Кабина (TL150.51.00.000-01)
Установка остекления кабины (TL150.51.00.010)
Установка зеркал (TL150.51.00.070)
Установка дверей (TL150.51.25.000)
Дверь (TL150.51.25.010)
Дверь (TL150.51.25.010-01)
Установка капота (TL155.52.12.000)
Установка капота (TL155.52.12.000)
Система доступа (TL155.53.10.000)
Система доступа (TL155.53.10.000-02)
Установка крыльев задних (TL155.53.12.000)
Установка крыльев задних (TL155.53.12.000-02)
Установка трапов (TL155.53.11.000, TL155.53.11.000-02)
Установка крыльев передних (TL150.53.13.000, TL150.53.13.000-02)
Крыло переднее (TL150.53.13.200 изображено), (TL150.53.13.200-01 зеркально)
Установка брызговиков (TL150.53.16.000, TL150.53.16.000-02)
Установка ящиков (TL150.53.14.000)
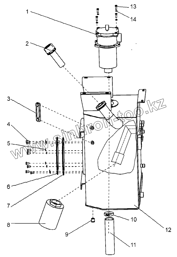
1
1
2
3
4
5
6
7
8
9
10
11
12
13
14
Позиция на иллюстрации
Заводской номер детали
Название детали
1
RFM125 MV1
Фильтр
1
МРF4002AG3P25NBPO1
Фильтр сливной
2
SMBB-80-S-L-00-05-B-S200-0
Фильтр вентиляционно-заливочный
3
SNA 127B-S-T-10
Датчик уровня масла
4
Болт М12-6gх20.58.019 ГОСТ 7798-70
Болт
5
Шайба 12.65Г.019 ГОСТ 6402-70
Шайба
6
В190М.43.15.015
Крышка
7
Кольцо 260-270-58 ГОСТ 18829-73/9833-73
Кольцо
8
MSZ402MNXAB9
Фильтр
9
067.44.12.021
Пробка
10
Хомут 1Л60-90-6 ГОСТ 28191-89
Хомут
11
TL150.43.15.001
Рукав
12
TL155.43.15.010
Бак масляный
13
Болт М10-6gх30.58.019 ГОСТ 7798-70
Болт
14
Шайба 10.65Г.019 ГОСТ 6402-70
Шайба
Содержащиеся в справочниках-каталогах запасные части и детали не предлагаются к продаже, а носят исключительно информационный характер
Дополнительная информация
×
Название:
Номер:
Примечание: