Вернуться на главную
Поиск
Каталоги запчастей к технике
Спецтехника
ЧСДМ
TL-155
Бак масляный
Каталог запасных частей к технике: ЧСДМ TL-155. Бак масляный
zoom-in
zoom-out
enlarge
shrink
circle-right
circle-left
file-text2
info
cart
Тип техники
Не выбрано
Легковые автомобили
Грузовые автомобили и прицепы
Автобусы
Сельхозтехника
Спецтехника
Двигатели
Мототехника
Марка
Не выбрано
Ammann
BOMAG
CARMIX
CASE IH
Changlin
ChengGong
Dimex
Doosan
DYNAPAC
Foton
HAMM
Hidromek
Hitachi
Hyundai
JCB
JLG
John Deere
Komatsu
LIEBHERR
LiuGong
Lonking (LongGong)
Luneng
MANITOU
Mitsuber
New Holland
PENGPU
RM-Terex
SANY
SDLG
SEM
Shantui
Shehwa HBXG
Soosan
TIGARBO
VOGELE
Volvo
WAY
WIRTGEN
XCMG
XGMA
Xiamen
YTO
Yuchai
Zoomlion
Автокран
АЗСМ
Алтайлесмаш
Амкодор
АОМЗ
Атек
АТЗ
Балканкар Рекорд
БелАЗ
Беловеж
Борекс
Брянский Арсенал
Булат
ВЭКС
ГАЗ
Геомаш
Гидромаш
Донекс
Дормаш
Дормашина
Дорэлектромаш
ДЭЗ
ЕлАЗ
ЗЗГТ
Ижнефтемаш
Канаш-электрокар
КЗКТ
ККЗ
Клевер
Клинцовский автокрановый завод
КМЗ
КМЗ 1 Мая
Ковровец
Коммаш
Кранэкс
КЭЗ
КЭМЗ
ЛЗА
МАЗ
МЗИК
МЗКМ
МЗКТ
Михневский РМЗ
МоАЗ
Мозырский МЗ
МТЗ
ОЗП
Онежец
ПАО "ТЗА"
ППС Детва
Промтрактор
ПТЗ
Раскат
СпецАгрегат
ТВЭКС
ТТМ
УВЗ
Угличмаш
УЗТМ
ХТЗ
ЧЗКМ
ЧСДМ
ЧТЗ
ЭКСКО
ЭКСМАШ
ЮрМаш
Модель
Не выбрано
TL-150 (2016)
TL-155 (2018)
TL-155 (2022)
А-120 (2003)
В-140 (2010)
В-160 (2010)
ДЗ-98В (2003)
ДЗ-98В (2015)
ДЗ-98В (2022)
ДЗ-98В.1 (2010)
ДЗ-98В.1 (дополнение) (2010)
Погрузчик В-138 (2009)
Схема
>
Не выбрано
Погрузчик TL155
Силовая установка
Система топливная
Бак топливный
Система всасывания и выхлопа
Система охлаждения и разогрева двигателя
Установка блока радиаторов
Система охлаждения наддувочного воздуха
Установка гидромеханической передачи
Гидросистема гидромеханической передачи
Передача карданная
Установка моста заднего
Установка переднего моста
Рама в сборе
Рама в сборе
Рама в сборе
Рама в сборе
Колесо
Колесо
Рабочее место оператора
Установка рулевой колонки
Установка климатической системы
Установка сиденья
Управление рулевое
Установка патрубка
Тройник в сборе
Установка гидроцилиндра
Установка гидроцилиндра
Электрооборудование погрузчика
Электрооборудование погрузчика
Электрооборудование погрузчика
Электрооборудование кабины
Электрооборудование кабины
Электрооборудование рулевой колонки
Гидросистема тормозная
Гидросистема тормозная
Педаль тормозная
Блок аккумуляторов
Блок датчиков
Гидросистема рабочего оборудования
Гидросистема рабочего оборудования
Блок управления
Гидрораспределитель в сборе
Установка насосов
Гидросистема вентилятора
Бак масляный
Оборудование погрузочное
Ковш универсальный V=3.5m3
Кабина
Кабина
Установка остекления кабины
Установка зеркал
Установка дверей
Установка капота
Установка капота
Установка капота
Установка капота
Система доступа
Система доступа
Установка крыльев задних
Установка крыльев задних
Установка трапов
Установка крыльев передних
Кпыло переднее
Установка брызговиков
Установка ящиков
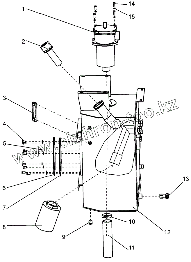
1
2
3
4
5
6
7
8
9
10
11
12
13
14
15
Позиция на иллюстрации
Заводской номер детали
Название детали
1
RFM125 MV1
Фильтр
2
SMBB-80-S-L-00-05-B-S200-0
Фильтр вентиляционно-заливочный
3
SNA 127B-S-T-10
Датчик уровня масла
4
Болт M12-6gx20.58.019
Болт
5
Шайба 12.65Г.019
Шайба 12.65Г.019
6
В190М.43.15.015
Крышка
7
Кольцо 260-270-58
Кольцо
8
MSZ402MNXAB9
Фильтр
9
067.44.12.021
Пробка
10
Хомут 1Л 60-90-6
Хомут
11
TL150.43.15.001
Рукав
12
TL155.43.15.010
Бак масляный
13
TL150.43.00.440
Тройник
14
Болт M10-6gx30.58.019
Болт
15
Шайба 10.65Г.019
Шайба 10.65Г.019
Содержащиеся в справочниках-каталогах запасные части и детали не предлагаются к продаже, а носят исключительно информационный характер
Дополнительная информация
×
Название:
Номер:
Примечание: